电脑桌面
添加小米粒文库到电脑桌面
安装后可以在桌面快捷访问

某废水处理及回收方案设计VIP免费

某废水处理及回收方案设计_第1页
1/12
某废水处理及回收方案设计_第2页
2/12
某废水处理及回收方案设计_第3页
3/12
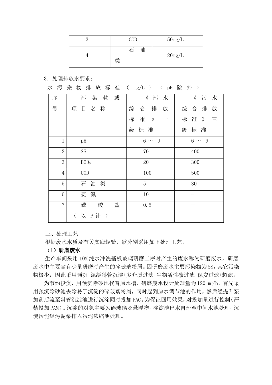
某废水处理及回收方案设计一、概述某工程的生产车间所产生的废水包括研磨废水、有机废水(含BOD废水)、碎玻璃废水,生产排水量较大。为达到节能减排,节约用水,满足当地政府环保部门及国家的要求,并利用现有先进的水处理技术,采用合理、经济的处理工艺,拟新建废水处理及中水回用系统一座,根据原水水质情况采用研磨废水经处理后作为纯水水源或作为冷却循环水回用,有机废水经处理后处理作为冷却循环水回用,碎玻璃废水经处理后作为中水回用的回收方案。如达不到回用要求,则降级使用,仍不能满足回用要求及其它原因不能全部回收时则按《污水综合排放标准》三级标准排放到城市污水管道。二、原水水质及回用水质1、现有废水种类及废水量:序号废水名称废水量m3/h废水成份备注1研磨废水Q=120m3/hSSSS:500mg/LPH:7.5~92有机废水Q=120m3/hCOD、PHCOD:100~200mg/LPH:6~103碎玻璃废水Q=50m3/hSS、石油类SS<50mg/L石油类:50mg/L2.回用水要求:2.1回用水一水质要求:(研磨废水处理水回用至纯水原水系统水质要求,回用率80%以上)序号项目指标水质要求1PH6.5~8.52SS(mg/L)≤13浊度(NTU)≤54BOD5(mg/L)≤55CODcr(mg/L)≤106铁(mg/L)≤0.37锰(mg/L)≤0.28CL-(mg/L)≤2509F-(mg/L)≤310总硬度(以CaCO3计)(mg/L)≤45011总碱度(以CaCO3计)(mg/L)≤35012氨氮(mg/L)≤1013总磷(以P计)(mg/L)≤114溶解性总固体(mg/L)≤100015游离余氯(mg/L)未端0.1~0.216粪大肠菌群(个/1)≤20002.2回用水二水质要求:(有机废水处理水回用至冷却循环系统水质要求,回用率80%以上)序号项目指标水质要求1PH6.5~8.52SS10mg/L3COD60mg/L4CL-250mg/L2.3回用水三水质要求:(碎玻璃废水处理水回用至碎玻璃系统水质要求,回用率98%以上)序号项目指标水质要求1PH6.5~8.52SS20mg/L3COD50mg/L4石油类20mg/L3.处理排放水要求:水污染物排放标准(mg/L)(pH除外)序号污染物或项目名称《污水综合排放标准》一级标准《污水综合排放标准》三级标准1pH6~96~92SS704003BOD5203004COD1005005石油类5306氨氮10-7磷酸盐(以P计)0.5-三、处理工艺根据废水水质及有关实践经验,欲分别采用如下处理工艺。(1)研磨废水生产车间采用10M纯水冲洗基板玻璃研磨工序时产生的废水称为研磨废水,研磨废水中主要含有少量研磨时产生的碎玻璃粉屑。因研磨废水主要污染物为SS,其它污染物极少,因此采用预沉+混凝斜管沉淀+多介质过滤+生物活性碳过滤+保安过滤+超滤。为节约投资,用预沉除砂池代替原水槽,研磨废水设计处理量为120m3/h,首先采用预沉除砂池去除易于沉淀的碎玻璃粉屑,同时起到原水调节池的作用,然后经提升泵加药后流至斜管沉淀池进行沉淀同时投加PAC。为保证回用效果,对投加量进行控制(严禁投加PAM)。沉淀的对象主要为碎玻璃及悬浮物,淀淀池出水自流至中间水池处理,沉淀污泥经污泥泵排入污泥浓缩池处理。中间水池作为过滤泵的吸水池,同时也作为反冲洗水池使用。多介质过滤器设计流速为10m/h,过滤器内装石英沙及无烟煤双层滤料,上层无烟煤,下层石英砂,具有截污能力强,产水量大等特点。因过滤器经反洗后,表面滤膜被破坏,过滤效率明显降低,故反洗后宜采用低流速运行,以便滤膜的形成,同时提高过滤效率。过滤器采用碳钢制造,内用环氧树脂防腐,配有阀门,可实现设备运行、反洗自动运行。多介质过滤器主要去除水中的悬浮物。活性炭过滤器采用底部曝气生物活性炭上浮式过滤方式,生物活性炭滤池具有空床接触时间短、占地面积小、处理效率高等优点。生物活性炭滤池依靠载体上固定生长的大量微生物体对有机物的分解和对氨氮的硝化从而去除水中的污染物,因此凡是影响微生物生长代谢活性的因素,例如温度、溶解氧、辐射、营养物质及一些有毒的化学物质等,都会影响生物活性炭滤池的运行效果。生物活性炭滤池对有机物的去除率在20%以上。过滤器采用碳钢制造,内用环氧树脂防腐,配有阀门,可实现设备运行、清洗自动运行。活性炭过滤器主要去除水中的有机物。研磨废水有可能含有少量清洗剂,故活性炭过滤器的位置预留。废水经处理后再流经盘式过滤器或袋式过滤器、精密过滤...

1、当您付费下载文档后,您只拥有了使用权限,并不意味着购买了版权,文档只能用于自身使用,不得用于其他商业用途(如 [转卖]进行直接盈利或[编辑后售卖]进行间接盈利)。
2、本站所有内容均由合作方或网友上传,本站不对文档的完整性、权威性及其观点立场正确性做任何保证或承诺!文档内容仅供研究参考,付费前请自行鉴别。
3、如文档内容存在违规,或者侵犯商业秘密、侵犯著作权等,请点击“违规举报”。

碎片内容

某废水处理及回收方案设计

确认删除?
VIP
微信客服
  • 扫码咨询
会员Q群
  • 会员专属群点击这里加入QQ群
客服邮箱
回到顶部