电脑桌面
添加小米粒文库到电脑桌面
安装后可以在桌面快捷访问

塑钢门窗工程质量检查表VIP免费

塑钢门窗工程质量检查表_第1页
1/4
塑钢门窗工程质量检查表_第2页
2/4
塑钢门窗工程质量检查表_第3页
3/4
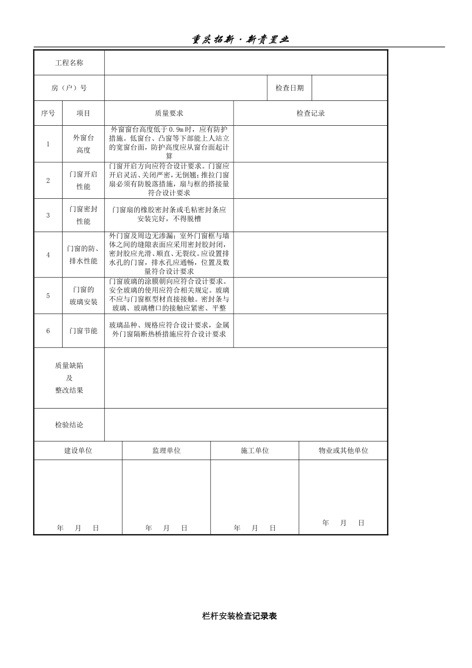
重庆拓新·新贵置业塑钢门窗工程质量检查表工程名称栋号检查日期检查部位序号检验项目验收规范规定工程质量检查情况应得分实得分1主控项目门窗质量品种、类型、规格、尺寸、性能、开启方向、安装位置、连接方式、型材壁厚、防腐处理及嵌填、密封处理必须符合设计要求102框和副框安装、预埋件安装牢固,预埋件的数量、位置、埋设方式、与框的连接方式必须符合设计要求103门窗扇安装安装牢固,开关灵活、关闭严密,无倒翘,推拉门窗必须有防脱落措施104配件与墙体间缝隙配件型号、规格、数量符合设计要求,安装牢固,位置正确,功能满足使用要求51一般项目表面质量洁净、平整、光滑、色泽一致、无锈蚀;大面无划痕、碰伤;漆膜或保护层应连续52推拉扇开关应力不大于100N53框与墙体间缝隙嵌填饱满,并采用密封胶密封,密封胶表面光滑、顺直无裂纹54扇或毛毡密封条安装完好,不得脱槽55排水孔畅通、位置和数量符合设计要求5序号实测项目允许偏差mm各检查点(处、件)偏差值合格率应得分实得分1一般项目门窗槽口宽度、高度≤1500mm210>1500mm32门窗槽口对角线长度差≤2000mm310>2000mm53门窗框的正、侧面垂直度3104门窗横框的水平度310总分100备注一、实测项目各项得分按合格率的高低来评分,具体办法如下:1.合格率≥90%,该实项得分为满分;2.合格率80%(含)~90%,该实项得分=应得分×90%;3.合格率<80%,该实项得分为0分;二、检查时如未进行全检,只对“检查内容”中某些项进行了检查,那么最后实得总分应为检查项目实得分之和与应得分之和的百分比中的分子数。检查人项目部受检人门窗安装检查记录表重庆拓新·新贵置业工程名称房(户)号检查日期序号项目质量要求检查记录1外窗台高度外窗窗台高度低于0.9m时,应有防护措施。低窗台、凸窗等下部能上人站立的宽窗台面,防护高度应从窗台面起计算2门窗开启性能门窗开启方向应符合设计要求。门窗应开启灵活、关闭严密,无倒翘;推拉门窗扇必须有防脱落措施,扇与框的搭接量符合设计要求3门窗密封性能门窗扇的橡胶密封条或毛粘密封条应安装完好,不得脱槽4门窗的防、排水性能外门窗及周边无渗漏;室外门窗框与墙体之间的缝隙表面应采用密封胶封闭,密封胶应光滑、顺直、无裂纹。应设置排水孔的门窗,排水孔应通畅,位置及数量符合设计要求5门窗的玻璃安装门窗玻璃的涂膜朝向应符合设计要求。安全玻璃的使用应符合相关规定。玻璃不应与门窗框型材直接接触。密封条与玻璃、玻璃槽口的接触应紧密、平整6门窗节能玻璃品种、规格应符合设计要求,金属外门窗隔断热桥措施应符合设计要求质量缺陷及整改结果检验结论建设单位监理单位施工单位物业或其他单位年月日年月日年月日年月日栏杆安装检查记录表重庆拓新·新贵置业工程名称房(户)号检查日期序号项目质量要求检查记录1栏杆安装栏杆安装必须牢固2栏杆高度、栏杆间距栏杆高度必须满足设计要求。当设计无要求时,临空处栏杆净高,六层及六层以下不应低于1.05m,七层及七层以上不应低于1.10m。防护栏杆的垂直杆件间净距不应大于0.11m3防攀爬措施栏杆应采用防止少年儿童攀登的构造4栏板玻璃承受水平荷载的栏板玻璃应使用公称厚度不小于12mm的钢化玻璃或公称厚度不小于16.76mm钢化夹层玻璃。当栏板玻璃最低点离一侧楼地面高度在3m或3m以上、5m或5m以下时,应使用公称厚度不小于16.76mm钢化夹层玻璃。当栏板玻璃最低点离一侧楼地面高度大于5m时,不得使用承受水平荷载的栏板玻璃。不承受水平荷载的栏板玻璃应符合施工质量验收规范的要求质量缺陷及整改结果检验结论建设单位监理单位施工单位物业或其他单位年月日年月日年月日年月日塑钢门窗安装检查表工程名称栋号检查日期检查部位重庆拓新·新贵置业项次实测项目允许偏差(mm)各检查点偏差值合格率备注1门窗槽口宽度、高度≤1500mm2>1500mm32门窗槽口对角线长度差≤2000mm3>2000mm53门窗框的正、侧面垂直度34门窗横框的水平度35门窗横框标高56门窗竖向偏离中心57双层门窗内外框间距48同樘平开门窗相邻扇高度差26平开门窗铰链部位配合间隙+2;-11O推拉门窗扇与框搭接量+1.5;-2.511推拉门窗扇与竖框平行度2

1、当您付费下载文档后,您只拥有了使用权限,并不意味着购买了版权,文档只能用于自身使用,不得用于其他商业用途(如 [转卖]进行直接盈利或[编辑后售卖]进行间接盈利)。
2、本站所有内容均由合作方或网友上传,本站不对文档的完整性、权威性及其观点立场正确性做任何保证或承诺!文档内容仅供研究参考,付费前请自行鉴别。
3、如文档内容存在违规,或者侵犯商业秘密、侵犯著作权等,请点击“违规举报”。

碎片内容

塑钢门窗工程质量检查表

您可能关注的文档

书海行舟+ 关注
实名认证
内容提供者

热爱教学事业,对互联网知识分享很感兴趣

确认删除?
VIP
微信客服
  • 扫码咨询
会员Q群
  • 会员专属群点击这里加入QQ群
客服邮箱
回到顶部