电脑桌面
添加小米粒文库到电脑桌面
安装后可以在桌面快捷访问

预应力混凝土连续梁预应力孔道VIP免费

预应力混凝土连续梁预应力孔道_第1页
1/7
预应力混凝土连续梁预应力孔道_第2页
2/7
预应力混凝土连续梁预应力孔道_第3页
3/7
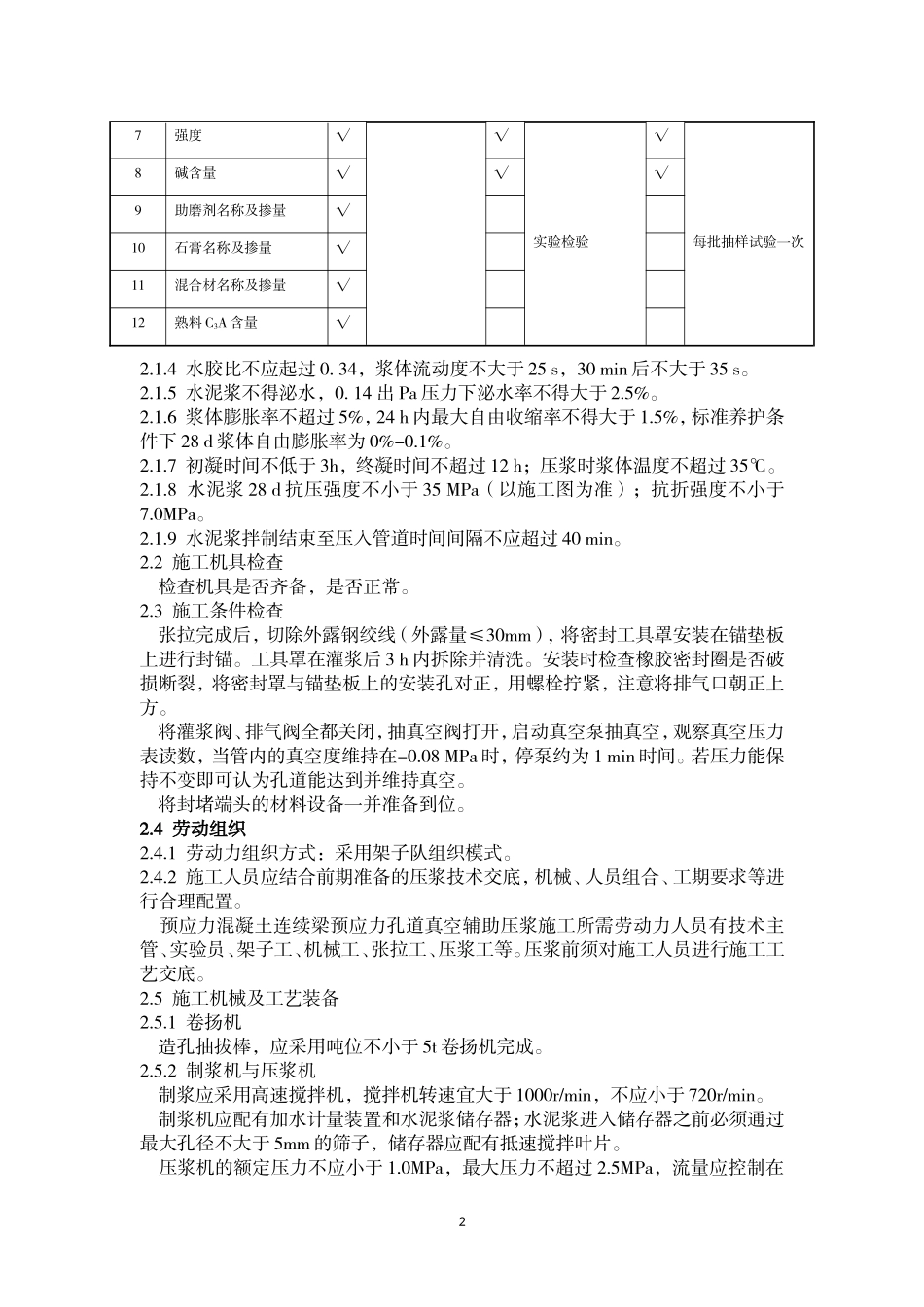
预应力混凝土连续梁预应力孔道真空辅助压浆作业技术交底书1适用范围本作业指导书适用于预应力混凝土连续梁后张梁预应力体系的孔道成孔(波纹管及抽拔管)及真空辅助压浆施工。2作业准备2.1材料要求水泥浆技术要求:2.1.1水泥浆应采用强度等级不低于42.5级的低碱硅酸盐水泥或低碱普通硅酸盐水泥,其质量应符合表2.1.1-1和表2.1.1-2的要求。表2.1.1-1水泥的技术指标序号项目技术要求1比表面积≤350m2/kg(硅酸盐水泥、抗硫酸盐硅酸盐水泥)280µ出方孔筛筛余≤10.0%(普通硅酸盐水泥)3游离氧化钙含量≤1.0%4碱含量≤0.80%5熟料中的C3A含量≤8%,氯盐环境下≤10%6氯离子含量≤0.10%(钢筋混凝土),≤0.06%(预应力混凝)注:(l)当骨料具有碱硅酸反应活性时,水泥的碱含量不应超过0.6%。(2)C40及以上混凝土用水泥的碱含量不宜超过0.60%。2.1.2孔道压浆宜采用饮用水。当采用其他水源时,水质应符合要求。2.1.3浆体中应掺入真空压浆助剂。真空压浆助剂应具有碱水、微膨胀和增加浆体和易性等作用,含有机渗透迁移性阻锈剂,但不得含有对预应力筋有害的物质尤其不得含有氯化物和亚硝酸盐等腐蚀性介质,膨胀成分严禁含有铝粉;压浆助剂应参照生产企业的企业标准进行验收,并符合上述要求。表2.1.1-2水泥的检验要求序号检验项目检验要求质量证明文件检查抽样试验检验1烧失量√每厂家、每品种、每批号检查供应商提供的质量证明文件。全部检查√下列情况之一时,检验一次:1.任何新选货源;2.使用同厂家、同品种、同批号的水泥达三个月及出厂日期达三个月的水泥。同厂家、同品种、同批号、同强度等级、同出厂日期且连续进场的散装水泥每500t(袋装水泥每200t)为一批,不足上述数量时也按一批计。2氧化镁√√3三氧化二硫√√4细度√√√5凝结时间√√√6安定性√√√1实验检验每批抽样试验一次7强度√√√8碱含量√√√9助磨剂名称及掺量√10石膏名称及掺量√11混合材名称及掺量√12熟料C3A含量√2.1.4水胶比不应起过0.34,浆体流动度不大于25s,30min后不大于35s。2.1.5水泥浆不得泌水,0.14出Pa压力下泌水率不得大于2.5%。2.1.6浆体膨胀率不超过5%,24h内最大自由收缩率不得大于1.5%,标准养护条件下28d浆体自由膨胀率为0%-0.1%。2.1.7初凝时间不低于3h,终凝时间不超过12h;压浆时浆体温度不超过35℃。2.1.8水泥浆28d抗压强度不小于35MPa(以施工图为准);抗折强度不小于7.0MPa。2.1.9水泥浆拌制结束至压入管道时间间隔不应超过40min。2.2施工机具检查检查机具是否齐备,是否正常。2.3施工条件检查张拉完成后,切除外露钢绞线(外露量≤30mm),将密封工具罩安装在锚垫板上进行封锚。工具罩在灌浆后3h内拆除并清洗。安装时检查橡胶密封圈是否破损断裂,将密封罩与锚垫板上的安装孔对正,用螺栓拧紧,注意将排气口朝正上方。将灌浆阀、排气阀全都关闭,抽真空阀打开,启动真空泵抽真空,观察真空压力表读数,当管内的真空度维持在-0.08MPa时,停泵约为1min时间。若压力能保持不变即可认为孔道能达到并维持真空。将封堵端头的材料设备一并准备到位。2.4劳动组织2.4.1劳动力组织方式:采用架子队组织模式。2.4.2施工人员应结合前期准备的压浆技术交底,机械、人员组合、工期要求等进行合理配置。预应力混凝土连续梁预应力孔道真空辅助压浆施工所需劳动力人员有技术主管、实验员、架子工、机械工、张拉工、压浆工等。压浆前须对施工人员进行施工工艺交底。2.5施工机械及工艺装备2.5.1卷扬机造孔抽拔棒,应采用吨位不小于5t卷扬机完成。2.5.2制浆机与压浆机制浆应采用高速搅拌机,搅拌机转速宜大于1000r/min,不应小于720r/min。制浆机应配有加水计量装置和水泥浆储存器;水泥浆进入储存器之前必须通过最大孔径不大于5mm的筛子,储存器应配有抵速搅拌叶片。压浆机的额定压力不应小于1.0MPa,最大压力不超过2.5MPa,流量应控制在21-2mm3/h,浆液质量好,结构简单,易于操作,便于移动,清洗方便。2.5.3GLB3型螺杆式灌浆泵螺杆式灌浆泵是一种新型高效的灌浆设备,属内啮合的密封式螺杆泵,由定子与转子构成的密封线,将吸入腔隔开,使泵具有阀门的间断作用,因此具有吸入性能好、泵压稳、扰...

1、当您付费下载文档后,您只拥有了使用权限,并不意味着购买了版权,文档只能用于自身使用,不得用于其他商业用途(如 [转卖]进行直接盈利或[编辑后售卖]进行间接盈利)。
2、本站所有内容均由合作方或网友上传,本站不对文档的完整性、权威性及其观点立场正确性做任何保证或承诺!文档内容仅供研究参考,付费前请自行鉴别。
3、如文档内容存在违规,或者侵犯商业秘密、侵犯著作权等,请点击“违规举报”。

碎片内容

预应力混凝土连续梁预应力孔道

您可能关注的文档

确认删除?
VIP
微信客服
  • 扫码咨询
会员Q群
  • 会员专属群点击这里加入QQ群
客服邮箱
回到顶部