电脑桌面
添加小米粒文库到电脑桌面
安装后可以在桌面快捷访问

钢结构计算初 有用VIP免费

钢结构计算初  有用_第1页
1/5
钢结构计算初  有用_第2页
2/5
钢结构计算初  有用_第3页
3/5
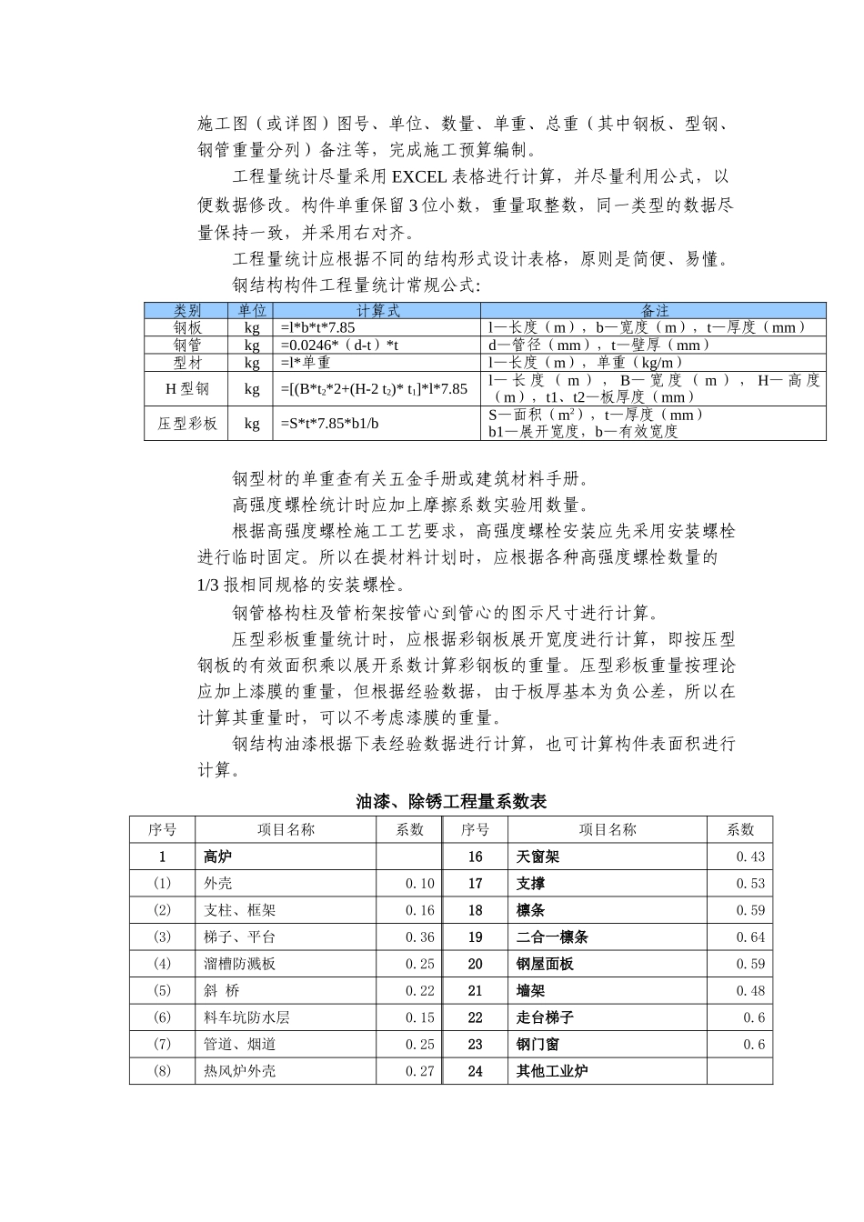
1钢结构施工预算工程量统计1.1施工预算编制依据施工图及施工详图、承揽合同、设计变更、材料代用等。1.2施工预算编制要求一套施工图编一份施工预算、按规定标准表格一一准确填写(见附表《钢结构制作安装工程施工预算工程量统计表》及《钢结构制作安装工程施工预算工程量计算式》)。1.3钢结构工程量计算规则(1)钢结构制作按施工图图示尺寸以吨计算工程量,不扣除孔眼、切边的重量,焊条、铆钉、螺栓等重量已包括在定额内不另计算重量。在计算不规则或多边形钢板重量时均以其最长边乘以最大宽度的矩形面积计算。(2)厂房钢结构实腹柱、吊车梁、H型钢按施工图图示尺寸计算,其中腹板及翼板宽度按图示尺寸每边增加25mm计算。(3)厂房钢结构制动梁的制作工程量包括制动梁、制动桁架、制动板重量。(4)厂房钢结构墙架的制作工程量包括墙架柱、墙架梁及连接柱杆件重量(不包括山墙防风桁架)。(5)厂房钢结构钢柱制作工程量包括依附于钢柱上的牛腿及悬臂梁重量。(6)厂房钢结构轨道制作工程量。只计算轨道本身重量,不包括轨道垫板、压板、斜垫、夹板及连接角钢等重量。(7)厂房钢结构铁栏杆制作按工业厂房中平台、操作台的钢栏杆图示尺寸计算重量(民用建筑的铁栏杆不包括在该项)。(8)钢漏斗制作工程量。金属漏斗按排版图示尺寸以吨计算,不扣除上人孔、检查孔、清扫孔的面积。矩形按图示分片,园型按图示展开尺寸,并依钢板宽度分段计算。每段均以其上口长度(园型以分段展开上口长度)与钢板宽度,按矩形计算,依附漏斗的型钢并入漏斗重量内计算。(9)各种钢门的五金铁件(包括折页、门轴、门栓、插销等)重量不另计算;推拉钢门及防护门的滑轨、滑轮应另计重量。(10)钢结构安装(含运输)工程量等于钢结构工程量,所需螺栓、电焊条等重量不另计算。(11)钢结构高强螺栓、剪力栓钉均按套计算。1.4怎样编制钢结构施工预算注意事项按钢结构施工预算编制依据、编制要求、工程量计算规则及计算结果,准确无误的逐一填入钢结构件名称、构件部位、构件编号、材质、施工图(或详图)图号、单位、数量、单重、总重(其中钢板、型钢、钢管重量分列)备注等,完成施工预算编制。工程量统计尽量采用EXCEL表格进行计算,并尽量利用公式,以便数据修改。构件单重保留3位小数,重量取整数,同一类型的数据尽量保持一致,并采用右对齐。工程量统计应根据不同的结构形式设计表格,原则是简便、易懂。钢结构构件工程量统计常规公式:类别单位计算式备注钢板kg=l*b*t*7.85l—长度(m),b—宽度(m),t—厚度(mm)钢管kg=0.0246*(d-t)*td—管径(mm),t—壁厚(mm)型材kg=l*单重l—长度(m),单重(kg/m)H型钢kg=[(B*t2*2+(H-2t2)*t1]*l*7.85l—长度(m),B—宽度(m),H—高度(m),t1、t2—板厚度(mm)压型彩板kg=S*t*7.85*b1/bS—面积(m2),t—厚度(mm)b1—展开宽度,b—有效宽度钢型材的单重查有关五金手册或建筑材料手册。高强度螺栓统计时应加上摩擦系数实验用数量。根据高强度螺栓施工工艺要求,高强度螺栓安装应先采用安装螺栓进行临时固定。所以在提材料计划时,应根据各种高强度螺栓数量的1/3报相同规格的安装螺栓。钢管格构柱及管桁架按管心到管心的图示尺寸进行计算。压型彩板重量统计时,应根据彩钢板展开宽度进行计算,即按压型钢板的有效面积乘以展开系数计算彩钢板的重量。压型彩板重量按理论应加上漆膜的重量,但根据经验数据,由于板厚基本为负公差,所以在计算其重量时,可以不考虑漆膜的重量。钢结构油漆根据下表经验数据进行计算,也可计算构件表面积进行计算。油漆、除锈工程量系数表序号项目名称系数序号项目名称系数1高炉16天窗架0.43(1)外壳0.1017支撑0.53(2)支柱、框架0.1618檩条0.59(3)梯子、平台0.3619二合一檩条0.64(4)溜槽防溅板0.2520钢屋面板0.59(5)斜桥0.2221墙架0.48(6)料车坑防水层0.1522走台梯子0.6(7)管道、烟道0.2523钢门窗0.6(8)热风炉外壳0.2724其他工业炉2焦炉(1)≤10t0.32(1)支柱0.21(2)≤50t0.22(2)拉杆0.2025其他工业窑0.3(3)两侧操作台0.4226整体罐3均热炉0.30(1)≤5t0.184环形加热炉0.42(2)≤10t0.145罩式炉0.2827解体罐0.276缓冷炉、化铁炉0.322...

1、当您付费下载文档后,您只拥有了使用权限,并不意味着购买了版权,文档只能用于自身使用,不得用于其他商业用途(如 [转卖]进行直接盈利或[编辑后售卖]进行间接盈利)。
2、本站所有内容均由合作方或网友上传,本站不对文档的完整性、权威性及其观点立场正确性做任何保证或承诺!文档内容仅供研究参考,付费前请自行鉴别。
3、如文档内容存在违规,或者侵犯商业秘密、侵犯著作权等,请点击“违规举报”。

碎片内容

钢结构计算初 有用

您可能关注的文档

确认删除?
VIP
微信客服
  • 扫码咨询
会员Q群
  • 会员专属群点击这里加入QQ群
客服邮箱
回到顶部