电脑桌面
添加小米粒文库到电脑桌面
安装后可以在桌面快捷访问

水暖管道安装支吊架重量计算VIP免费

水暖管道安装支吊架重量计算_第1页
1/6
水暖管道安装支吊架重量计算_第2页
2/6
水暖管道安装支吊架重量计算_第3页
3/6
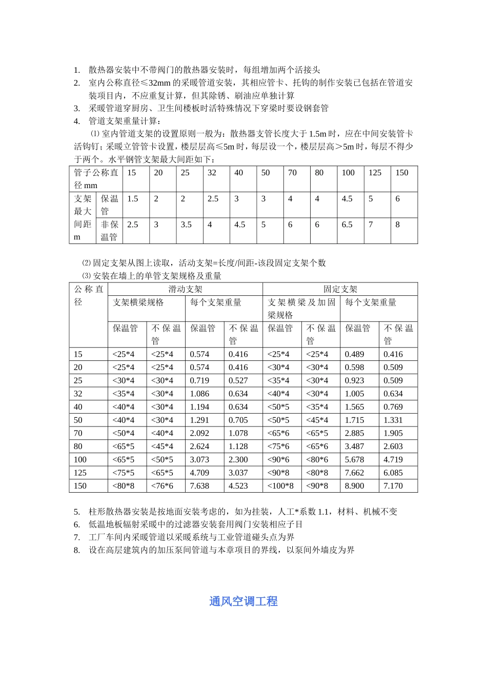
室内给排水1.冷热水淋浴器工程量计算的位置为水平管与支管的交接处2.冷热水洗脸盆给水为给水管与支管的交接处,排水管以排水管出地面10cm3.座便器给水以角阀为界,排水以出地面10cm4.一般计算规则中建筑物外墙皮1.5米为室内部分5.室内DN32及以内给水已包括管卡及托钩制作安装6.台式洗脸盆(浴盆)安装不包括台板及支架7.铸铁排水管、塑料排水管均包括管卡及托吊架、透气帽制作安装8.螺纹水表组成与安装中已包括了相应的螺纹闸阀安装,计算阀门安装工程量时不应重复计算9.管道支架工程量计算:⑴水平钢管支架最大间距见采暖专业工程⑵沿墙安装的单管托架,其规格、重量可参考表如下序号管径保温管托架不保温管托架支架型规格单个重量kg支架型规格单个重量kg1DN50<50*5,L=4103.68<50*5,L=4103.682DN70<60*6,L=4304.49<50*5,L=4303.783DN85<65*6,L=4404.82<50*5,L=4403.844DN100<76*6,L=4805.65<65*6,L=4805.185DN125槽钢8,L=5106.00<75*6,L=5105.916DN150槽钢8,L=5306.2槽钢8,L=5306.2⑶给水单立管支架,其规格、质量见下表序号管径扁钢规格和长度mm单重kg1DN15-20*3L=2700.142DN20-20*3L=2900.163DN25-20*3L=3100.174DN32-20*3L=3400.185DN40-20*3L=3600.196DN50-20*3L=4000.210.各种水箱安装均未包括连接管,可执行室内管道安装相应项目11.各类水箱均未包括支架制作安装,如为型钢支架,应执行第一册“一般管道支架”项目12.成品玻璃钢水箱安装按水箱容量执行钢板水箱安装项目,人工乘以系数0.913.水泵房中压力表自带1个DN15的蝶阀,1个水表弯14.水处理间离子交换器安装套用“化学工业设备安装工程”15.除污器安装套用工业管道安装工程消防工程1.室内消火栓安装项目中不包括消防按钮的安装,消防按钮应执行第一章相应项目另行计算2.室内消火栓组合卷盘安装,执行室内消火栓安装*1.23.阀门、法兰安装,各种套管制作安装,不锈钢管及管件,钢管和管件及泵间管道安装,管道系统强度试验、严密性试验和冲洗等,执行第六册工业管道工程4.消火栓管道、室外给水管道及水箱制作安装,执行第八册给排水工程5.各种仪表安装及带点讯号的阀门、水流指示器、压力开关、驱动装置及泄露报警开关的接线、校线等,执行第十册自动化仪表6.泡沫液储罐、设备支架制作、安装等,执行第五册静置设备与工艺金属结构制作安装7.设备及管道除锈、刷油及绝热工程,执行第十一册刷油防腐8.其他报警装置适用于雨淋、干湿两用及预作用报警装置9.设置于管道间、管廊内的管道、阀门(阀门、过滤器、伸缩节、水表等)其项目人工*1.3室内采暖工程1.散热器安装中不带阀门的散热器安装时,每组增加两个活接头2.室内公称直径≤32mm的采暖管道安装,其相应管卡、托钩的制作安装已包括在管道安装项目内,不应重复计算,但其除锈、刷油应单独计算3.采暖管道穿厨房、卫生间楼板时活特殊情况下穿梁时要设钢套管4.管道支架重量计算:⑴室内管道支架的设置原则一般为:散热器支管长度大于1.5m时,应在中间安装管卡活钩钉;采暖立管管卡设置,楼层层高≤5m时,每层设一个,楼层层高>5m时,每层不得少于两个。水平钢管支架最大间距如下:管子公称直径mm1520253240507080100125150支架最大间距m保温管1.5222.533444.556非保温管2.533.544.55666.578⑵固定支架从图上读取,活动支架=长度/间距-该段固定支架个数⑶安装在墙上的单管支架规格及重量公称直径滑动支架固定支架支架横梁规格每个支架重量支架横梁及加固梁规格每个支架重量保温管不保温管保温管不保温管保温管不保温管保温管不保温管15<25*4<25*40.5740.416<25*4<25*40.4890.41620<25*4<25*40.5740.416<30*4<30*40.5980.50925<30*4<30*40.7190.527<35*4<30*40.9230.50932<35*4<30*41.0860.634<40*4<30*41.0050.63440<40*4<30*41.1940.634<50*5<35*41.5650.76950<40*4<30*41.2910.705<50*5<45*41.7151.33170<50*4<40*42.0921.078<65*6<65*52.8851.90580<65*5<45*42.6241.128<75*6<65*63.4872.603100<65*5<50*53.0732.300<90*6<80*65.6784.719125<75*5<65*54.7093.037<90*8<80*87.6626.085150<80*8<76*67.6384.523<100*8<90*88.9007.1705.柱形散热器安装是按地面...

1、当您付费下载文档后,您只拥有了使用权限,并不意味着购买了版权,文档只能用于自身使用,不得用于其他商业用途(如 [转卖]进行直接盈利或[编辑后售卖]进行间接盈利)。
2、本站所有内容均由合作方或网友上传,本站不对文档的完整性、权威性及其观点立场正确性做任何保证或承诺!文档内容仅供研究参考,付费前请自行鉴别。
3、如文档内容存在违规,或者侵犯商业秘密、侵犯著作权等,请点击“违规举报”。

碎片内容

水暖管道安装支吊架重量计算

您可能关注的文档

书海行舟+ 关注
实名认证
内容提供者

热爱教学事业,对互联网知识分享很感兴趣

相关文档

确认删除?
VIP
微信客服
  • 扫码咨询
会员Q群
  • 会员专属群点击这里加入QQ群
客服邮箱
回到顶部