电脑桌面
添加小米粒文库到电脑桌面
安装后可以在桌面快捷访问

煤矿用照明信号综合保护装置使用的说明VIP免费

煤矿用照明信号综合保护装置使用的说明_第1页
1/11
煤矿用照明信号综合保护装置使用的说明_第2页
2/11
煤矿用照明信号综合保护装置使用的说明_第3页
3/11
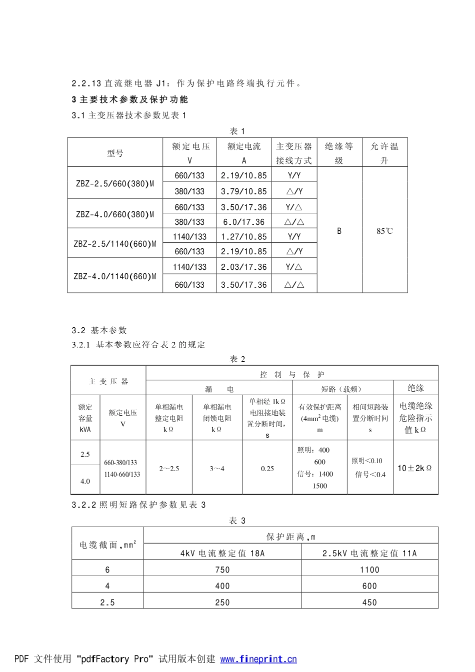
ZBZ-2.5(4.0)/660(380)MZBZ-2.5(4.0)/1140(660)M矿用隔爆型照明信号综合保护装置使用说明1适用范围、用途与功能1.1ZBZ系列矿用隔爆型照明信号综合保护装置(以下简称装置),装置适用于含有爆炸性气体(甲烷)混和物的煤矿井下,在127V的供电网络中,作照明及信号负载的电源控制之用,具有短路保护、漏电动作及电缆绝缘危险指示等功能。装置执行标准:Q/ZD07-2006《矿用隔爆型照明信号综合保护装置》及JB6312-92《矿用隔爆型煤电钻综合装置》。1.2产品分类1.2.1按变压器容量分:为2.5kVA和4.0kVA两种额定容量。1.2.2按额定控制电压分:为660(380)V及1140(660)V两种电压等级。1.2.3按主电路控制元件分:本系列装置为以交流接触器分断主电路的装置。1.3防爆型式及型号含义1.3.1防爆型式为:矿用隔爆型;防爆标志:ExdI;1.3.2型号含义:ZBZ□/□M照明信号额定电压额定容量;kVA综合PDF文件使用"pdfFactoryPro"试用版本创建www.fineprint.cn隔爆型装置1.4装置工作条件a)海拔不超过1000m;b)环境温度为-5~40℃;最高年平均气温20℃;c)空气相对湿度不大于95%(25℃时);d)在含有爆炸气体(甲烷)混和物的煤矿井下;e)与水平面的安装倾斜度不超过15°;f)在无显著摇动和冲击振动的地方;g)在无明显破坏绝缘的气体和蒸气的环境中;h)在无滴水及其它液体浸入的地方;i)安装类别:Ⅲ;污染等级:8级;2结构概述2.1本装置为外壳、干式变压器、保护三合一式结构。综合装置的隔爆外壳为圆筒形,具有凸出的底和盖。壳盖与壳体采用转盖止口结构。外壳上部有一接线箱作为引进引出电缆用。外壳右侧装有操作隔离开关的手柄、起动及停止按钮和检验短路、漏电保护系统是否有效的试验按钮,并有可靠的机械联锁装置,保证当隔离开关闭合时,壳盖打不开;壳盖打开时,隔离开关不能闭合。壳盖上方有一透视镜,可以从外面观察状态指示灯。2.2主要元件作用:2.2.1隔离开关1K:正常情况下仅作隔离电源之用,不允许带负荷操作。在故障状态下,可分断主变压器的6倍额定电流3次。2.2.2一次熔断器1RD、2RD:对主变压器作短路保护。2.2.3二次熔断器3RD、4RD:127V系统后备保护。2.2.4控制电路熔断路5RD:保护控制变压器。2.2.5交流接触器CJ用于控制127V负荷的通断。2.2.6电流互感器LHZa、LHZc用于照明系统保护取样。2.2.7电流互感器LHXa用于127V信号系统短路保护信号的取样。2.2.8主变压器ZB:127V动力电源。2.2.9控制变压器KB:综合装置保护系统的低压电源。2.2.10电子线路插件:由保护电器电子元件组成,用于实现装置各保护功能。2.2.11控制试验按钮QA、TA:用于控制负荷的接入和分断及试验装置保护功能是否正常。2.2.12发光二极管LED1~5:用于正常工作及故障状态指示。信○黄号照○红明运○绿行漏○红电绝○黄缘PDF文件使用"pdfFactoryPro"试用版本创建www.fineprint.cn2.2.13直流继电器J1:作为保护电路终端执行元件。3主要技术参数及保护功能3.1主变压器技术参数见表1表1型号额定电压V额定电流A主变压器接线方式绝缘等级允许温升660/1332.19/10.85Y/YZBZ-2.5/660(380)M380/1333.79/10.85△/Y660/1333.50/17.36Y/△ZBZ-4.0/660(380)M380/1336.0/17.36△/△1140/1331.27/10.85Y/YZBZ-2.5/1140(660)M660/1332.19/10.85△/Y1140/1332.03/17.36Y/△ZBZ-4.0/1140(660)M660/1333.50/17.36△/△B85℃3.2基本参数3.2.1基本参数应符合表2的规定表2控制与保护主变压器漏电短路(载频)绝缘额定容量kVA额定电压V单相漏电整定电阻kΩ单相漏电闭锁电阻kΩ单相经1kΩ电阻接地装置分断时间,s有效保护距离(4mm2电缆)m相间短路装置分断时间s电缆绝缘危险指示值kΩ2.54.0660-380/1331140-660/1332~2.53~40.25照明:400600信号:14001500照明<0.10信号<0.410±2kΩ3.2.2照明短路保护参数见表3表3保护距离,m电缆截面,mm24kV电流整定值18A2.5kV电流整定值11A6750110044006002.5250450PDF文件使用"pdfFactoryPro"试用版本创建www.fineprint.cn1.515030011002003.2.3信号短路保护参数见表4表4保护距离,m电缆截面,mm24kV电流整定值5.5A2.5kV电流整定值4.5A6180018004140015002.585011001.560075014005004电气原理本...

1、当您付费下载文档后,您只拥有了使用权限,并不意味着购买了版权,文档只能用于自身使用,不得用于其他商业用途(如 [转卖]进行直接盈利或[编辑后售卖]进行间接盈利)。
2、本站所有内容均由合作方或网友上传,本站不对文档的完整性、权威性及其观点立场正确性做任何保证或承诺!文档内容仅供研究参考,付费前请自行鉴别。
3、如文档内容存在违规,或者侵犯商业秘密、侵犯著作权等,请点击“违规举报”。

碎片内容

煤矿用照明信号综合保护装置使用的说明

您可能关注的文档

确认删除?
VIP
微信客服
  • 扫码咨询
会员Q群
  • 会员专属群点击这里加入QQ群
客服邮箱
回到顶部