电脑桌面
添加小米粒文库到电脑桌面
安装后可以在桌面快捷访问

桥台基础计算VIP免费

桥台基础计算_第1页
1/5
桥台基础计算_第2页
2/5
桥台基础计算_第3页
3/5
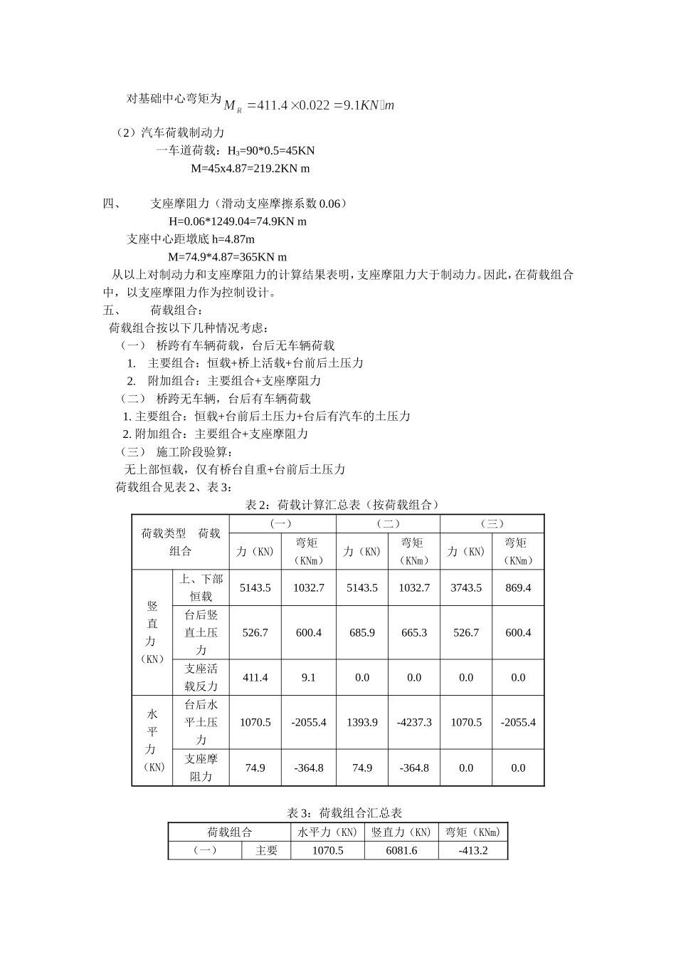
桥台基础计算:(1#桥台底标高为455.6m)一、荷载计算数据:(见表1)表1:恒载内力表项目竖向力N(KN)水平力H(KN)对基础底中心弯矩M(KN·m)桥面铺装243.7505.4防撞栏杆93.602.1梁板911.69020.1搭板150.93750135.8桥台台帽252.5072.2牛腿53.4375046.8台身1377.30252.1承台1640.600.0侧墙149.00195.2台前填土270.60303.0∑5143.501032.7二、水平土压力计算:1.台后水平土压力:台后填土按容重18.5KN/m3,内摩擦角φ=350考虑,则填土与墙背的摩擦角δ=φ/2=17.50,墙背倾斜角α=8.70,基底摩擦系数μ=0.4。路面到承台底高5.76m。按库伦土压力公式得台后水平土压力:由计算得库伦主动土压力系数带入得水平分量竖直分量水平分量距基础底高竖直分量距基础底中心水平分量对承台底中心弯矩竖直分量对承台底中心弯矩2.台后有车辆时的水平土压力计算:破坏棱体范围内可容纳的车轮重式中,带入得:破坏棱体宽,可布置2个车轮,Q=2*140=280KN计算长度L按车辆扩散长度考虑,取L0=1.8m,换算土层厚台后有车辆时的土压力为:水平分量竖直分量水平分量距基础底高竖直分量距基础底中心水平分量对承台底中心弯矩竖直分量对承台底中心弯矩三、支座活载反力及制动力计算:桥上有车,台后无车:(1)汽车荷载反力车辆荷载产生的最大支座反力汽车荷载支反力为支座反力作用点距基础中心距离为对基础中心弯矩为(2)汽车荷载制动力一车道荷载:H3=90*0.5=45KNM=45x4.87=219.2KNm四、支座摩阻力(滑动支座摩擦系数0.06)H=0.06*1249.04=74.9KNm支座中心距墩底h=4.87mM=74.9*4.87=365KNm从以上对制动力和支座摩阻力的计算结果表明,支座摩阻力大于制动力。因此,在荷载组合中,以支座摩阻力作为控制设计。五、荷载组合:荷载组合按以下几种情况考虑:(一)桥跨有车辆荷载,台后无车辆荷载1.主要组合:恒载+桥上活载+台前后土压力2.附加组合:主要组合+支座摩阻力(二)桥跨无车辆,台后有车辆荷载1.主要组合:恒载+台前后土压力+台后有汽车的土压力2.附加组合:主要组合+支座摩阻力(三)施工阶段验算:无上部恒载,仅有桥台自重+台前后土压力荷载组合见表2、表3:表2:荷载计算汇总表(按荷载组合)荷载类型荷载组合(一)(二)(三)力(KN)弯矩(KNm)力(KN)弯矩(KNm)力(KN)弯矩(KNm)竖直力(KN)上、下部恒载5143.51032.75143.51032.73743.5869.4台后竖直土压力526.7600.4685.9665.3526.7600.4支座活载反力411.49.10.00.00.00.0水平力(KN)台后水平土压力1070.5-2055.41393.9-4237.31070.5-2055.4支座摩阻力74.9-364.874.9-364.80.00.0表3:荷载组合汇总表荷载组合水平力(KN)竖直力(KN)弯矩(KNm)(一)主要1070.56081.6-413.2附加1145.46081.6-778.0(二)主要1393.95829.3-2539.3附加1468.85829.3-2904.1(四)1070.54270.2-585.6六、基础承载力验算:(一)基底压应力计算:1.建成后使用时(以荷载组合(二)中附加组合控制设计)2.施工时:(二)地基承载力验算:持力层为漂石,基本承载力,因基础埋置深度不深,故地基承载力不予修正,则:地基承载力满足要求七、基底偏心距验算:(一)仅受恒载时应满足,满足要求(二)考虑附加组合时,应满足,以荷载组合(二)的附加组合最不利,则:满足要求八、基础稳定性验算:1.抗倾覆稳定性验算:从表3可以看出,以荷载组合(二)最为不利主要组合:,满足要求附加组合:,满足要求2.抗滑动稳定性验算:因基底处地基土为漂石,查得,主要组合及附加组合均以组合(二)最不利,主要组合:满足要求附加组合:满足要求九、结论:通过计算可见,该桥台在地基承载力、偏心距及稳定性验算都能满足规范要求

1、当您付费下载文档后,您只拥有了使用权限,并不意味着购买了版权,文档只能用于自身使用,不得用于其他商业用途(如 [转卖]进行直接盈利或[编辑后售卖]进行间接盈利)。
2、本站所有内容均由合作方或网友上传,本站不对文档的完整性、权威性及其观点立场正确性做任何保证或承诺!文档内容仅供研究参考,付费前请自行鉴别。
3、如文档内容存在违规,或者侵犯商业秘密、侵犯著作权等,请点击“违规举报”。

碎片内容

桥台基础计算

书海行舟+ 关注
实名认证
内容提供者

热爱教学事业,对互联网知识分享很感兴趣

确认删除?
VIP
微信客服
  • 扫码咨询
会员Q群
  • 会员专属群点击这里加入QQ群
客服邮箱
回到顶部