电脑桌面
添加小米粒文库到电脑桌面
安装后可以在桌面快捷访问

自动扶梯安装标准VIP免费

自动扶梯安装标准_第1页
1/8
自动扶梯安装标准_第2页
2/8
自动扶梯安装标准_第3页
3/8
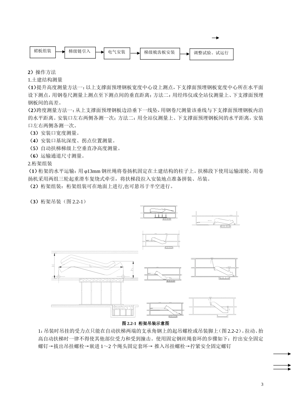
自动扶梯安装标准目录一.施工准备。1.材料2.机械设备3.作业条件4.技术准备二.操作工艺11.工艺流程2.操作方法三.质量标准1.主控项目2.一般项目四.成品保护五.需要注意的事项六.质量记录自动扶梯安装标准一、施工准备1)材料1.自动扶梯安装前必须进行开箱检查,并填写检验记录。对设备必须附有产品出厂合格证、安装及使用说明书等;电梯及辅助设备的铭牌齐全,外观检查无损伤及变形。设备安装前,要根据使用说明书,进行全部检查,方可安装。2.附件的规格、数量与装箱单相符。3.凡使用的材料要有出厂合格证或检验资料。2)机械设备1.安装器具:切割机、电焊机、曲线锯扳手、电锤、锤子、螺丝刀、真空吸盘、力矩扳手、电工工具、剥线钳、电烙铁、手电钻、开孔器、钢锯、组合螺丝刀、钢丝钳、橡皮锤、板锉、卡簧钳、手电筒等。2.吊半搬运机具:卷扬机、倒链、起重滑车、起重跨顶、撬扛、滑轮等。3.测试器具:经纬仪或全站仪(特殊工程使用)、水平仪300㎜钢板尺、1m钢板尺、绝缘电阻测试仪、接地电阻测试仪、数字万用表、塞尺、斜塞尺、水平尺、钢卷尺、线坠等。3)作业条件1.安装口内及四周无杂物、积水。2.扶梯上、下支撑面预埋钢板符合图纸要求。4)技术准备1.厂家及设计单位提供的技术资料及图纸齐全,编制施工方案,并经审批。2.对操作人员进行现场技术、安全交底。3.土建单位已提供明确的水平基准线标记和起止点。二、操作工艺1)工艺流程2扶手及扶手带安装减速机调整桁架定中心桁架组装土建结构测量导轨类调整2)操作方法1.土建结构测量(1)提升高度测量方法一:以上支撑面预埋钢板宽度中心设上测点,下支撑面预埋钢板宽度中心所在水平面设下测点,用钢卷尺测量上测点至下测点间的垂直距离;方法二:用经纬仪或全站仪测量上、下支撑面预埋钢板间的高差。(2)跨度测量方法一:从上支撑面预埋钢板边沿垂下一线坠,用钢卷尺测量该垂线与下支撑面预埋钢板内沿的水平距离。安装口左右两侧各测一次;方法二:用全站仪测量上、下支撑面预埋钢板间的水平距离,安装口左右两侧各测一次。(3)安装口宽度测量。(4)安装口基坑深度、拐点位置测量。(5)自动扶梯梯级上空垂直净高度测量。(6)运输通道尺寸测量。2.桁架组装(1)桁架的水平运输:用φ13mm钢丝绳将卷扬机固定在土建结构的柱子上。扶梯段下使用运输滚轮,用卷扬机采用两组三轮起重滑车复绕式牵引,将扶梯段拉入安装地点准备拼装、吊装。(2)桁架组装:桁架组装可在地面上进行,也可悬吊于半空进行。(3)桁架吊装(图2.2-1)图2.2-1桁架吊装示意图1:吊装时吊挂的受力点只能在自动扶梯两端的支承角钢上的起吊螺栓或吊装脚上(图2.2-2)。拉动、抬高自动扶梯时一律不得使其他部位受力和受到撞击。使用固定钢丝绳套环的步骤如下:拧出安全固定螺钉→拔出吊挂螺栓→嵌进1~2个绳头固定套环→推入吊挂螺栓→拧紧安全固定螺钉3裙板组装梯级链引入电气安装梯级梳齿板安装调整试验、试运行吊挂螺栓保护螺钉盖板(a)吊挂螺栓固定螺栓绳环支承角钢图2.2-2吊装受力点2:吊装顺序以设备地面运输进场所在楼层为基准。扶梯在基准层以上时:起吊最高层扶梯→起吊次高层扶梯→依次减低楼层直至基准层的上一层为止;扶梯在基准层以下时:起吊最底层扶梯,然后依次增加楼层吊装;最后吊装基准层扶梯。3.桁架定中心(1)以上下楼层土建提供的基准线为基准,在上下支撑面钢板上标识清楚中心基准位置。(2)将自动扶梯吊起移至安装口内使之就位,再在扶梯两端支承角钢与支撑面预埋钢板之间各放一个滚子(滚子用钢管制作),用来校正自动扶梯桁架中心线与支撑钢板上所标基准中心。当桁架中心线与支撑钢板上所标识的中心线调到同一直线时,用自动扶梯调整螺钉将自动扶梯顶起并取出滚子。(3)调整螺钉,使自动扶梯两端升降平台上的楼面盖板与装修好的楼面平齐,然后垫入垫片,松开调整螺钉,复查扶梯楼面盖板与装饰后楼面的高差,合格后将垫片点焊在支撑面钢板上。(4)用40mm×4mm角钢制作两个支架,分别置于机头、机尾。将Φ0.4~0.5mm钢丝固定在支架上用花兰调紧,钢丝左右位置与支撑钢板上的中心线一致。然后各安装尺寸以此线为...

1、当您付费下载文档后,您只拥有了使用权限,并不意味着购买了版权,文档只能用于自身使用,不得用于其他商业用途(如 [转卖]进行直接盈利或[编辑后售卖]进行间接盈利)。
2、本站所有内容均由合作方或网友上传,本站不对文档的完整性、权威性及其观点立场正确性做任何保证或承诺!文档内容仅供研究参考,付费前请自行鉴别。
3、如文档内容存在违规,或者侵犯商业秘密、侵犯著作权等,请点击“违规举报”。

碎片内容

自动扶梯安装标准

确认删除?
VIP
微信客服
  • 扫码咨询
会员Q群
  • 会员专属群点击这里加入QQ群
客服邮箱
回到顶部