电脑桌面
添加小米粒文库到电脑桌面
安装后可以在桌面快捷访问

工程项目建筑装饰装修工程监理实施细则VIP专享VIP免费

工程项目建筑装饰装修工程监理实施细则_第1页
1/16
工程项目建筑装饰装修工程监理实施细则_第2页
2/16
工程项目建筑装饰装修工程监理实施细则_第3页
3/16
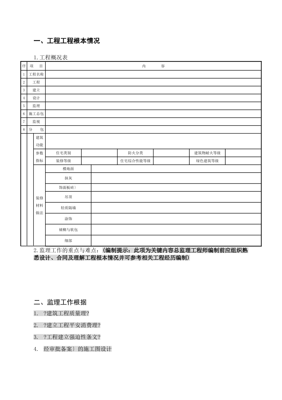
-----工程工程建筑装饰装修工程监理施行细那么编:工程(同规划)(细那么)-顺序自编总监理工程师:XXXXX工程咨询监理----目监理部----年---月说明:本版适用于北京地区住宅建筑内装修工程其它地区及其它类别工程可参照使用版本中“—〞及空白部应予填写完好阴影部应结合工程情况修订附录作为参考资料可修订后编入正文。其它部根据工程情况及新颁修订增删。外装修、门窗、幕墙等工程执行相应的版。目录一、工程根本情况二、监理工作根据三、监理工作程序四、过程控制措施五、质量监理要点附录一、工程工程根本情况1.工程概况表序项目内容1工程名称2工程3建立4设计5监理6施工总包7监视8分包建筑功能参数指标住宅类别防火分类建筑物耐火等级装修等级住宅综合性能等级绿色建筑等级装修材料做法楼地面抹灰饰面板砖〕吊顶轻质隔墙涂饰裱糊与软包细部2.监理工作的重点与难点:(编制提示:此项为关键内容总监理工程师编制前应组织熟悉设计、合同及理解工程根本情况并可参考相关工程经历编制)二、监理工作根据1.?建筑工程质量理?2.?建立工程平安消费理?3.?工程建立强迫性条文?4.经审批备案〕的施工图设计5.?监理规划质量方案〕?6.?住宅建筑?GB50368-20057.?住宅设计?GB50096-19992003版〕8.?建筑装饰装修工程施工质量验收?GB50210-20019.?建筑节能工程施工质量验收?GB50411-200710.?建筑地面工程施工及验收?GB50209-200211.?建筑地面设计?GB50037-9612.?民用建筑工程室内环境污染控制?GB50325-20012006版〕13.?建筑装修设计防火?GB50222-9514.?建筑设计防火?GB50016-200615.?高层民用建筑设计防火?GB50045-952005版〕16.?建筑装修防火施工及验收?GB50354-200517.?民用建筑隔声设计?GBJ118-8818.?住宅装饰装修工程施工?GB50327-200119.?建筑玻璃应用技术规程?JGJ113-200320.?预拌砂浆应用技术规程?DBJ01-99-200521.?建筑装饰石材应用技术规程?DB11/T512-200722.?轻骨料混凝土隔墙板施工技术规程?DB11/T491-200723.?建筑内墙用耐水腻子应用技术规程?DBJ01-48-200024.?民用建筑工程室内环境污染控制规程?DBJ01-91-200425.?高级建筑装饰工程质量验收?DBJ/T01-27-200326.?建筑安装分项工程施工工艺规程?DBJ/T01-26-200327.建筑构造通用图集28.“发布北京第五批制止和限制使用的建筑材料及施工工艺的〞京建材2007〕83729.“建立部发布建立事业“十一五〞推广应用和限制制止使用技术第一批〕的〞建立部第65930.?北京建立工程见证取样和送检理规定〕?的京建质2021〕231.?在部城限制止现场搅拌砂浆工作的?商改发[2007]205、?在本建立工程中使用预拌砂浆的?京建材[2006]23232.“开展建筑装修材料见证取样检验工作的告知书〞三、监理工作程序1.事前控制(1)核查施工的质量保证和质量理体系;(2)审查分包的资质;(3)工程工程监理机构由专业监理工程师对施工的检验、测量和试验设备的技术才能、理才能进展审查。(4)签认工程物资材料、构配件及设备〕的报验;(5)审核施工组织设计和主要分部项施工方案。(6)审查施工申报的试验方案。(7)检查施工进场的主要施工设备;2.事中控制:重点是工序质量的控制以工序质量控制为核心严格质量检查加强成品保护。(1)监理工程师对施工现场有目的地进展巡视检查;对施工过程关键工序、重点部位和关键控制点进展旁站;按有关规定开展见证取样送检及平行检验;对成品保护进展检查。对所发生的问题由监理工程师签发?监理?承包将整改措施及结果用书面回复监理工程师对整改结果进展验证。(2)核查工程预检:监理工程师对施工报送的“预检工程检查记录单〞的内容到现场进展抽查对不合格的工程进展整改、跟踪复查合格后准予进展下道工序。(3)验收隐蔽工程:监理工程师对施工自查合格后报送的“隐蔽工程检查记录〞的内容进展检测、核查对隐蔽不合格的工程监理工程师签发?不合格项处置记录?由施工整改合格后由监理工程师复查合格的隐蔽工程予以签认并准予进展下道工序。施工必须提早制订隐蔽工程验收方案并于验收前48小时上报工程监理机构。(4)隐蔽工程及检验批一次验收不合格的整改自检合格由总承包工程技术负责人进展二次报验、由工程监理部总监代表组织复验;二次报验仍不合格的整...

1、当您付费下载文档后,您只拥有了使用权限,并不意味着购买了版权,文档只能用于自身使用,不得用于其他商业用途(如 [转卖]进行直接盈利或[编辑后售卖]进行间接盈利)。
2、本站所有内容均由合作方或网友上传,本站不对文档的完整性、权威性及其观点立场正确性做任何保证或承诺!文档内容仅供研究参考,付费前请自行鉴别。
3、如文档内容存在违规,或者侵犯商业秘密、侵犯著作权等,请点击“违规举报”。

碎片内容

工程项目建筑装饰装修工程监理实施细则

确认删除?
VIP
微信客服
  • 扫码咨询
会员Q群
  • 会员专属群点击这里加入QQ群
客服邮箱
回到顶部