电脑桌面
添加小米粒文库到电脑桌面
安装后可以在桌面快捷访问

双脉冲电源说明书VIP免费

双脉冲电源说明书_第1页
1/9
双脉冲电源说明书_第2页
2/9
双脉冲电源说明书_第3页
3/9
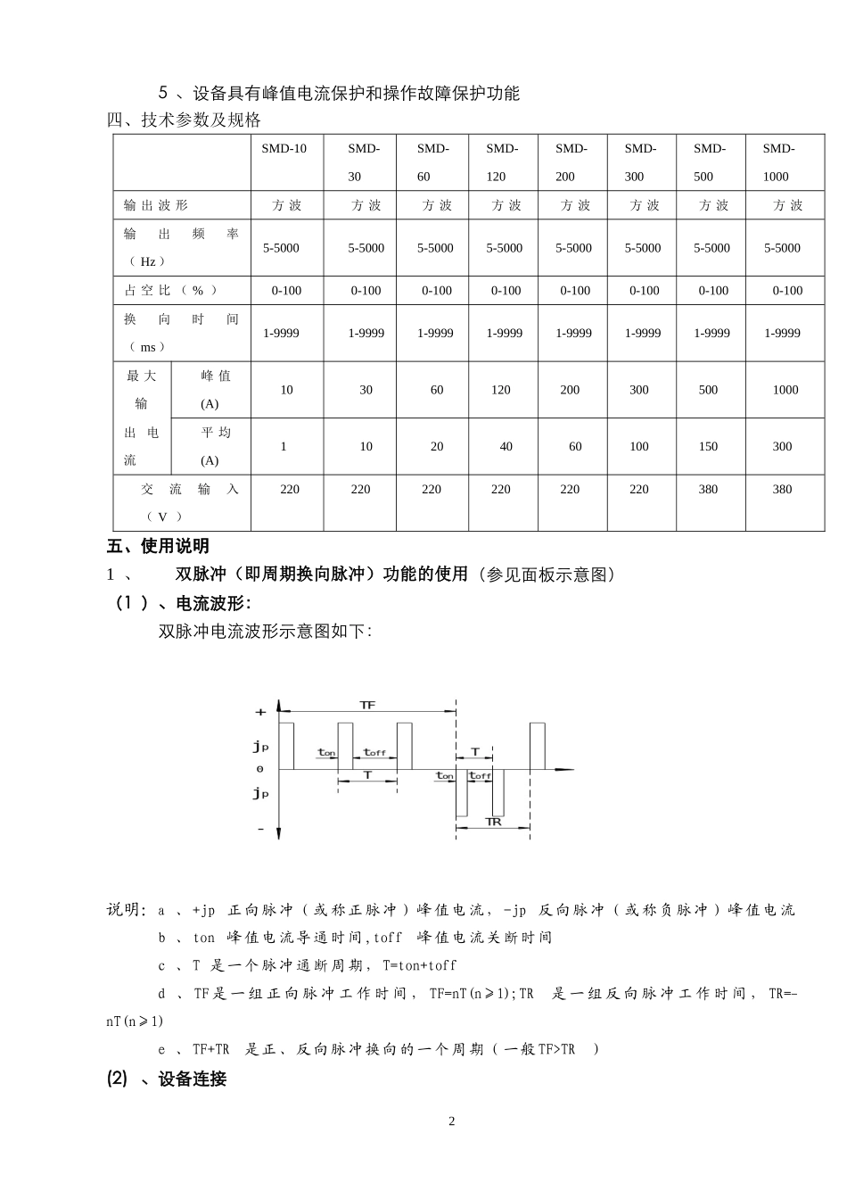
SMD型数控双脉冲电镀电源使用说明书邯郸市大舜电镀设备有限公司使用本机前请详细阅读此说明书一、概述:脉冲电镀所依据的电化学原理是:当电流导通时,电化学极化增大,阴极区附近金属离子充分被沉积,镀层结晶细致、光亮;当电流关断时,阴极区附近放电离子又恢复到初始浓度,浓差极化消除。SMD双脉冲电镀电源,即周期换向脉冲电镀电源(这里的“双”的含义指“双向”),它是在输出一组正向脉冲电流之后引入一组反向脉冲电流,正向脉冲持续时间长反向脉冲持续时间短,大幅度、短时间的反向脉冲所引起的高度不均匀阳极电流分布会使镀层凸处被强烈溶解而整平。与单脉冲电镀相比,双脉冲的突出优点表现在:1、反向脉冲电流明显改善了镀层的厚度分布而使镀层厚度均匀,并因溶解了阴极镀层上的毛刺而整平2、反向脉冲电流的阳极溶解使阴极表面金属离子浓度迅速回升,这有利于随后的阴极周期使用高的脉冲电流密度,而高的脉冲电流密度又使得晶核的形成速度大于晶体的生长速度,因而可以得到更加致密、光亮、孔隙率低的镀层3、反向脉冲电流的阳极剥离作用使镀层中有机杂质(含光亮剂)的夹附大大减少,因而镀层纯度高,抗变色能力强,这一点在氰化镀银中尤为突出4、反向脉冲电流使镀层中夹杂的氢发生氧化,从而可消除氢脆(如电沉积钯时反向脉冲可除去共沉积的氢)或减小内应力5、周期性的反向脉冲电流使镀件表面一直处于活化状态,因而可得到结合力好的镀层6、反向脉冲有利于减薄扩散层的实际厚度,提高阴极电流效率,因而合适的脉冲参数会使镀层沉积速度进一步加快7、在不允许或少量允许有添加剂的电镀体系中,双脉冲电镀可得到细致、平整、光洁度好的镀层所以,镀层的耐温、耐磨、焊接、韧性、防腐、导电率、抗变色、光洁度等性能指标成倍提高,并可大幅度节约稀贵金属(约20-50%),节约添加剂(如光亮氰化镀银约50-80%)。二、用途可用于镀金、银、稀有金属、镍、铜、锌、锡、铬及合金等;铜、镍等的电铸;电解电容的敷能;铝、钛等制品的阳极氧化;精密零件的电解抛光;蓄电池的充电等。三、特点1、设备兼有脉冲和换向的双重功能,为提高产品质量、节约原材料提供了强有力的手段2、机内装有同样性能的两组单脉冲电源,正、反向脉冲电流的参数均可单独调节,互不影响3、设备可同时做为两台单脉冲电源使用4、设备主要功能为输出毫秒级周期换向脉冲(简称双脉冲)电流,另外,还可输出同等参数的两组脉冲,两组直流,直流叠加脉冲,直流与脉冲换向,间断脉冲,对称或不对称方波交流电等多种波形15、设备具有峰值电流保护和操作故障保护功能四、技术参数及规格SMD-10SMD-30SMD-60SMD-120SMD-200SMD-300SMD-500SMD-1000输出波形方波方波方波方波方波方波方波方波输出频率(Hz)5-50005-50005-50005-50005-50005-50005-50005-5000占空比(%)0-1000-1000-1000-1000-1000-1000-1000-100换向时间(ms)1-99991-99991-99991-99991-99991-99991-99991-9999最大输峰值(A)1030601202003005001000出电流平均(A)110204060100150300交流输入(V)220220220220220220380380五、使用说明1、双脉冲(即周期换向脉冲)功能的使用(参见面板示意图)(1)、电流波形:双脉冲电流波形示意图如下:说明:a、+jp正向脉冲(或称正脉冲)峰值电流,-jp反向脉冲(或称负脉冲)峰值电流b、ton峰值电流导通时间,toff峰值电流关断时间c、T是一个脉冲通断周期,T=ton+toffd、TF是一组正向脉冲工作时间,TF=nT(n≥1);TR是一组反向脉冲工作时间,TR=-nT(n≥1)e、TF+TR是正、反向脉冲换向的一个周期(一般TF>TR)(2)、设备连接2参见面板示意图,从面板方向看,左边一组为正向脉冲,右边一组为反向脉冲。左边一组红、黑接线柱分别与右边一组黑、红接线柱相连(此连接在设备出厂时已完成,接线柱在机箱背面)。左边一组红、黑接线柱分别接镀槽的阳、阴极,即完成设备的连接。注意:此时两台单脉冲电源串联,属短路接法。(3)、正、反向脉冲通断时间的设置正、反向脉冲的导通时间ton和关断时间toff均为1×0.1ms,2×0.1ms,3×0.1ms,……,999×0.1ms,拨“+”号加1,拨“—”号去1。例如:设置ton为0.2ms,则选择ton的拨码...

1、当您付费下载文档后,您只拥有了使用权限,并不意味着购买了版权,文档只能用于自身使用,不得用于其他商业用途(如 [转卖]进行直接盈利或[编辑后售卖]进行间接盈利)。
2、本站所有内容均由合作方或网友上传,本站不对文档的完整性、权威性及其观点立场正确性做任何保证或承诺!文档内容仅供研究参考,付费前请自行鉴别。
3、如文档内容存在违规,或者侵犯商业秘密、侵犯著作权等,请点击“违规举报”。

碎片内容

双脉冲电源说明书

确认删除?
VIP
微信客服
  • 扫码咨询
会员Q群
  • 会员专属群点击这里加入QQ群
客服邮箱
回到顶部