电脑桌面
添加小米粒文库到电脑桌面
安装后可以在桌面快捷访问

铝板幕墙质量技术交底VIP免费

铝板幕墙质量技术交底_第1页
1/4
铝板幕墙质量技术交底_第2页
2/4
铝板幕墙质量技术交底_第3页
3/4
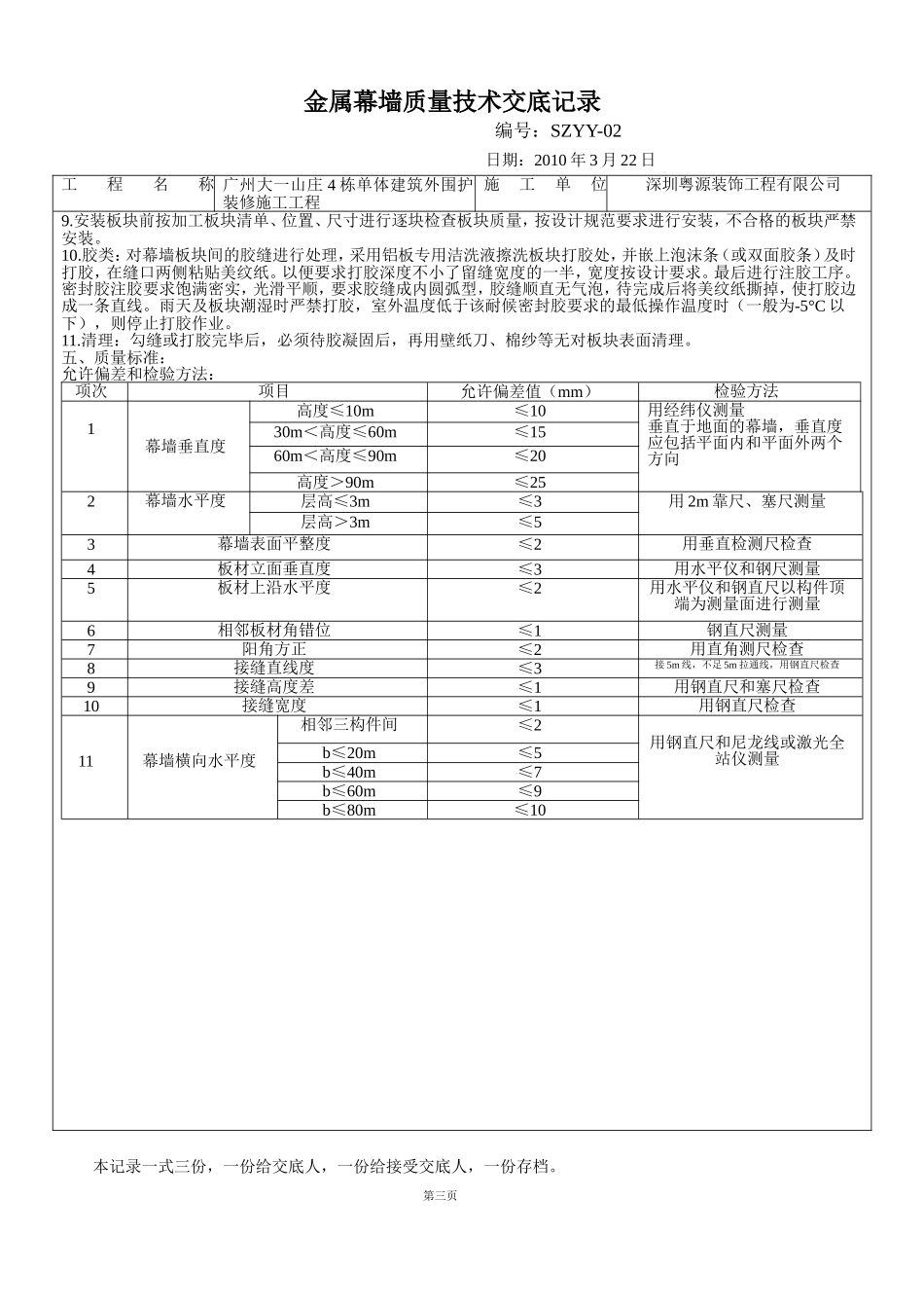
金属幕墙质量技术交底记录编号:SZYY-02日期:2010年3月22日本记录一式三份,一份给交底人,一份给接受交底人,一份存档。第一页工程名称广州大一山庄4栋单体建筑外围护装修施工工程施工单位深圳粤源装饰工程有限公司交底提要:铝板幕墙安装的施工准备、操作施工和技术要求,质量要求、成品保护。交底内容:一、施工准备1.熟悉图纸了解设计意图的质量要求及细部做法,认真查看图纸并全部领会,对照图纸与现场有不相同或不理解施工图纸,可向项目部和设计人员提出问题或意见,核对图纸无误后再进行施工。2.按施工指定现场地整齐整理堆放各种材料,组织施工机械的架设,安装与测试。3.勘察施工现场并与监理、业主、土建方、项目部确定设计标高线,并对设计标高进行三方签字确认。校对三方确认标高线并引至各层做好标记。并与土建方、监理、业主确定防雷连接端点。4.铝板、型材定货加工:按照设计确定的型材及铝板样品进行定货加工,必须注意加工质量,严格按照设计图纸要求进行加工,加工误差保证在允许偏差范围内。二、质量关键步骤:铝板板块分格放线必须准确,墙面洞口预留尺寸精准,防雷接地焊接搭线长度防锈处理符合设计及规范要求。立柱连接伸缩缝必须符合设计规范。铝板板块进场时需核对数量、规格、编号,并对安装的每块板块进行上墙前检查,避免铝板板块的划伤对质量的影响。三、施工工序流程按工艺分为:现场测量放样放线→检查验线→检查预埋件(安装锚栓)→安装后置预埋件→检查验收埋件→安装立柱→立柱检查调整后连接→安装横梁连接→检查连接角码焊接质量及防锈处理→安装防雷、防火层→隐蔽检查办理工序验收→铝板板块安装→安装收边、收口→自检检查板块安装质量报项目部验收→填充泡沫条→打胶检查→安装装饰线条→打胶检查及清理,班组自检→项目部检查验收。安装时注意立柱的垂直度、平整度保证在允许偏差范围内,连接点按照图纸要求进行连接点检查控制,角码与埋件焊接处,焊渣要清理干净,并刷一遍防锈红丹底漆和一遍富锌面漆。幕墙横梁安装要严格对照图纸尺寸加工孔位后,与立柱连接(或焊接牢固),调整支座螺栓,确保横梁安装水平度及垂直度。幕墙组件制作板块必须注意铝板尺寸偏差及对角线偏差,对于耐候胶粘接构件部位进行严格的净化处理,填充泡沫条时应注意泡沫条的填充深度要保持一致,符合设计及规范要求,打胶检查胶的品牌是否符合图纸要求,打胶时先在板块表面贴上美纹纸,打胶时注意打胶厚度保持一致,符合设计及规范要求。四、作业流程(一)、放控制线:1.组织技术人员对施工现场按照交底标高进行测量放线,按标高线要求在墙体上弹出1m水平控制线和每层板块分格标高线,并在墙上做好水平控制线桩。放线完毕后要进行自检,互检,最好会同项目部进行最后验线,确定无误后,方可进行下道工序。在全部放线过程中均采用水平仪、经纬仪和吊垂为测量工具。2.墙面基层处理:组织技术人员、施工人员先对施工范围的建筑基层表面划出预埋件位置,除去埋板位置所在的粱上金属幕墙质量技术交底记录编号:SZYY-02日期:2010年3月22日本记录一式三份,一份给交底人,一份给接受交底人,一份存档。第二页工程名称广州大一山庄4栋单体建筑外围护装修施工工程施工单位深圳粤源装饰工程有限公司(或砼结构)的水泥砂浆层或保温层,保证埋板安装在粱或砼结构上能平整贴合。(二)、锚栓安装与后置埋件1.钻孔:干净放线工提供的基准,确定埋板的位置后,将埋板上安装孔的位置准确标在梁或砼结构上,用电钻在标出的固定点时钻孔,孔直径与设计的锚栓钻孔直径相符。如在钻孔中碰到预埋钢筋等物体时应适量移位,避开钢筋的位置。2.植筋锚栓:用毛刷盒用气泵皮管深入已打孔中,将孔中灰沙反复掏出和吹冲干净,确保无灰沙后,把化学药剂或植胶置入孔中,将螺栓慢慢伸进后,将其摆正固定。锚栓植入深度以设计锚栓规格为准。(安置埋板前,必须对锚栓进行抗拉拔试验,并满足设计要求。)3.装埋板和角码:毛病通过埋设锚栓固定在粱或砼结构上,拧紧安装螺母,埋板安装后需进行合格检查。(三)、安装立柱、横梁、板块1.前期准备:在安装埋板的期间,组织人员对立柱进行下料打...

1、当您付费下载文档后,您只拥有了使用权限,并不意味着购买了版权,文档只能用于自身使用,不得用于其他商业用途(如 [转卖]进行直接盈利或[编辑后售卖]进行间接盈利)。
2、本站所有内容均由合作方或网友上传,本站不对文档的完整性、权威性及其观点立场正确性做任何保证或承诺!文档内容仅供研究参考,付费前请自行鉴别。
3、如文档内容存在违规,或者侵犯商业秘密、侵犯著作权等,请点击“违规举报”。

碎片内容

铝板幕墙质量技术交底

起跑线书城+ 关注
实名认证
内容提供者

热爱教学事业,对互联网知识分享很感兴趣

确认删除?
VIP
微信客服
  • 扫码咨询
会员Q群
  • 会员专属群点击这里加入QQ群
客服邮箱
回到顶部