电脑桌面
添加小米粒文库到电脑桌面
安装后可以在桌面快捷访问

内业资料范本VIP免费

内业资料范本_第1页
1/56
内业资料范本_第2页
2/56
内业资料范本_第3页
3/56
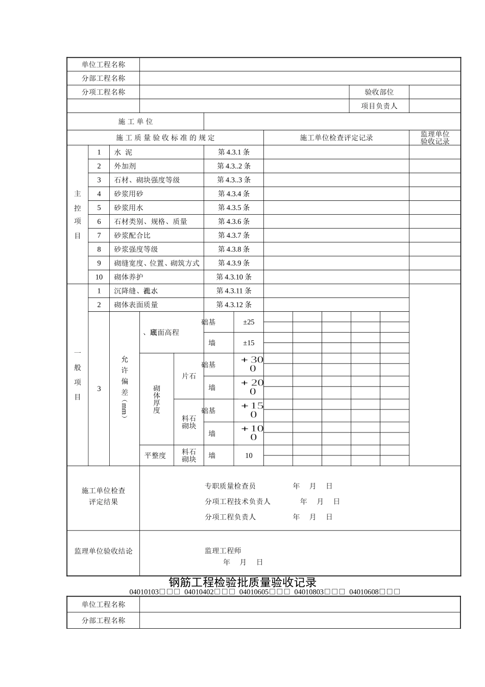
TA8工程报验申请表工程项目名称:新建西安至平凉铁路工程施工合同段:XPS-2标编号:致西平铁路工程项目西安铁一院监理公司监理站(项目监理机构)根据承包合同和设计文件的要求,我单位已完成下列施工项目并自检合格,报请检查。项目1:项目2:项目3::附件:自检资料。质量检查工程师(签字)日期监理工程师意见:专业监理工程师日期注:本表一式3份,承包单位2份,监理单位1份。一、隧道工程洞口开挖检验批质量验收记录表04010101□□□单位工程名称中咀二号隧道/永寿梁隧道Ⅰ线、Ⅱ线/太峪隧道分部工程名称分项工程名称验收部位施工单位项目负责人施工质量验收标准名称及编号《铁路隧道工程施工质量验收标准》TB10417—2003施工质量验收标准的规定施工单位检查评定记录监理单位验收记录主控项目1开挖尺寸边坡第4.2.1条仰坡2基底地基承载力端墙第4.2.2条翼墙挡土墙一般项目1洞门排水沟位置第4.2.3条深度坡度2洞门截水沟位置深度坡度施工单位检查评定结果专职质量检查员年月日分项工程技术负责人年月日分项工程负责人年月日监理单位验收结论监理工程师年月日砌体工程检验批质量验收记录表04010102□□□单位工程名称分部工程名称分项工程名称验收部位项目负责人施工单位施工质量验收标准的规定施工单位检查评定记录监理单位验收记录主控项目1水泥第4.3.1条2外加剂第4.3..2条3石材、砌块强度等级第4.3..3条4砂浆用砂第4.3.4条5砂浆用水第4.3.5条6石材类别、规格、质量第4.3.6条7砂浆配合比第4.3.7条8砂浆强度等级第4.3.8条9砌缝宽度、位置、砌筑方式第4.3.9条10砌体养护第4.3.10条一般项目1沉降缝、泄水孔、第4.3.11条2砌体表面质量第4.3.12条3允许偏差(mm)底、顶面高程基础±25墙±15砌体厚度片石基础墙料石砌块基础墙平整度料石砌块墙10施工单位检查评定结果专职质量检查员年月日分项工程技术负责人年月日分项工程负责人年月日监理单位验收结论监理工程师年月日钢筋工程检验批质量验收记录04010103□□□04010402□□□04010605□□□04010803□□□04010608□□□单位工程名称分部工程名称分项工程名称验收部位施工单位项目负责人施工质量验收标准名称及编号《铁路隧道工程施工质量验收标准》TB10417—2003施工质量验收标准的规定施工单位检查评定记录监理单位验收记录主控项目1钢筋材质第4.4.1条2钢筋品种、级别、规格、数量第4.4.2条3钢筋连接方式第4.4.3条4钢筋接头质量第4.4.4条5钢筋加工第4.4.5条一般项目1钢筋接头设置第4.4.7条2钢筋外观质量第4.4.9条3加工允许偏差(mm)受力钢筋全长L≤5000±10L>5000±20弯起筋弯折位置20箍筋内净尺寸±54安装允许偏差(mm)双排钢筋上下排间距±15同排受力筋水平间距拱部±10边墙±20分布钢筋间距±20箍筋间距±20钢筋保护层厚度施工单位检查评定结果专职质量检查员年月日分项工程技术负责人年月日分项工程负责人年月日监理单位验收结论监理工程师年月日洞口模板及支架检验批质量验收记录表04010104□□□单位工程名称分部工程名称分项工程名称验收部位施工单位项目负责人施工质量验收标准名称及编号《铁路隧道工程施工质量验收标准》TB10417—2003施工质量验收标准的规定施工单位检查评定记录监理单位验收记录主控项目1模板及支架材料质量、结构形式第4.5.1条2模板安装要求第4.5.2条3承重模板及支架拆除第4.5.3条一般项目1非承重模板拆除第4.5.6条2允许偏差(mm)模板轴线偏移15模板表面平整度5相邻模板高低差2底、顶面高程±103预留孔洞中心线位置10尺寸预埋件中心线位置3施工单位检查评定结果专职质量检查员年月日分项工程技术负责人年月日分项工程负责人年月日监理单位验收结论监理工程师年月日混凝土(原材料及配合比)检验批质量验收记录表(Ⅰ)04010105□□□04010403□□□04010405□□□04010406□□□04010407□□□04010608□□□04010804□□□单位工程名称分部工程名称分项工程名称验收部位施工单位项目负责人施工质量验收标准名称及编号《铁路隧道工程施工质量验收标准》TB10417—2003施工质量验收标准的规定施工单位检查评定记录监理单位验收记录主控项目1水泥第4.6.1条2细骨料第4.6.2条3粗骨料第4.6.3条4外加剂第...

1、当您付费下载文档后,您只拥有了使用权限,并不意味着购买了版权,文档只能用于自身使用,不得用于其他商业用途(如 [转卖]进行直接盈利或[编辑后售卖]进行间接盈利)。
2、本站所有内容均由合作方或网友上传,本站不对文档的完整性、权威性及其观点立场正确性做任何保证或承诺!文档内容仅供研究参考,付费前请自行鉴别。
3、如文档内容存在违规,或者侵犯商业秘密、侵犯著作权等,请点击“违规举报”。

碎片内容

内业资料范本

您可能关注的文档

确认删除?
VIP
微信客服
  • 扫码咨询
会员Q群
  • 会员专属群点击这里加入QQ群
客服邮箱
回到顶部