电脑桌面
添加小米粒文库到电脑桌面
安装后可以在桌面快捷访问

火力发电厂施工图设计内容深度原则VIP免费

火力发电厂施工图设计内容深度原则_第1页
1/35
火力发电厂施工图设计内容深度原则_第2页
2/35
火力发电厂施工图设计内容深度原则_第3页
3/35
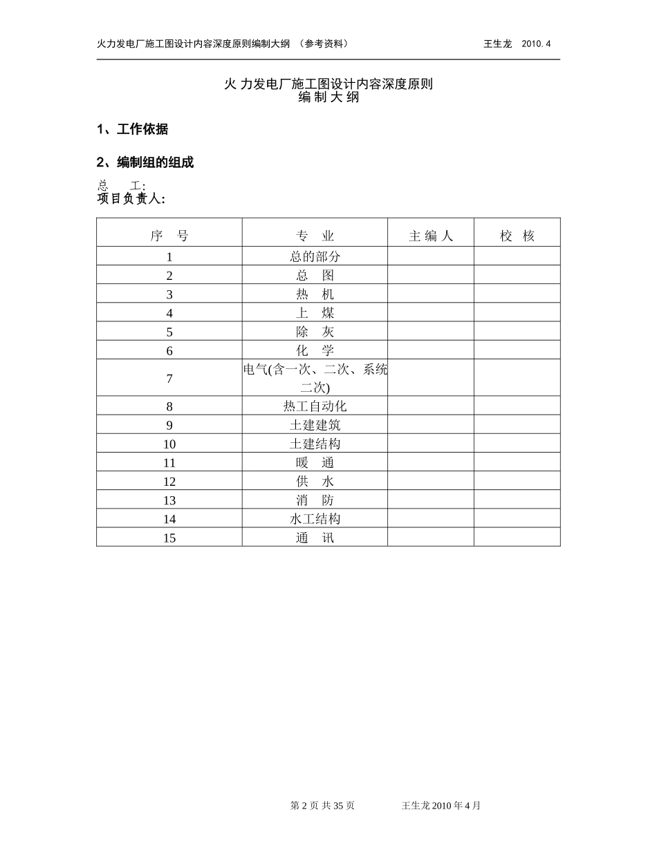
火力发电厂施工图设计内容深度原则编制大纲(参考资料)王生龙2010.4火力发电厂施工图设计内容深度原则编制大纲(参考资料)王生龙2010.4第1页共35页王生龙2010年4月火力发电厂施工图设计内容深度原则编制大纲(参考资料)王生龙2010.4火力发电厂施工图设计内容深度原则编制大纲1、工作依据2、编制组的组成总工:项目负责人:序号专业主编人校核1总的部分2总图3热机4上煤5除灰6化学7电气(含一次、二次、系统二次)8热工自动化9土建建筑10土建结构11暖通12供水13消防14水工结构15通讯第2页共35页王生龙2010年4月火力发电厂施工图设计内容深度原则编制大纲(参考资料)王生龙2010.43、编制工作计划工作内容时间安排编制大纲编制大纲审查调研及编制征求意见稿征求意见编制送审稿送审稿审查编制报批稿4、标准编写原则4.1为了适应电力事业发展的需要并充分考虑电力建设项目施工运行方面的需求,为了加强对火力发电厂工程施工图设计规范化管理,确定施工图设计深度的基本要求,以保证设计成品的统一、完整和质量。4.2批准的初步设计全部文件和初步设计审查意见是施工图设计的主要依据。设计单位必须认真执行其中所规定的各项原则,并认真贯彻国家的各项技术方针政策,执行国家和电力行业颁发的有关规范、规程、规定和标准。4.3按照《电力工程专业设计工日定额》〔电规协(2003)12号〕典型施工图目录,按卷进行编制,同类卷可以归类编制,明确各卷册的具体设计内容深度和技术要点。4.4充分总结和整理近几年发电工程设计积累的成熟且行之有效的经验,对各类机型的设计特点在卷册编排和设计范围中予以充分的考虑。4.5各专业根据需要,做好收资调研,充分吸取施工、运行、管理方面及其他各院的经验和建议,与有关方面协商一致,使本规定在全国电力设计行业范围内均能够得到实施。4.6本规定中专业分工参照《电力工程专业设计工日定额》相关内容,可能与各电力设计院内部的专业分工略有差别,但不影响本规定的实施。。4.7施工设计文件一般由说明书、图纸、设备清册、材料清册四部分组成。本规定对上述成品均作具体规定:并对设备清册及材料清册作了推荐表格格式。4.8密切结合工程实际,充分考虑设计和施工的相互紧密关联,强调施工图设计内容深度和施工图设计质量能够充分满足施工和运行的需要。即:(1)确定的设计图纸作为施工的依据。(2)供辅助设备和材料订货用。(3)供施工和生产准备用等。4.9施工图设计内容深度应充分标达设计意图,专业间相互协调。4.10施工图设计文件应确切、清楚、完整、统一、签署齐全、文字说明简练、印制质量良好。5、编写大纲(见附件)第3页共35页王生龙2010年4月火力发电厂施工图设计内容深度原则编制大纲(参考资料)王生龙2010.4附件火力发电厂施工图设计内容深度原则编写大纲王生龙2010.4第4页共35页王生龙2010年4月火力发电厂施工图设计内容深度原则编制大纲(参考资料)王生龙2010.4目录第一部分火力发电厂施工图设计内容深度原则总的部分第二部分火力发电厂施工图设计内容深度原则总图专业第三部分火力发电厂施工图设计内容深度原则热机专业第四部分火力发电厂施工图设计内容深度原则上煤专业第五部分火力发电厂施工图设计内容深度原则除灰专业第六部分火力发电厂施工图设计内容深度原则化学专业第七部分火力发电厂施工图设计内容深度原则电气专业(一次、二次及系统二次)第八部分火力发电厂施工图设计内容深度原则热工自动化专业第九部分火力发电厂施工图设计内容深度原则土建建筑专业第十部分火力发电厂施工图设计内容深度原则土建结构专业第十一部分火力发电厂施工图设计内容深度原则暖通专业第十二部分火力发电厂施工图设计内容深度原则供水专业第十三部分火力发电厂施工图设计内容深度原则消防专业第十四部分火力发电厂施工图设计内容深度原则水工结构专业第十五部分火力发电厂施工图设计内容深度原则通讯专业第5页共35页王生龙2010年4月火力发电厂施工图设计内容深度原则编制大纲(参考资料)王生龙2010.4第一部分火力发电厂施工图设计内容深度原则-总的部分前言本规程为条文强制性行业标准,其中划有下线的条文为强制性条文,表格中有强制性内容时,在表注...

1、当您付费下载文档后,您只拥有了使用权限,并不意味着购买了版权,文档只能用于自身使用,不得用于其他商业用途(如 [转卖]进行直接盈利或[编辑后售卖]进行间接盈利)。
2、本站所有内容均由合作方或网友上传,本站不对文档的完整性、权威性及其观点立场正确性做任何保证或承诺!文档内容仅供研究参考,付费前请自行鉴别。
3、如文档内容存在违规,或者侵犯商业秘密、侵犯著作权等,请点击“违规举报”。

碎片内容

火力发电厂施工图设计内容深度原则

您可能关注的文档

确认删除?
VIP
微信客服
  • 扫码咨询
会员Q群
  • 会员专属群点击这里加入QQ群
客服邮箱
回到顶部