电脑桌面
添加小米粒文库到电脑桌面
安装后可以在桌面快捷访问

机制工艺简答题及答案VIP免费

机制工艺简答题及答案_第1页
1/23
机制工艺简答题及答案_第2页
2/23
机制工艺简答题及答案_第3页
3/23
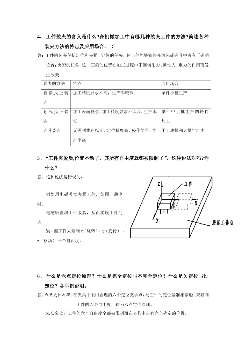
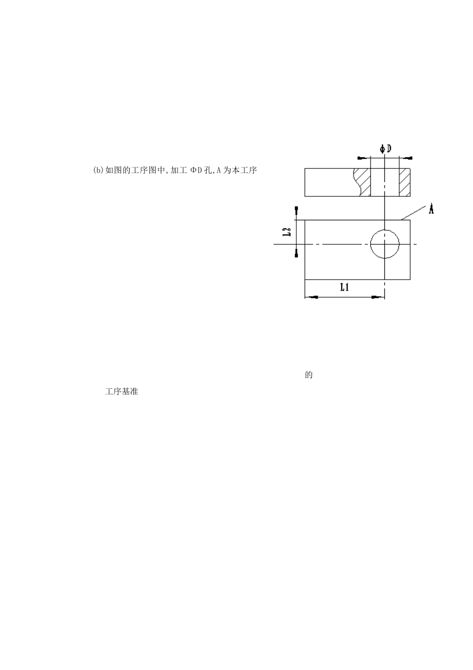
机械制造工艺学(上)思考题及参考答案1、什么叫生产过程,工艺过程,工艺规程?答:生产过程:从原材料变成成品的劳动过程的总和。工艺过程:在生产过程中,直接改变生产对象的形状、尺寸、性能及相对位置关系的过程。工艺规程:在具体生产条件下,将最合理的或较合理的工艺过程,用文字按规定的表格形式写成的工艺文件。2、某机床厂年产CA6140卧式车床2000台,已知机床主轴的备品率为15%,机械加工废品率为5%。试计算主轴的年生产纲领,并说明属于何种生产类型,工艺过程有何特点?若一年工作日为280天,试计算每月(按22天计算)的生产批量解:生产纲领公式N=Qn(1+α)(1+β)=(1+15%)(1+5%)=2415台/年查表属于成批生产,生产批量计算:(件)3、结合具体实例,说明什么是基准、设计基准、工艺基准、工序基准、定位基准、测量基准、装配基准。答:基准:是用来确定生产对象的点或面,包括设计基准和工艺基准,设计基准:在零件图上标注设计尺寸所采用的基准。工艺基准:在零件的工艺过程中所采用的基准叫做工艺基准。按其场合不同,可分为工序基准、定位基准、测量基准和装配基准。工序基准:在工序图中,用以确定本工序被加工表面加工后的尺寸、形状、位置所采用的基准。定位基准:加工时,用以确定工件在机床上或夹具中的正确位置;测量基准:加工中或加工后,测量工件形状尺寸采用的基准;装配基准:装配时用以确定零件或部件在产品上相对位置所采用的基准。举例:(a)如一阶梯轴零件,Φ60外圆的设计基准是Φ40外圆的中心线(b)如图的工序图中,加工ΦD孔,A为本工序的工序基准4、工件装夹的含义是什么?在机械加工中有哪几种装夹工件的方法?简述各种装夹方法的特点及应用场合。(答:工件的装夹包括定位和夹紧。定位的任务,使工件能够始终在机床或夹具中占有正确的位置;夹紧的任务,这一正确的位置在加工过程中不因切削力、惯性力、重力的作用而发生改变装夹的方法特点应用场合直接找正装夹加工精度要求不高,生产率较低单件小批生产划线找正装夹加工表面复杂,加工精度要求不太高,生产率低单件中小批生产的铸件加工夹具装夹无需划线和找正,定位精度高,操作简单,生产率高用于成批和大量生产中5、“工件夹紧后,位置不动了,其所有自由度就都被限制了”,这种说法对吗?为什么?答:这种说法是错误的,例如用电磁吸盘夹紧工件,如图,通电时,电磁吸盘将工件吸紧,从而实现工件的夹紧,但工件只限制x(旋转)、y(旋转)、z(移动)三个自由度。6、什么是六点定位原理?什么是完全定位与不完全定位?什么是欠定位与过定位?各举例说明。答:六点定位原理:在夹具中采用合理的六个定位支承点,与工件的定位基准相接触,来限制工件的六个自由度,称为六点定位原理。完全定位:工件的六个自由度全部被限制而在夹具中占有完全确定的位置。不完全定位:没有全部限制在六个自由度,但也能满足加工要求的定位。欠定位:根据加工要求,工件必须限制的自由度没有达到全部限制的定位。过定位:工件在夹具中定位时,若几个定位支承重复限制同一个或几个自由度。各举例说明:(a)在长方体上加工不通孔,属完全定位(b)在长方体上加工一通槽,y不需限制,属不完全定位(c)铣销轴上的一不通槽,只限制工件的四个自由度,X未限制,属欠定位(d)一面两销定位,X,两个圆柱销重复限制,导致工件孔无法同时与两销配合,属过定位情况。7、“工件在定位后夹紧前,在止推定位支承点的反方向上仍有移动的可能性,因此其位置不定”,这种说法是否正确?为什么?答:不正确,保证正确的定位时,一定要理解为工件的定位表面一定要与定位元件的定位表面相接触,只要相接触就会限制相应的自由度,使工件的位置得到确定,至于工件在支承点上未经夹紧的缘故。8、根据六点定位原理,分析图中各工件需要限制哪些的自由度,指出工序基准,选择定位基准并用定位符号在图中表示出来。解:(√)(√)(√)(×)(×)(√)(×)(×)(√)(√)(√)(√)(√)(×)(×)(√)(√)(√)(√)(×)(√)(√)(×)(√)(√)(√)(×)(×)(√)(√)9、分析图所示的定位方案,指出...

1、当您付费下载文档后,您只拥有了使用权限,并不意味着购买了版权,文档只能用于自身使用,不得用于其他商业用途(如 [转卖]进行直接盈利或[编辑后售卖]进行间接盈利)。
2、本站所有内容均由合作方或网友上传,本站不对文档的完整性、权威性及其观点立场正确性做任何保证或承诺!文档内容仅供研究参考,付费前请自行鉴别。
3、如文档内容存在违规,或者侵犯商业秘密、侵犯著作权等,请点击“违规举报”。

碎片内容

机制工艺简答题及答案

您可能关注的文档

确认删除?
VIP
微信客服
  • 扫码咨询
会员Q群
  • 会员专属群点击这里加入QQ群
客服邮箱
回到顶部