电脑桌面
添加小米粒文库到电脑桌面
安装后可以在桌面快捷访问

国家地理信息科技产业园工程监理规划VIP免费

国家地理信息科技产业园工程监理规划_第1页
1/14
国家地理信息科技产业园工程监理规划_第2页
2/14
国家地理信息科技产业园工程监理规划_第3页
3/14
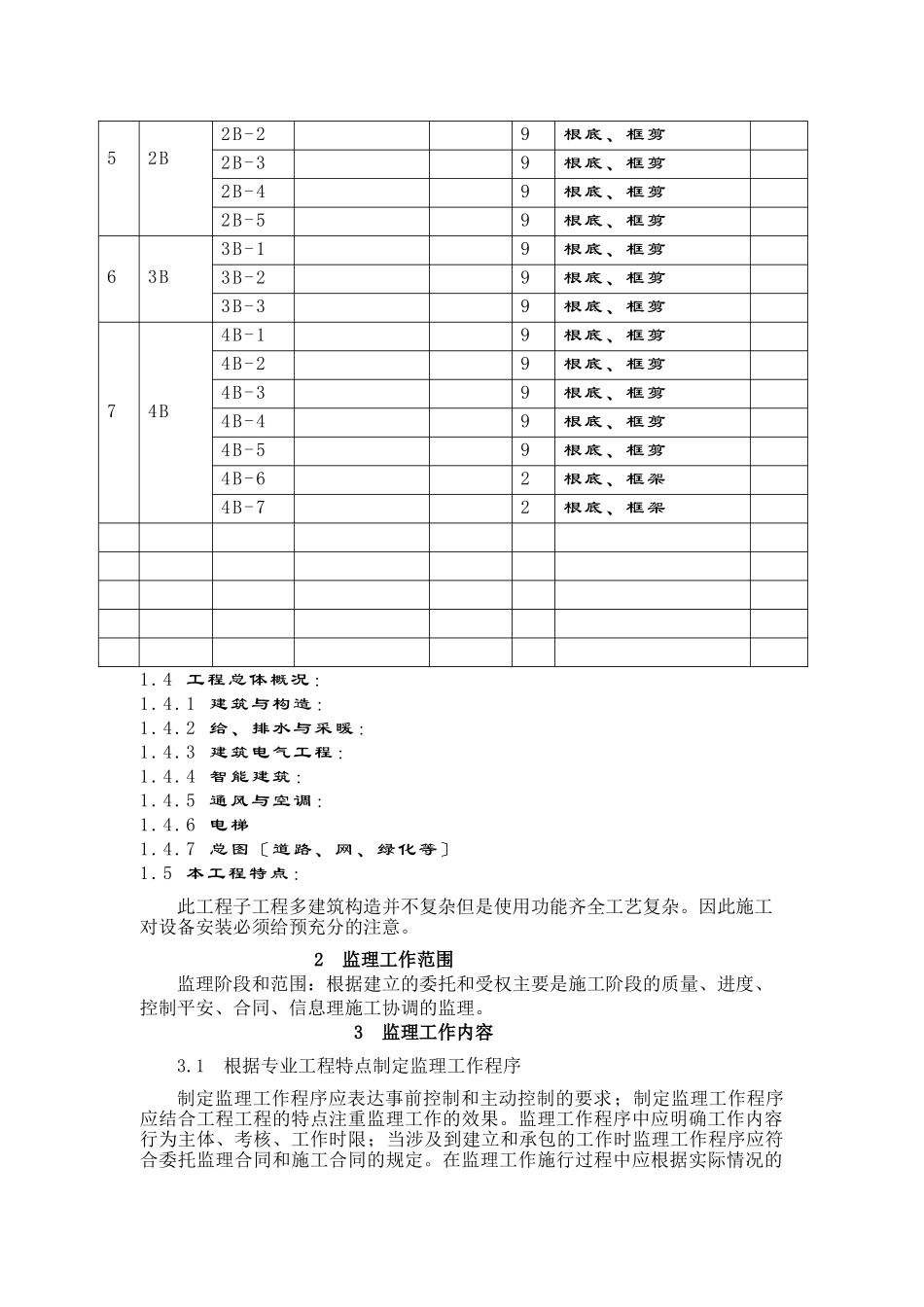
地理信息科技产业园工程监理规划1工程工程概况1.1工程名称:地理信息科技产业园工程1.2工程:顺义区、北京国门商务区1.3工程组成、规模:〔见下表〕序区域编设计代名称面积层数根底及构造类型备注11A1A-19根底、框剪1A-29根底、框剪1A-39根底、框剪1A-49根底、框剪1A-59根底、框剪1A-69根底、框剪1A-79根底、框剪1A-89根底、框剪1A-99根底、框剪1A-102根底、框剪1A-112根底、框架22A2A-19根底、框架2A-29根底、框剪2A-39根底、框剪2A-49根底、框剪2A-59根底、框剪33A3A-19根底、框剪3A-29根底、框剪3A-39根底、框剪3A-49根底、框剪3A-59根底、框剪3A-62根底、框架3A-72根底、框架44A4A-19根底、框剪4A-29根底、框剪4A-39根底、框剪4A-42根底、框架2B-19根底、框剪52B2B-29根底、框剪2B-39根底、框剪2B-49根底、框剪2B-59根底、框剪63B3B-19根底、框剪3B-29根底、框剪3B-39根底、框剪74B4B-19根底、框剪4B-29根底、框剪4B-39根底、框剪4B-49根底、框剪4B-59根底、框剪4B-62根底、框架4B-72根底、框架1.4工程总体概况:1.4.1建筑与构造:1.4.2给、排水与采暖:1.4.3建筑电气工程:1.4.4智能建筑:1.4.5通风与空调:1.4.6电梯1.4.7总图〔道路、网、绿化等〕1.5本工程特点:此工程子工程多建筑构造并不复杂但是使用功能齐全工艺复杂。因此施工对设备安装必须给预充分的注意。2监理工作范围监理阶段和范围:根据建立的委托和受权主要是施工阶段的质量、进度、控制平安、合同、信息理施工协调的监理。3监理工作内容3.1根据专业工程特点制定监理工作程序制定监理工作程序应表达事前控制和主动控制的要求;制定监理工作程序应结合工程工程的特点注重监理工作的效果。监理工作程序中应明确工作内容行为主体、考核、工作时限;当涉及到建立和承包的工作时监理工作程序应符合委托监理合同和施工合同的规定。在监理工作施行过程中应根据实际情况的变化对监理工作程序进展调整和完善。3.2.施工准备阶段的监理工作在设计交底前总监理工程师应组织监理人员熟悉设计并对图纸中存在的问题通过建立向设计提出书面和建议。工程监理人员应参加由建立组织的设计技术交底会总监理工程师应对设计技术交底进展签认。工程工程开工前总监理工程师应组织现场监理负责人审查承包报送的施工组织设计(方案)报审表提出审查并经总监理工程师审核、签认后报建立。施工组织设计(方案)报审表应符合A2表的格式。工程工程开工前总监理工程师应审查承包现场工程理机构的质量理体系、技术理体系和质量保证体系确能保证工程工程施工质量时予以确认。对质量理体系、技术理体系和质量保证体系应审核以下内容:①质量理、技术理和质量保证的组织机构;②质量理、技术理制度;③专职理人员和特种作业人员的、上岗证。分包工程开工前现场监理负责人应审查承包报送的分包资格报审表和分包有关资质资料符合有关规定后由总监理工程师予以签认。分包资格报审表应符合A3表的格式。对分包资格应审核以下内容:①分包的营业执照、企业资质等级证书、特殊行业施工答应证、国外〔境外〕企业在国内承包工程答应证;②分包的业绩;③拟分包工程的内容和范围;④专职理人员和特种作业人员的、上岗证。现场监理负责人应按以下要求对承包报送的测量放线控制成果及保护措施进展检查符合要求时现场监理负责人对承包报送的施工测量成果报验申请表予以签认:①检查承包专职测量人员的岗位证书及测量设备检定证书;②复核控制桩的校核成果、控制桩的保护措施以及平面控制网、高程控制网和临时水准点的测量成果。施工测量成果报验申请表应符合A4表的格式。现场监理负责人应审查承包报送的工程开工报审表及相关资料具备以下开工条件时由总监理工程师签发并报建立:①施工答应证已获主部门批准;②征地拆迁工作能满足工程进度的需要;③施工组织设计已获总监理工程师批准;④承包现场理人员已到位机具、施工人员已进场主要工程材料已落实;⑤进场道路及水、电、等已满足开工要求;工程工程开工前监理人员应参加由建立主持召开的第一次工地会议。第一次工地会议应包括以下主要内容:①建立、承包和监理分别介绍各自驻现场的组织机构、人员及其分工;②建立根...

1、当您付费下载文档后,您只拥有了使用权限,并不意味着购买了版权,文档只能用于自身使用,不得用于其他商业用途(如 [转卖]进行直接盈利或[编辑后售卖]进行间接盈利)。
2、本站所有内容均由合作方或网友上传,本站不对文档的完整性、权威性及其观点立场正确性做任何保证或承诺!文档内容仅供研究参考,付费前请自行鉴别。
3、如文档内容存在违规,或者侵犯商业秘密、侵犯著作权等,请点击“违规举报”。

碎片内容

国家地理信息科技产业园工程监理规划

确认删除?
VIP
微信客服
  • 扫码咨询
会员Q群
  • 会员专属群点击这里加入QQ群
客服邮箱
回到顶部