电脑桌面
添加小米粒文库到电脑桌面
安装后可以在桌面快捷访问

国家建筑标准设计图集钢筋排布规则与构造详图VIP免费

国家建筑标准设计图集钢筋排布规则与构造详图_第1页
1/80
国家建筑标准设计图集钢筋排布规则与构造详图_第2页
2/80
国家建筑标准设计图集钢筋排布规则与构造详图_第3页
3/80
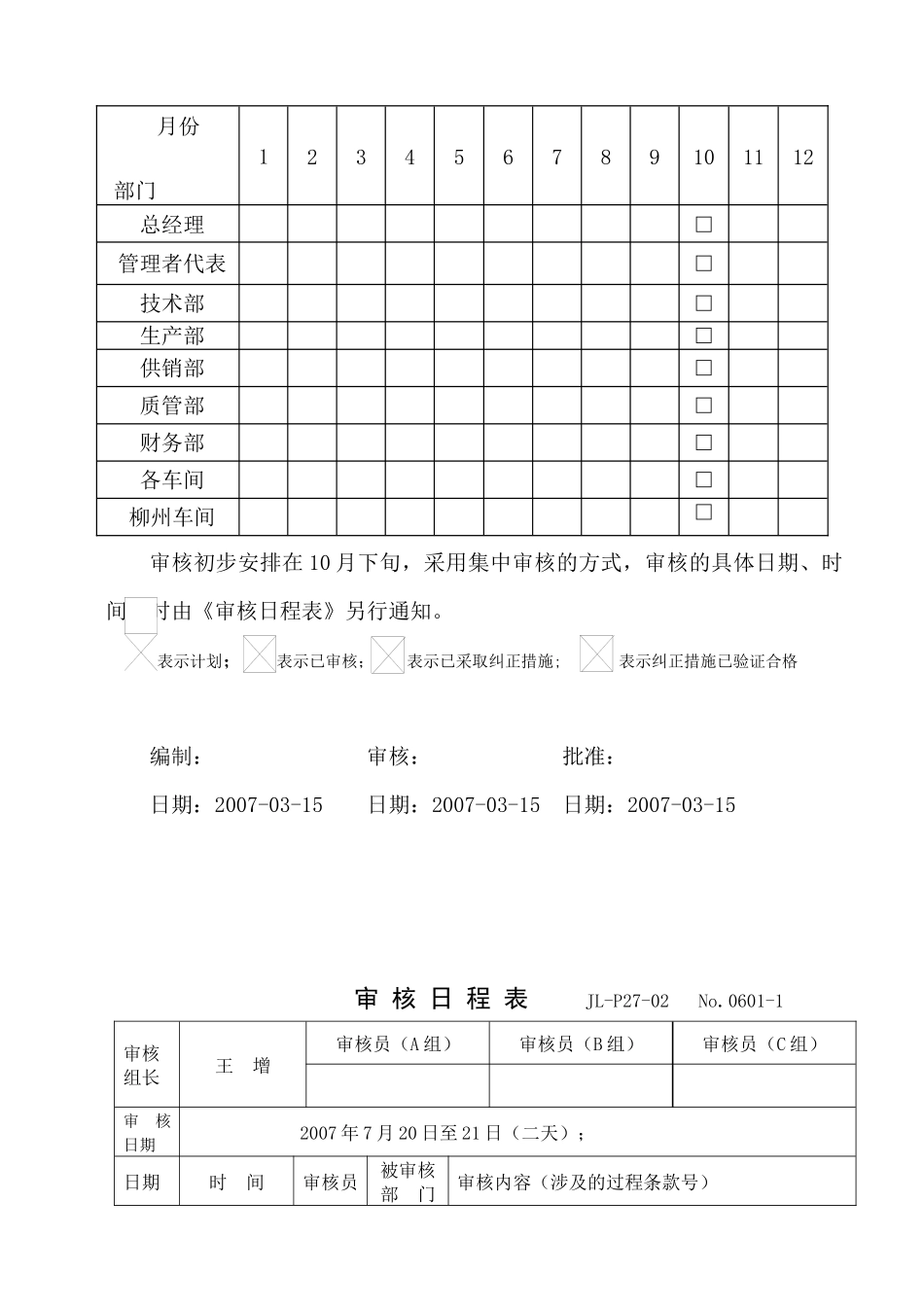
无锡云天汽车配件有限公司ISO/TS16949:2002质量管理体系内部审核记录汇编目录1年度内审计划(JL-P27-01)2审核日程表(JL-P27-02)3内部质量管理体系审核采用的过程分析模式图(JL-P27-00)4内审检查表(JL-P27-03)5不符合項报告(JL-P27-04)6内审报告(JL-P27-05)7不符合項分布表(JL-P27-06)8会议签到表(JL-P04-05)编辑:审核:批准:王秋雅日期:2007-07-252007年度内审计划JL-P27-01N.06011审核目的全面检查本公司所建立的ISO/TS16949:2002质量管理体系是否保持正常运行,评价质量管理体系的符合性和有效性。2审核范围ISO/TS16949:2002质量管理体系覆盖的所有部门、过程和班次。3审核依据⑴ISO/TS16949:2002标准要求;⑵相关法律法规、国家/行业标准及其他要求;⑶ISO/TS16949:2002《质量手册》、《程序文件》及相关文件;⑷顾客的特殊要求及与顾客签订的合同等。4审核日程安排审核初步安排在10月下旬,采用集中审核的方式,审核的具体日期、时间届时由《审核日程表》另行通知。表示计划;表示已审核;表示已采取纠正措施;表示纠正措施已验证合格编制:审核:批准:日期:2007-03-15日期:2007-03-15日期:2007-03-15审核日程表JL-P27-02No.0601-1审核组长王增审核员(A组)审核员(B组)审核员(C组)审核日期2007年7月20日至21日(二天);日期时间审核员被审核部门审核内容(涉及的过程条款号)月份部门123456789101112总经理□管理者代表□技术部□生产部□供销部□质管部□财务部□各车间□柳州车间□10-208:00-8:30首次会议8:40-10:30王增(C)总经理(领导层)总要求(4.1)/质量手册(4.2.2)/经营计划-MP1(5.4.1.1)/管理平审-MP2(5.6)/资源提供(6.1)/数据分析-MP5(8.4)/持续改进-MP6(8.5.1)秦良(A)管理者代表文件控制-SP12(4.2.1/4.2.3)管理者代表(5.5.2)/测量分析和改进(8.1)/纠正和预防措施-MP7(8.5.2/8.5.3)梅春锋(B)生产部资源提供(6.1)/基础设施-SP5(6.3/7.5.1.4)/工装管理-SP6(7.5.1.5/7.5.4.1)/工作环境-SP4(6.4)/产品制造-COP4(7.5有关条款)./产品防护-SP9(7.5.5)12:30-14:00王增(C)技术部文件控制-SP12(4.2)/记录控制-SP13(4.2.4/)/工厂、设施和设备策划(6.3.1)/经营计划-MP1(5.4.1.1)/产品实现的策划APQP-COP2(7.1/7.2.1.1过程设计7.3相关条款)/生产件批准-COP3(7.3.6)/产品制造-COP4(作业准备验证7.5.1.3/生产和服务过程的确认7.5.2)14:00-16:00梅春锋(B)财务部人力资源-SP4(6.2)/不良质量成本(5.6.1.1)王增(C)供销部与产品有关要求的确认和评审-COP1(7.2.1/7.2.2)/采购-SP1(7.4)/顾客财产-SP8(7.5.4)/交付-COP5(7.5.1f/7.5.5)/顾客服务和顾客沟通-COP6(7.5.1.7/7.5.1.8)/顾客投诉处理-COP7(7.2.3c)/顾客满意-MP4(8.2.1)秦良(A)1、2车间质量指责(5.5.1.1)/工作环境SP4(6.4/与实现产品质量相关人员的安全6.4.1/生产现场的清洁6.4.2)/产品制造-COP4(生产控制7.5.1/现场作业指导书7.5.1.2/车间生产计划7.5.1.6/标识和可追溯性7.5.3/产品防护7.5.5)10-218:00-10:00梅春锋(B)3、机体车间质量指责(5.5.1.1)/工作环境SP4(6.4/与实现产品质量相关人员的安全6.4.1/生产现场的清洁6.4.2)/产品制造-COP4(生产控制7.5.1/现场作业指导书7.5.1.2/车间生产计划7.5.1.6/标识和可追溯性7.5.3/产品防护7.5.5)秦良(A)质管部质量指责(5.5.1.1)/管理评审-MP2(5.6)/标识和可追溯性-SP7(7.5.3)/监视和测量装置的控制-SP10(7.6)/实验室控制-SP11(7.6.3)/内部审核-MP3(8.2.2)/监视和测量(8.2.3/8.2.4)/不合格品控制-SP2(8.3)/数据分析-MP(8.4)/持续改进-MP6(8.5.1)/纠正/预防措施-MP7(8.5.2/8.5.3)12:00-13:00全部审核员各仓库仓库工作环境-SP4(6.4)/标识和可追溯性-SP7(7.5.3)/产品防护-SP9(7.5.5)13:00-14:00审核组内部会议14:00-14:30末次会议审核日程表JL-P27-02No.0601-2审核王增审核员(A组)审核员(B组)审核员(C组)组长王增梅春锋秦良审核日期无锡:2006年10月20日至2006年10月21日(二天);柳州:10月25日日期时间审核员被审核部门审核内容(涉及的过程条款号)10-258:00-8:30首次会议8:40-11:00王增(C)...

1、当您付费下载文档后,您只拥有了使用权限,并不意味着购买了版权,文档只能用于自身使用,不得用于其他商业用途(如 [转卖]进行直接盈利或[编辑后售卖]进行间接盈利)。
2、本站所有内容均由合作方或网友上传,本站不对文档的完整性、权威性及其观点立场正确性做任何保证或承诺!文档内容仅供研究参考,付费前请自行鉴别。
3、如文档内容存在违规,或者侵犯商业秘密、侵犯著作权等,请点击“违规举报”。

碎片内容

国家建筑标准设计图集钢筋排布规则与构造详图

确认删除?
VIP
微信客服
  • 扫码咨询
会员Q群
  • 会员专属群点击这里加入QQ群
客服邮箱
回到顶部