电脑桌面
添加小米粒文库到电脑桌面
安装后可以在桌面快捷访问

财务会计与财务管理知识分析教材VIP专享VIP免费

财务会计与财务管理知识分析教材_第1页
1/27
财务会计与财务管理知识分析教材_第2页
2/27
财务会计与财务管理知识分析教材_第3页
3/27
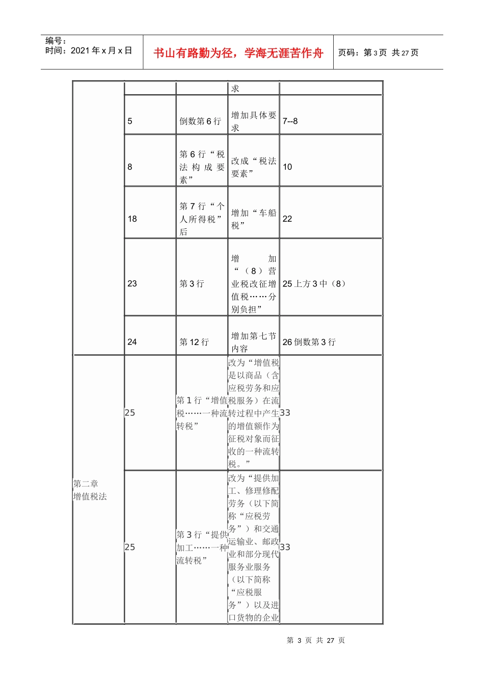
第1页共27页编号:时间:2021年x月x日书山有路勤为径,学海无涯苦作舟页码:第1页共27页2014年注册会计师教材变化对比税法2013年教材2014年新教材章页内容内容页第一章税法总论190%以上后面增加“近几年随着非税收入(如土地拍卖收入等)的增加,税收收入占财政收入的比重有时也低于90%”11倒数第10行增加“税收是……对等和平等”1--21倒数第4行增加“现代国家治理”理念的有关说明及税法的概念2--32第7行增加“税法的义务性强制性”有关内容32第11行增加“税法的本质”有关内容32-3税法的功能替换为“税法的目标”且内容表述3--4第2页共27页第1页共27页编号:时间:2021年x月x日书山有路勤为径,学海无涯苦作舟页码:第2页共27页发生变化3第1行增加对税务机关的执法要求434-5行“税法还严格规定……负赔偿责任等”删除4312行“80个国家”改成“90个国家”45第二节下面第1行增加“一、税收法定原则是税法基本原则的核心”相关内容75第二节下面第3行“……(一)税法基本原则”删除75第6行增加“其中税收法定原则是税法基本原则中的核心”75倒数第10行增加“如果没有相应法律作前提,国家则不能征税,公民也没有纳税的义务。”75倒数第7行增加具体要7第3页共27页第2页共27页编号:时间:2021年x月x日书山有路勤为径,学海无涯苦作舟页码:第3页共27页求5倒数第6行增加具体要求7--88第6行“税法构成要素”改成“税法要素”1018第7行“个人所得税”后增加“车船税”2223第3行增加“(8)营业税改征增值税……分别负担”25上方3中(8)24第12行增加第七节内容26倒数第3行第二章增值税法25第1行“增值税……一种流转税”改为“增值税是以商品(含应税劳务和应税服务)在流转过程中产生的增值额作为征税对象而征收的一种流转税。”3325第3行“提供加工……一种流转税”改为“提供加工、修理修配劳务(以下简称“应税劳务”)和交通运输业、邮政业和部分现代服务业服务(以下简称“应税服务”)以及进口货物的企业33第4页共27页第3页共27页编号:时间:2021年x月x日书山有路勤为径,学海无涯苦作舟页码:第4页共27页单位和个人,就其货物销售或提供应税劳务、应税服务的增值额和货物进口金额为计税依据而课征的一种流转税”25第13行最后增加“我国在引入增值税时采用的是生产型增值税,目前已经改为消费型增值税”3325倒数第8行“要扣除商品”后增加“劳务、服务”3326第一节上面增加营改增的精神34--3526第3自然段“提供加工、修理修配劳务”改为“提供应税劳务和应税服务”3626倒数第6行“2.提供的加工、修理修配劳务”改为“2.提供的应税劳务”并在下方增加应税劳务的具体内容36272-3行“由此可见……暂不征税增值税”删除3627第3行增加营改增“应税服务”的具体内容36---4127(5)内容改成“(5)邮政部门发行报刊与其他单位和个人发行报刊,均征收增值税。”4127(7)内容删除4128(11)内容删除4228(18)内容删除4228倒数第10行“(自产或购进的)”改成“(购进的)”4228倒数第9行“一并征收增值税”后面增加“企业销售自产的电梯并负责安装,属于纳税人销售货物的同时提供建筑业劳务,要分别计算增值税和营业税。”4229第15行下方增加(20)到(31)的内容43第5页共27页第4页共27页编号:时间:2021年x月x日书山有路勤为径,学海无涯苦作舟页码:第5页共27页29倒数第8行增加⑨和⑩的内容4430第6行增加(4)混业经营的内容4430第13行“单位租赁……为纳税人”改成“单位以承包、承租、挂靠方式经营的,承包人、承租人、挂靠人(以下称承包人)以发包人、出租人、被挂靠人(以下称发包人)名义对外经营并由发包人承担相关法律责任的,以该发包人为纳税人;否则以承包人为纳税人。”44--4530第二节下面第7行增加“提供应税服务的纳税人按照《关于营业税改征增值税试点增值税一般纳税人资格认定有关事项的公告》(国家税务总局公告2013年第75号)执行”4530倒数第3行增加营改增相关内容4531第11行增加4.和5.的内容4632(六)上面增加6.的内容在新教材上46页没有找到33二、上面增加10.的内容和(七)的内容48--4934第9行增加5.6.7.的内容4934第12行增加“会计核算健全,是指能够按照...

1、当您付费下载文档后,您只拥有了使用权限,并不意味着购买了版权,文档只能用于自身使用,不得用于其他商业用途(如 [转卖]进行直接盈利或[编辑后售卖]进行间接盈利)。
2、本站所有内容均由合作方或网友上传,本站不对文档的完整性、权威性及其观点立场正确性做任何保证或承诺!文档内容仅供研究参考,付费前请自行鉴别。
3、如文档内容存在违规,或者侵犯商业秘密、侵犯著作权等,请点击“违规举报”。

碎片内容

财务会计与财务管理知识分析教材

确认删除?
VIP
微信客服
  • 扫码咨询
会员Q群
  • 会员专属群点击这里加入QQ群
客服邮箱
回到顶部