电脑桌面
添加小米粒文库到电脑桌面
安装后可以在桌面快捷访问

某港口三期土建工程监理规划VIP免费

某港口三期土建工程监理规划_第1页
1/17
某港口三期土建工程监理规划_第2页
2/17
某港口三期土建工程监理规划_第3页
3/17
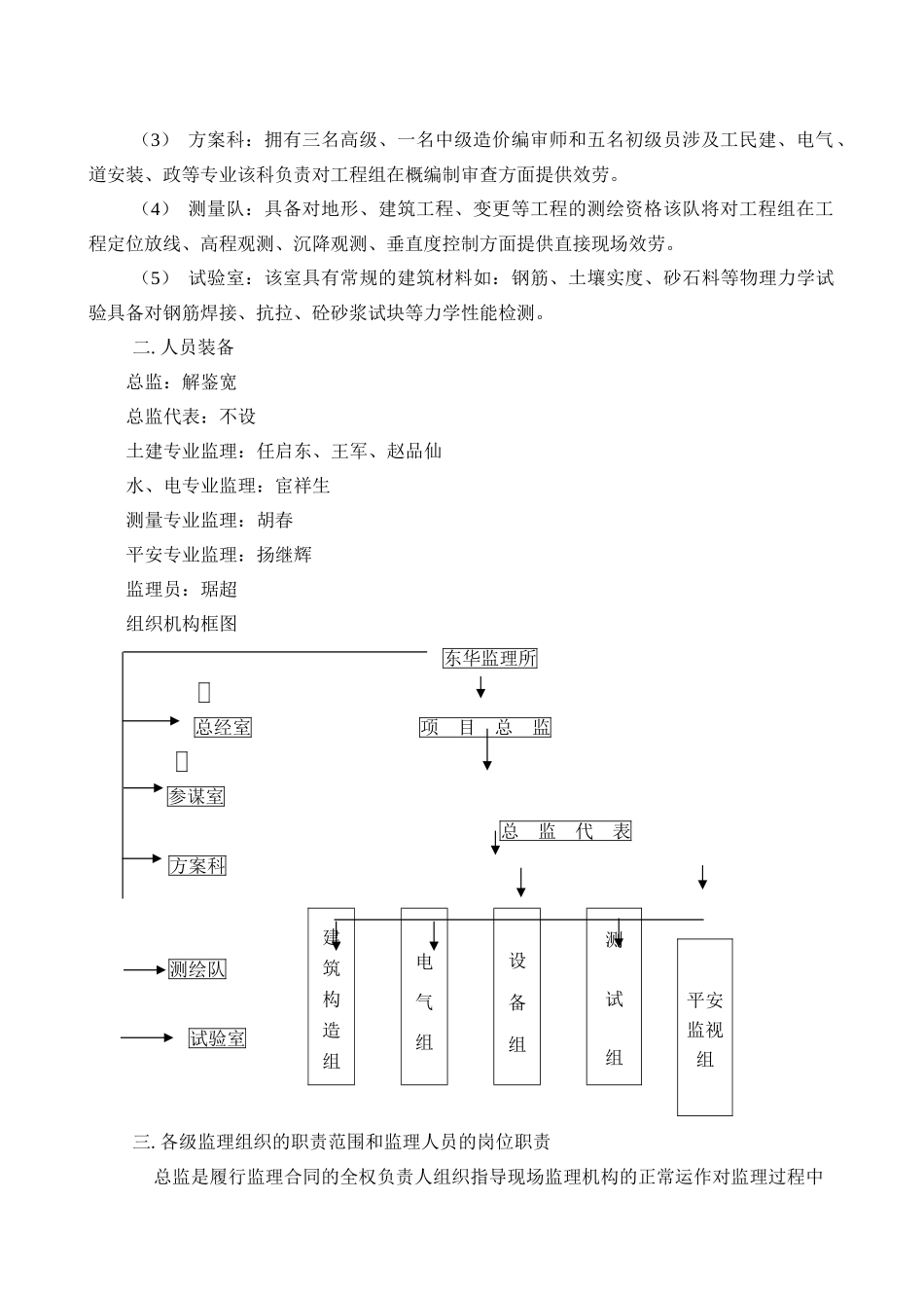
大港港口三土建工程监理规划监理规划2007年7月28日至2021月日内容提要:工程概况监理工作范围、目的和根据监理组织机构、人员装备、岗位职责监理工作内容、和措施监理工作制度、工作程序监理设施、旁站监理方案监理〔章〕:总监理工程师:技术负责人:日:江苏建立监制第一节工程概况1、工程名称:镇江港大港港区三工程2、工程:镇江港大港港区3、参建各方名称:业主:国投镇江港设计:中交“三航设计院〞施工:江都二建、泰州二建、宜兴大港工程部监理:上海东华建立监理所第二节监理工作范围、目的和根据一、监理工作的范围1、施工阶段的桩基、土建、设备安装的全过程监理。2、工程开工后保修的监理效劳。二、监理工作的目的1、质量控制目的严格控制施工质量不留任何隐患确保工程质量到达合格。2、资控制目的加强对施工图纸的审查多提合理化建议;施工阶段严格按施工合同进展费用控制严格执行设计变更程序抓好合同外工作量的签证和审报工作。i.进度控制目的根据施工合同严格控制总工合理安排、明确相应的控制措施。三、监理工作的根据i.监理合同;ii.业主与第三方签订的正式合同、协议及附件;iii.合同图纸及说明;iv.合同工程量及说明;v.合同指定使用的图纸、技术、工程质量检验评定、试验规程等;vi.、江苏公布的监理法规等;vii.经各方确认的和其它书面记录、件、、数据电文等。四、监理组织机构、人员装备、岗位职责一.监理组织机构框图1.采用矩阵理形式(1)参谋室:拥有各专业、各学科的高级人才负责对工程监理中出现的重大技术、经济、合同问题协助工程总监及时提供相应指导。(2)总经室:拥有一名高级经济师、三名经济师该室负责对工程组在工程招、合同理、索赔处理等方面提供指导和效劳。(3)方案科:拥有三名高级、一名中级造价编审师和五名初级员涉及工民建、电气、道安装、政等专业该科负责对工程组在概编制审查方面提供效劳。(4)测量队:具备对地形、建筑工程、变更等工程的测绘资格该队将对工程组在工程定位放线、高程观测、沉降观测、垂直度控制方面提供直接现场效劳。(5)试验室:该室具有常规的建筑材料如:钢筋、土壤实度、砂石料等物理力学试验具备对钢筋焊接、抗拉、砼砂浆试块等力学性能检测。二.人员装备总监:解鉴宽总监代表:不设土建专业监理:任启东、王军、赵品仙水、电专业监理:宦祥生测量专业监理:胡春平安专业监理:扬继辉监理员:琚超组织机构框图东华监理所总经室项目总监参谋室总监代表方案科测绘队试验室三.各级监理组织的职责范围和监理人员的岗位职责总监是履行监理合同的全权负责人组织指导现场监理机构的正常运作对监理过程中建筑构造组电气组设备组测试组平安监视组的控制、理、协调行使决策和实行有效的监控。其主要职责是:1.保持与工程有关各方的亲联络确定各方互相配合的方式理解各方的需要和意图协调各方的配合。2.确定现场监理人员的分工指导他们的工作。3.协助业主组织工程、签订施工承包合同、组织设计技术交底和施工图会审。4.负责主持编制监理规划、组织编制和审定监理细那么。5.审查施工组织设计、施工技术方案和施工总进度方案提出审查。6.协助业主审查开工和开工条件发布开工。7.主持工地会议、工程例会、专题会议。8.签发监理组向工程有关各方提供的、和报表。对工延长、工程变更、支付证明、索赔、质量事故处理和重大技术问题提出批准或回绝的。总监代表协助总监组织指导现场监理工作在总监受权后行使总监所授予的权限。其详细职责是:9.保持与工程有关各方的日常联络协助总监及时协调各方工作。10.协助总监组织编制监理规划。11.核准月度施工进度方案单项工程施工方案和施工方案。12.审核施工所根据的坐标控制点、基线和水准点等级的精度是否符合要求;组织测量人员复核施工基线、临时水准点、建筑物轴线和高程。13.核查进场设备、材料和构件的规格、数量和质量。14.催促承包商全面履行合同;核实总监指和会议的落实情况。15.现场的日常巡视和质量抽检;验收分局部项工程批准后续工程的开工。16.起草监理组向业主或其他有关方面提供的和。17.核实已完工程量提出付款;对索赔事项和有争议的问题提供详尽的资料和...

1、当您付费下载文档后,您只拥有了使用权限,并不意味着购买了版权,文档只能用于自身使用,不得用于其他商业用途(如 [转卖]进行直接盈利或[编辑后售卖]进行间接盈利)。
2、本站所有内容均由合作方或网友上传,本站不对文档的完整性、权威性及其观点立场正确性做任何保证或承诺!文档内容仅供研究参考,付费前请自行鉴别。
3、如文档内容存在违规,或者侵犯商业秘密、侵犯著作权等,请点击“违规举报”。

碎片内容

某港口三期土建工程监理规划

确认删除?
VIP
微信客服
  • 扫码咨询
会员Q群
  • 会员专属群点击这里加入QQ群
客服邮箱
回到顶部