电脑桌面
添加小米粒文库到电脑桌面
安装后可以在桌面快捷访问

压力管道焊接实用工艺规程VIP免费

压力管道焊接实用工艺规程_第1页
1/7
压力管道焊接实用工艺规程_第2页
2/7
压力管道焊接实用工艺规程_第3页
3/7
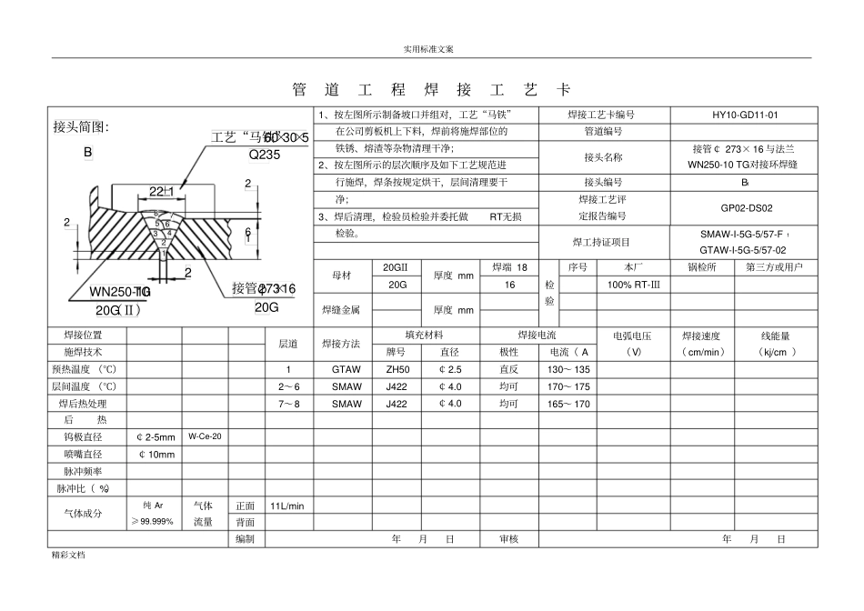
实用标准文案精彩文档BF西安北方热力设备工程有限公司管道焊接工艺规程规程编号:工程编号:工程名称:用户:管道编号:编制:审核:年月日实用标准文案精彩文档管道焊接接口编号图装置型号产品编号材质编制工程名称生产令号规格审核B1J接管Φ273×12与法兰对接环焊缝HY10-G011-01GP02-DS02SMAW-I-5G-5/57-F1100%RT-Ⅲ接头编号接头名称工艺卡编号工艺评定资格焊工无损检测实用标准文案精彩文档管道工程焊接工艺卡Q235123456接头简图:B120G(Ⅱ)WN250-10TG工艺“马铁”60×30×520G接管φ273×1616222±122871、按左图所示制备坡口并组对,工艺“马铁”焊接工艺卡编号HY10-GD11-01在公司剪板机上下料,焊前将施焊部位的管道编号铁锈、熔渣等杂物清理干净;接头名称接管¢273×16与法兰WN250-10TG对接环焊缝2、按左图所示的层次顺序及如下工艺规范进行施焊,焊条按规定烘干,层间清理要干接头编号B1净;焊接工艺评定报告编号GP02-DS023、焊后清理,检验员检验并委托做RT无损检验。焊工持证项目SMAW-I-5G-5/57-F1GTAW-I-5G-5/57-02母材20GⅡ厚度mm焊端18检验序号本厂锅检所第三方或用户20G16100%RT-Ⅲ焊缝金属厚度mm焊接位置层道焊接方法填充材料焊接电流电弧电压(V)焊接速度(cm/min)线能量(kj/cm)施焊技术牌号直径极性电流(A预热温度(℃)1GTAWZH50¢2.5直反130~135层间温度(℃)2~6SMAWJ422¢4.0均可170~175焊后热处理7~8SMAWJ422¢4.0均可165~170后热钨极直径¢2-5mmW-Ce-20喷嘴直径¢10mm脉冲频率脉冲比(%)气体成分纯Ar≥99.999%气体流量正面11L/min背面编制年月日审核年月日实用标准文案精彩文档管道工程焊接工艺卡接管φ426×1220G接管或法兰WN400-2.520GB2接头简图:60°Q2351.218±112243212工艺“马铁”60×30×51、按左图所示制备坡口并组对,工艺“马铁”焊接工艺卡编号HY10-GD11-02在公司剪板机上下料,焊前将施焊部位的管道编号铁锈、熔渣等杂物清理干净;接头名称接管¢426×12与法兰WN400-2.5TG对接环焊缝2、按左图所示的层次顺序及如下工艺规范进行施焊,焊条按规定烘干,层间清理要干接头编号B2净;焊接工艺评定报告编号GP02-DS023、焊后清理,检验员检验并委托做RT无损检验。焊工持证项目SMAW-I-5G-5/57-F1GTAW-I-5G-5/57-02母材20G厚度mm12检验序号本厂锅检所第三方或用户20G12100%RT-Ⅲ焊缝金属厚度mm焊接位置层道焊接方法填充材料焊接电流电弧电压(V)焊接速度(cm/min)线能量(kj/cm)施焊技术牌号直径极性电流(A预热温度(℃)1GTAWZH50¢2.5均可130~135层间温度(℃)2~3SMAWJ422¢4.0均可170~175焊后热处理4SMAWJ422¢4.0均可165~170后热钨极直径¢2-5mmW-Ce-20喷嘴直径¢10mm脉冲频率脉冲比(%)气体成分纯Ar≥99.999%气体流量正面11L/min背面编制年月日审核年月日实用标准文案精彩文档管道工程焊接工艺卡法兰250-4.0RF20G121'2'20G弯头90°/250×12(有50mm直线段)10接头简图:C1、按左图所示购置弯头和法兰,并组对,焊焊接工艺卡编号HY10-GD11-03前将施焊部位的铁锈、熔渣等杂物清理干管道编号净;接头名称弯头90°/250×12与法兰PL250-4.0RF角焊缝2、按左图所示的层次顺序、焊缝尺寸及如下工艺规范进行施焊,焊条按规定烘干,层接头编号C间清理要干净;焊接工艺评定报告编号GP02-DS013、焊后清理,报检验员检验。焊工持证项目SMAW-Ⅱ-2G-12-F3J母材20Ⅱ厚度mm42检验序号本厂锅检所第三方或用户20G12焊缝金属厚度mm焊接位置层道焊接方法填充材料焊接电流电弧电压(V)焊接速度(cm/min)线能量(kj/cm)施焊技术牌号直径极性电流(A预热温度(℃)1、1,SMAWJ422¢4.0均可170~175层间温度(℃)2、2,SMAWJ422¢5.0均可265~270焊后热处理4后热钨极直径喷嘴直径脉冲频率脉冲比(%)气体成分气体流量正面背面编制年月日审核年月日实用标准文案精彩文档管道工程焊接工艺卡D2D1接头简图:D1、D24567132988接管φ273x1220G2615°45°2补强圈dN250-Cδ=1020G接管φ426x1220G1、按左图所示制备坡口并组对,焊前将施焊焊接工艺卡编号HY10-GD11-04部位的铁锈、熔渣等杂物清理干净;管道编号2、按左图所示的层次顺序、焊缝尺寸及如下...

1、当您付费下载文档后,您只拥有了使用权限,并不意味着购买了版权,文档只能用于自身使用,不得用于其他商业用途(如 [转卖]进行直接盈利或[编辑后售卖]进行间接盈利)。
2、本站所有内容均由合作方或网友上传,本站不对文档的完整性、权威性及其观点立场正确性做任何保证或承诺!文档内容仅供研究参考,付费前请自行鉴别。
3、如文档内容存在违规,或者侵犯商业秘密、侵犯著作权等,请点击“违规举报”。

碎片内容

压力管道焊接实用工艺规程

您可能关注的文档

确认删除?
VIP
微信客服
  • 扫码咨询
会员Q群
  • 会员专属群点击这里加入QQ群
客服邮箱
回到顶部