电脑桌面
添加小米粒文库到电脑桌面
安装后可以在桌面快捷访问

压实度计算方法VIP免费

压实度计算方法_第1页
1/6
压实度计算方法_第2页
2/6
压实度计算方法_第3页
3/6
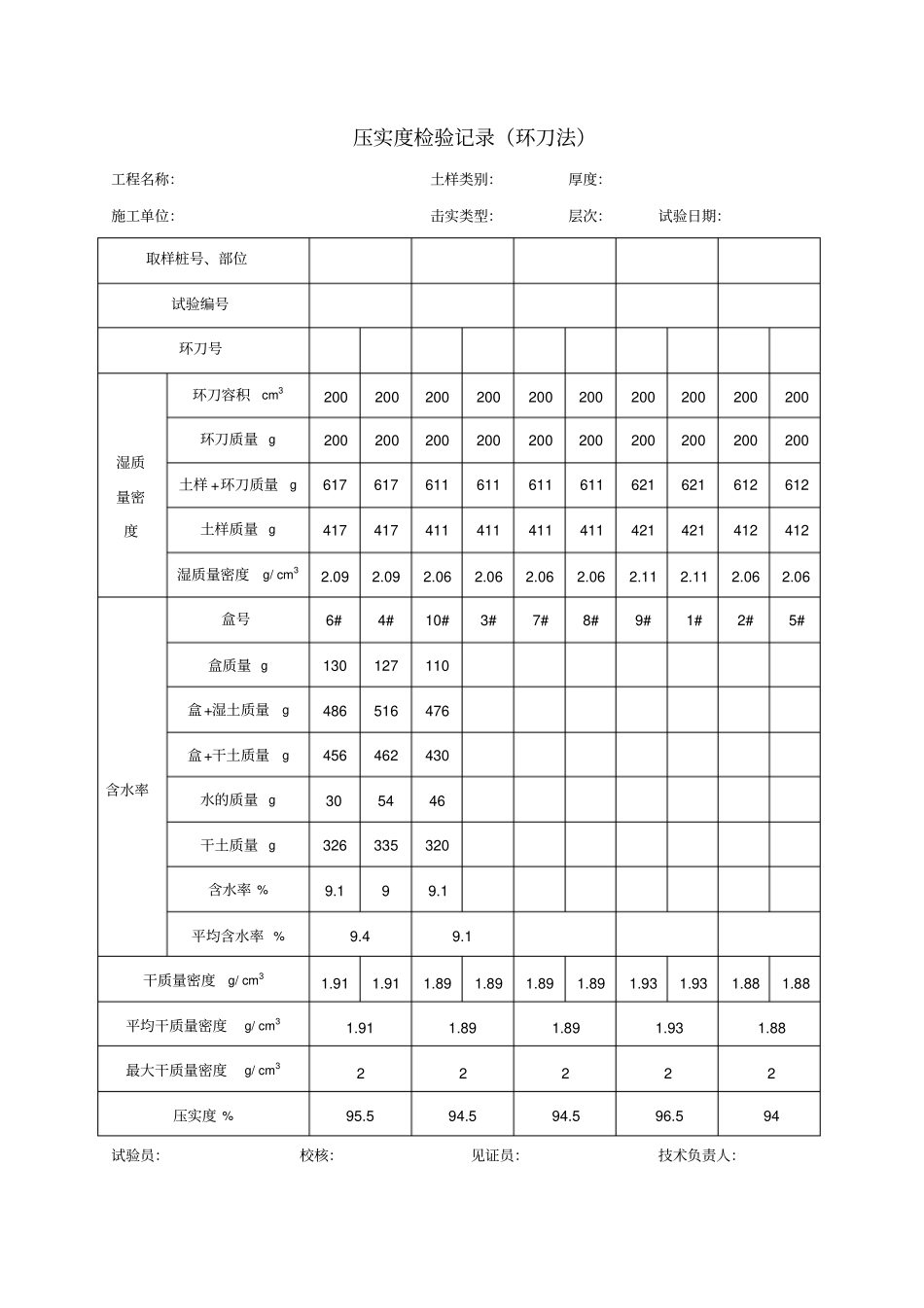
压实度计算方法(环刀法)一、环刀法适用于细粒土,所需仪器、设备为:1、环刀:内径6~8cm高2~3cm2、天平:称量500g感量0.1g;称量200g感量0.01g3、其它:切土刀、钢丝锯、凡士林、小铁锤二、操作步骤:1、测出环刀的容积V,在天平上称出环刀质量。2、按工程需要取原状土或人工制备所需要求的扰动土样,其直径和高度应大于环刀的尺寸,整平两端放在玻璃板上。3、将环刀的刀口向下放在土样上面,然后用手或小铁锤将环刀垂直下压,边压边削使之土样上端伸满环刀为止,削去两端余土修平,两端盖上平滑的园玻璃片,以免水分蒸发。4、擦净环刀外壁,拿去玻璃片,称取环刀加土的质量,准确至0.1g三、注意事项:1、密度试验应进行2次平行测定,两次测定的差值不得大于0.03g/cm3,取两次试验结果的算术平均值。2、密度计算准确至0.01g/cm3。四、计算公式:1、湿密度ρ0:ρ0=g/v=g1-g0/V(计算至0.01g/cm3)式中:ρ0---湿密度(g/cm3)g---土的质量(g)V---环刀的体积(cm3)g1---环刀加土的质量(g)g0---环刀质量(g)2、干密度ρ干ρ干=g0/1+W水式中:ρ干---干密度g0---湿密度W水---土的含水率(%)计算与灌砂法相同压实度检验记录(环刀法)工程名称:土样类别:厚度:施工单位:击实类型:层次:试验日期:取样桩号、部位试验编号环刀号湿质量密度环刀容积cm3200200200200200200200200200200环刀质量g200200200200200200200200200200土样+环刀质量g617617611611611611621621612612土样质量g417417411411411411421421412412湿质量密度g/cm32.092.092.062.062.062.062.112.112.062.06含水率盒号6#4#10#3#7#8#9#1#2#5#盒质量g130127110盒+湿土质量g486516476盒+干土质量g456462430水的质量g305446干土质量g326335320含水率%9.199.1平均含水率%9.49.1干质量密度g/cm31.911.911.891.891.891.891.931.931.881.88平均干质量密度g/cm31.911.891.891.931.88最大干质量密度g/cm322222压实度%95.594.594.596.594试验员:校核:见证员:技术负责人:压实度检验记录(环刀法)工程名称:土样类别:厚度:施工单位:击实类型:层次:试验日期:取样桩号、部位试验编号环刀号湿质量密度环刀容积cm3环刀质量g土样+环刀质量g土样质量g湿质量密度g/cm3含水率盒号##########盒质量g盒+湿质量g盒+干土质量g水的质量g干土质量g含水率%平均含水率%干质量密度g/cm3平均干质量密度g/cm3最大干质量密度g/cm3压实度%试验员:校核:见证员:技术负责人:一.化验白灰滴定液配制1.钙红0.2g,硫酸钾20g。(硫酸钾用微波炉加热105℃/小时)研磨2.乙二胺四乙酸二钠37.26g兑1000ml蒸馏水(EDTA)3.三乙醇胺2ml兑蒸馏水1000ml和氢氧化钠18g。4.氯化铵500g兑蒸馏水4500ml.二.实验步骤1.取100g土和200ml氯化铵搅拌沉淀30分钟。2.取50ml氢氧化钠放入锥体瓶内,然后用吸管吸入10ml氯化铵。3.滴入钙红,变红为止。4.取(EDTA)50ml装入滴管,滴入锥体瓶内由红变蓝为止。5.试管内剩余(EDFA)量符合给定值时,石灰含量合格。三.压实度法求石灰量。1.压实度*最大干密度*长度*宽度*厚度*石灰剂量/1+石灰剂量。例:压实度为93%,最大干密度1.78g/cm3,宽为7m,厚为0.16m,石灰10%求1m需石灰量T。0.93*1.78*1*7*0.16*0.1/1+0.1=0.169T石灰剂量的测定方法一、试剂EDTA滴定法1、0.1mo/m3DETA=钠标准液称取37.226g钠(乙二铵四乙酸二钠)+微热蒸馏水定容至1000ml.2、10%氯化铵溶液500g+4500ml蒸馏水(100g+900ml)3、1.8%氢氧化钠(内含三乙醇胺)溶液,称取18g氢氧化钠(Naoh)+1000ml蒸馏水加热(待溶液冷至室温后再加2ml三乙醇胺搅拌均匀)4、钙红指示剂:0.2g钙试剂+20g硫酸钾(烘干,微波炉加热105℃/小时)一起研细放棕色广口瓶中。二、实验1、称100g混合料+200ml氯化胺用力振3分钟放置4分钟。2、用洗液管吸取上层液面下(1-2cm)液体10ml加入50ml1.8%氢氧化钠。3、加入钙红指示剂约0.1g(体积约黄豆大小)4、用EDTA二钠标准液滴定到纯兰色为终点记录其消耗量(既刻度)参照石灰滴定图。环刀法土方压实度计算的一般公式湿密度=4*(m1-m2)/πd2h试样的干密度=试样的湿密度/1+0.01wK=试样干密度/击实试验得到试样的最大干密度*100K-...

1、当您付费下载文档后,您只拥有了使用权限,并不意味着购买了版权,文档只能用于自身使用,不得用于其他商业用途(如 [转卖]进行直接盈利或[编辑后售卖]进行间接盈利)。
2、本站所有内容均由合作方或网友上传,本站不对文档的完整性、权威性及其观点立场正确性做任何保证或承诺!文档内容仅供研究参考,付费前请自行鉴别。
3、如文档内容存在违规,或者侵犯商业秘密、侵犯著作权等,请点击“违规举报”。

碎片内容

压实度计算方法

您可能关注的文档

文库当当响+ 关注
实名认证
内容提供者

该用户很懒,什么也没介绍

确认删除?
VIP
微信客服
  • 扫码咨询
会员Q群
  • 会员专属群点击这里加入QQ群
客服邮箱
回到顶部