电脑桌面
添加小米粒文库到电脑桌面
安装后可以在桌面快捷访问

高中物理 第二章 匀变速直线运动的规律 1 匀变速直线运动的研究教案 教科版必修第一册-教科版高一第一册物理教案VIP免费

高中物理 第二章 匀变速直线运动的规律 1 匀变速直线运动的研究教案 教科版必修第一册-教科版高一第一册物理教案_第1页
1/4
高中物理 第二章 匀变速直线运动的规律 1 匀变速直线运动的研究教案 教科版必修第一册-教科版高一第一册物理教案_第2页
2/4
高中物理 第二章 匀变速直线运动的规律 1 匀变速直线运动的研究教案 教科版必修第一册-教科版高一第一册物理教案_第3页
3/4
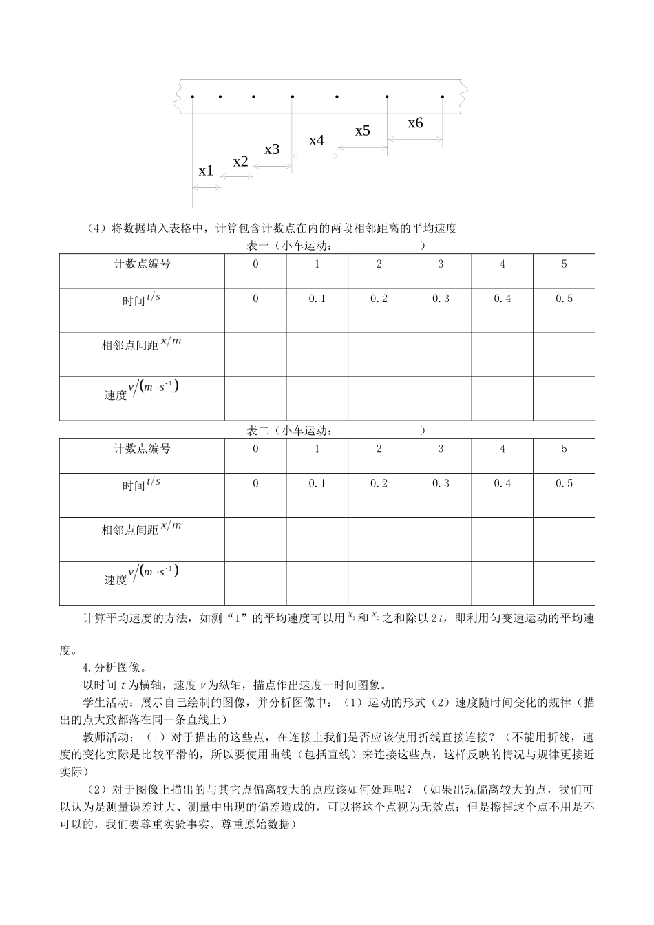
匀变速直线运动的研究【教学目标】1.知识与技能:(1)理解匀变速直线运动的定义。(2)进一步熟悉打点计时器的使用及纸带分析方法,会求各点的平均速度。(3)设计实验、熟练操作、会用表格法、图像法处理数据,并能合理猜想。2.过程与方法:(1)通过实验探究了解物理学研究的方法。(2)熟悉物理实验和数学工具在物理学发展过程中的作用。3.情感、态度、价值观:(1)培养严谨求实的实验态度。(2)通过实验探究培养学习物理和研究物理的兴趣,学会探索物理规律的方法。(3)学会合作完成实验,交流实验体会。【教学重点】1.对运动的速度随时间变化规律的探究。2.图像法研究速度随时间变化的规律。【教学难点】1.各点平均速度的计算。2.对实验数据的处理、规律的探究。【教学过程】一、导入新课。在我们的生活中存在着各种各样运动的物体,比如马路上急速行驶的汽车、高空中翱翔的飞鸟、空中快速下落的雨滴、地面上缓慢爬行的蜗牛等等,他们的运动各不相同,这些物体的运动速度的变化存在规律吗?如何探索复杂运动速度变化存在的规律呢?二、讲授新课。(一)匀变速直线运动教师活动:问这张速度图像对应的运动有什么特点?学生活动:学生举手回答。教师活动:讲解从图像可以看出,无论选在什么区间,对应的速度v的变化量与时间t的变化量的比都是一样的,即物体运动的加速度保持不变,速度随时间均匀变化。我们把速度随时间均匀变化的直线运动叫作匀变速直线运动。(二)实验:研究小车的运动教师活动:今天我们的任务就是来探究匀变速直线运动存在怎样的规律?昨天我们发给同学们一份探究报告,让大家思考这个实验探究的思路、方法和操作?今天我们首先联系实际来讨论一下你实验探究的内容及主要操作方法。学生活动:表达自己设计的实验想要探究的内容和主要操作的方法例如:a探究小车沿斜面加速下滑时速度随时间变化的规律操作方法:小车先静止在斜面的顶端然后下滑至底端b探究小车沿斜面减速向上滑时速度随时间变化的规律:操作方法:用手推小车,使小车沿斜面底端冲向斜面顶端c探究小车先沿斜面加速向上运动然后减速直至停止的运动规律:操作方法:砝码通过滑轮用细线连接小车使它先沿斜面向上快速滑动,半空中用手接住砝码小车由于受到阻力而逐渐停止下来。d探究小车在粗糙程度不同的斜面上运动时速度随时间变化的规律操作方法:将一个平滑的木板和一个粗糙的木板对接并且建立一个斜面,将小车从斜面顶端释放小车先在平滑斜面上加速下滑,到粗糙斜面上运动一定时间后静止过程中速度随时间变化的规律。教师活动:刚才几位同表达了自己想要探究的内容,思路清晰,叙述详细,他们都是使用打点计时器进行研究的,除打点计时器外,我们还有没有其它的工具或方法来研究?包括我们前面学的内容。学生活动:光电门、频闪照相、等时滴水、GPS、位移传感器教师活动:一般情况下复杂的运动可以分解为简单的运动,通过探究简单的运动从而去逐步认识复杂的运动,今天我们就来探究小车从斜面顶端向下加速运动和从斜面底端向上减速运动过程中速度随时间变化的规律。学生活动:1.设计实验各小组交流讨论,进行比较,教师指导,最终归纳和总结出一到两种设计方案进行探究(如:测小车沿斜面向下运动和小车沿斜面向上运动时速度随时间变化的规律)2.进行实验教师讲解:实验中应注意的事项。(包括打点计时器的使用、测减速运动时调节斜面的倾斜程度等)分组实验:学生们两人一组合作进行实验、分工明确、分别测出2-3条纸带、教师巡场指导可能出现的问题。3.数据分析。学生活动:回忆分析纸带的方法即如下所述(1)从纸带中选择两条比较清晰的纸带(2)从能看清的某个适当的点作为计时起始点。(3)从起始点开始,以5个自然间隔作为1个计时间隔(0.1s)确定恰当的计数点标上序号(0-6),用刻度尺测量每个计时间隔的距离。(选择一个起始点,用刻度尺一次测出各点的位移后再进行计算从而减小偶然误差)x1x2x3x4x5x6(4)将数据填入表格中,计算包含计数点在内的两段相邻距离的平均速度表一(小车运动:______________)计数点编号012345时间00.10.20.30.40.5相邻点间距速度表二(小车运动:___...

1、当您付费下载文档后,您只拥有了使用权限,并不意味着购买了版权,文档只能用于自身使用,不得用于其他商业用途(如 [转卖]进行直接盈利或[编辑后售卖]进行间接盈利)。
2、本站所有内容均由合作方或网友上传,本站不对文档的完整性、权威性及其观点立场正确性做任何保证或承诺!文档内容仅供研究参考,付费前请自行鉴别。
3、如文档内容存在违规,或者侵犯商业秘密、侵犯著作权等,请点击“违规举报”。

碎片内容

高中物理 第二章 匀变速直线运动的规律 1 匀变速直线运动的研究教案 教科版必修第一册-教科版高一第一册物理教案

您可能关注的文档

雨丝书吧+ 关注
实名认证
内容提供者

乐于和他人分享知识,从事历史教学,热爱教育,高度负责。

相关文档

确认删除?
VIP
微信客服
  • 扫码咨询
会员Q群
  • 会员专属群点击这里加入QQ群
客服邮箱
回到顶部