电脑桌面
添加小米粒文库到电脑桌面
安装后可以在桌面快捷访问

高考化学化学实验复习 物质的制备学案(第5、6课时)VIP免费

高考化学化学实验复习 物质的制备学案(第5、6课时)_第1页
1/13
高考化学化学实验复习 物质的制备学案(第5、6课时)_第2页
2/13
高考化学化学实验复习 物质的制备学案(第5、6课时)_第3页
3/13
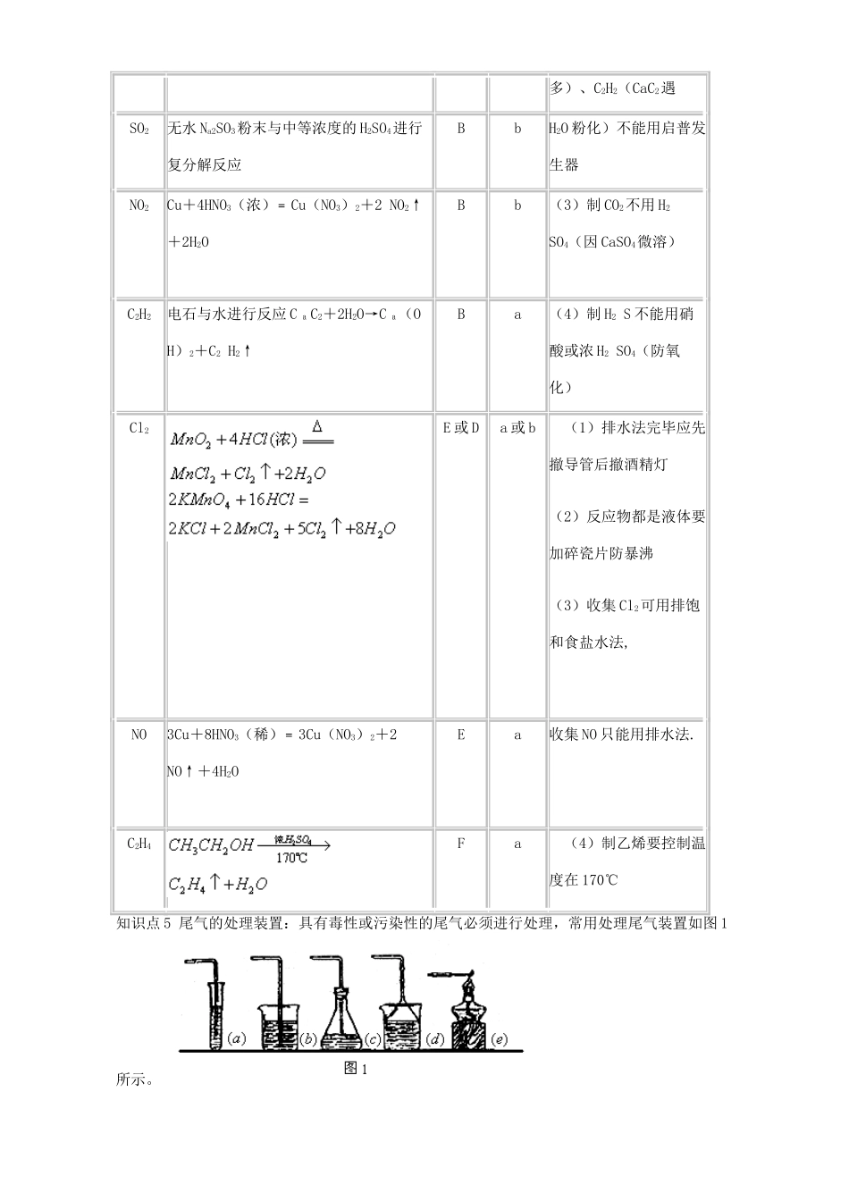
高考化学化学实验复习物质的制备学案(第5、6课时)课标解读课标要求学习目标1、认识化学实验在学习和研究化学中的作用2、掌握基本的化学实验方法和技能,体验实验探究的基本过程,提高实验能力,培养创新精神和实践能力。1、掌握常见气体和常见无机物、有机物的制备方法2、掌握物质制备的一般思路和程序,掌握化学实验仪器的使用,认识反应条件控制在化学研究中的意义和作用及反应条件的控制方法3、能够设计典型物质的制备方法并能对实验过程进行评价知识再现1、气体的制备知识点1、实验室制取纯净的气体一般有以下环节:(1)气体的发生;(2)气体的净化;(3)气体的收集;(4)尾气的处理(对于有毒气体)。知识点2、制备气体的发生装置:通常根据反应物的状态、反应条件和气体的性质的不同选择发生装置,实验室制备气体的装置一般有如下几种(见下图)。固体反应物加热制备气体液体反应物不加热制备气体液体反应物加热制备气体应注意装置的开放性。如:制O2:H2O2在催化剂MnO2的作用下分解,则可选择B装置;若加热K2MnO4:法,则可选择A装置。知识点3、气体的收集方法:根据气体的密度、溶解性、稳定性可将气体的收集方法分为三种。(1)排水集气法:适用于收集不溶于水或微溶于水且不与水发生反应的气体。(装置见图a)(2)向上排空气集气法:适用于收集不跟空气发生反应且密度比空气大的气体(已知,空气的相对分子质量为29)。(装置见图b)(3)向下排空气集气法:适用于收集不跟空气发生反应且密度比空气小的气体。(装置见图c)[注意]:①、排水法也可换成排液体的方法,如:排饱和食盐水收集Cl2..②、气体可直接收集在气袋内。③、制NH3时,收集试管口的棉花是防止NH3与空气对流,确保收集的NH3纯净。④、如图:该图可作多功能装置,排水法收集气体时,装满水气体从b进;向上排气体时(如:收集密度比空气大的气体),气体从a进;向下排气体时,气体从b进。知识点4、常见气体制备原理以及装置选择:如下表所示。气体反应原理发生装置收集装置注意事项O2Aa或b共同点:(1)气密性的检查NH3Ac不同点:收集氨气仪器要干燥H2较活泼金属与稀强酸(如H2SO4、、HCl但不能用HNO3或浓H2SO4)的置换反应Ca或c(1)用长颈漏斗时要液封(2)制SO2(Na2SO3CO2CaCO3+2HCl﹦CaCl2+CO2+H2OCb粉末)、NO2(剧烈放热多)、C2H2(CaC2遇SO2无水Na2SO3粉末与中等浓度的H2SO4进行复分解反应BbH2O粉化)不能用启普发生器NO2Cu+4HNO3(浓)﹦Cu(NO3)2+2NO2↑+2H2OBb(3)制CO2不用H2SO4(因CaSO4微溶)C2H2电石与水进行反应CaC2+2H2O→Ca(OH)2+C2H2↑Ba(4)制H2S不能用硝酸或浓H2SO4(防氧化)Cl2E或Da或b(1)排水法完毕应先撤导管后撤酒精灯(2)反应物都是液体要加碎瓷片防暴沸(3)收集Cl2可用排饱和食盐水法,NO3Cu+8HNO3(稀)﹦3Cu(NO3)2+2NO↑+4H2OEa收集NO只能用排水法.C2H4Fa(4)制乙烯要控制温度在170℃知识点5尾气的处理装置:具有毒性或污染性的尾气必须进行处理,常用处理尾气装置如图1所示。[说明]一般常用吸收液吸收具有毒性或污染性的有害气体,a、b为溶解度不是很大的尾气处理装置,c、d为溶解度大且吸收速率很快的尾气处理装置,难以吸收的尾气如CO,应于末端燃烧除去,如e。此外还可以用塑料袋盛装尾气。对无毒、无害的气体,可在塞子上安装一个放空管或多打一个孔。知识点6、气体的净化和干燥:气体的净化、干燥装置一般常用的有洗气瓶、干燥管、U形管和双通加热管几种,如图2。(1)洗气瓶[如图2(c)]中一般装入液体除杂试剂。除杂试剂应通过化学反应将杂质吸收或将杂质气体转化为所制取的气体。常见除杂试剂有:①强碱溶液,如NaOH溶液可吸收CO2、SO2、H2S、Cl2、NO2等酸性气体。②饱和的酸式盐溶液,可将杂质气体吸收转化,如:饱和Na2HCO3溶液能除去CO2中混有的HCl、SO2等强酸性气体;饱和NaHSO3溶液能除去SO2中混有的HCl、SO3等气体;饱和NaHS溶液除去H2S中混有的HCl气体。③浓H2SO4,利用它的吸水性,可除去H2、SO2、HCl、CO、NO2、CH4等气体中混有的水蒸气。但由于浓H2SO4有强氧化性,不能用来干燥强还原性气体,如H2SHBrHI;H2SO...

1、当您付费下载文档后,您只拥有了使用权限,并不意味着购买了版权,文档只能用于自身使用,不得用于其他商业用途(如 [转卖]进行直接盈利或[编辑后售卖]进行间接盈利)。
2、本站所有内容均由合作方或网友上传,本站不对文档的完整性、权威性及其观点立场正确性做任何保证或承诺!文档内容仅供研究参考,付费前请自行鉴别。
3、如文档内容存在违规,或者侵犯商业秘密、侵犯著作权等,请点击“违规举报”。

碎片内容

高考化学化学实验复习 物质的制备学案(第5、6课时)

您可能关注的文档

;绿洲书城+ 关注
实名认证
内容提供者

从事历史教学,热爱教育,高度负责。

确认删除?
VIP
微信客服
  • 扫码咨询
会员Q群
  • 会员专属群点击这里加入QQ群
客服邮箱
回到顶部