电脑桌面
添加小米粒文库到电脑桌面
安装后可以在桌面快捷访问

发动机气缸盖拆卸与安装项目VIP免费

发动机气缸盖拆卸与安装项目_第1页
1/3
发动机气缸盖拆卸与安装项目_第2页
2/3
发动机气缸盖拆卸与安装项目_第3页
3/3
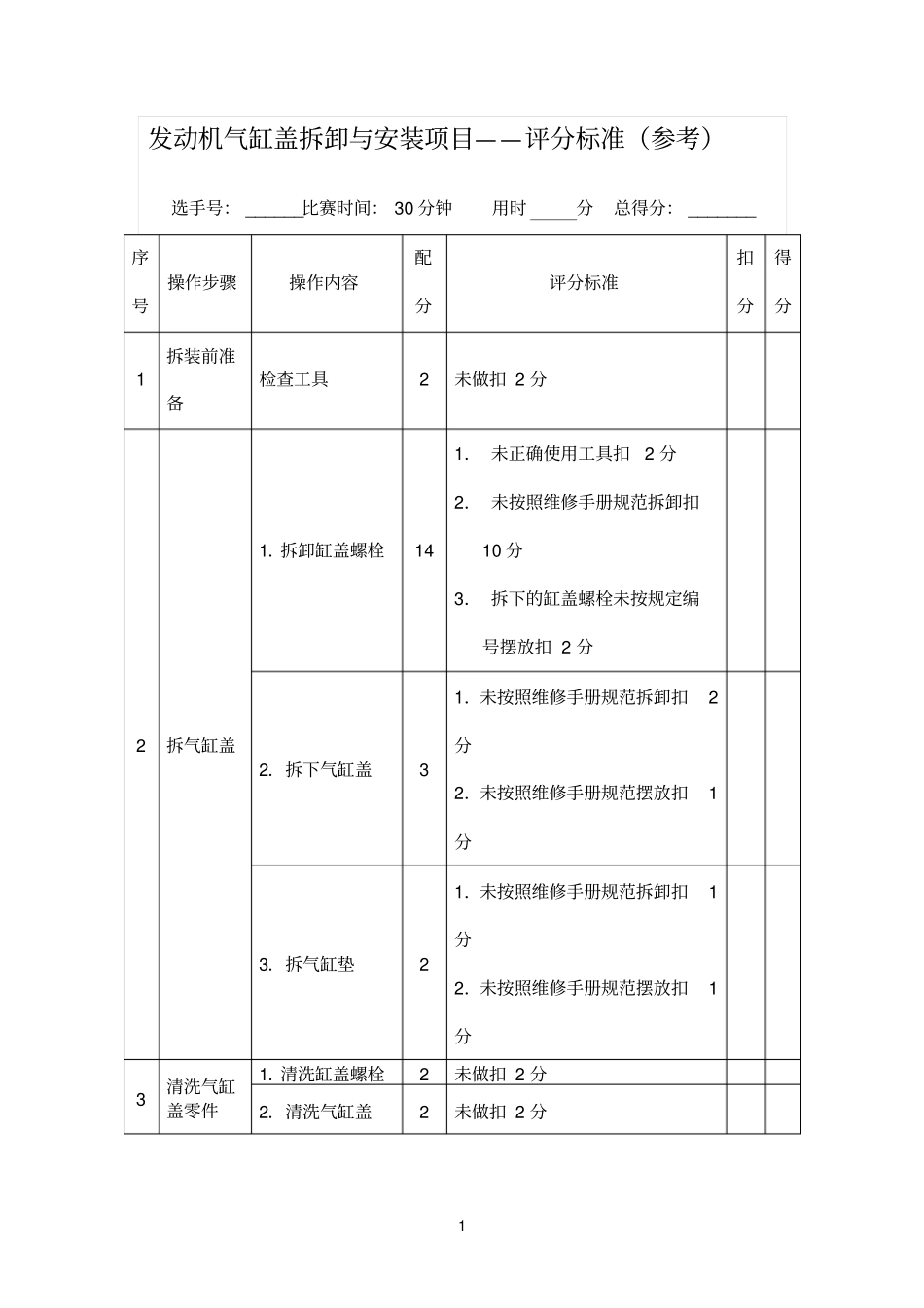
1发动机气缸盖拆卸与安装项目——评分标准(参考)选手号:______比赛时间:30分钟用时分总得分:_______序号操作步骤操作内容配分评分标准扣分得分1拆装前准备检查工具2未做扣2分2拆气缸盖1.拆卸缸盖螺栓141.未正确使用工具扣2分2.未按照维修手册规范拆卸扣10分3.拆下的缸盖螺栓未按规定编号摆放扣2分2.拆下气缸盖31.未按照维修手册规范拆卸扣2分2.未按照维修手册规范摆放扣1分3.拆气缸垫21.未按照维修手册规范拆卸扣1分2.未按照维修手册规范摆放扣1分3清洗气缸盖零件1.清洗缸盖螺栓2未做扣2分2.清洗气缸盖2未做扣2分24气缸盖零件测量1.缸盖螺栓测量251.未做量具零校准扣5分2.未按照维修手册规范测量扣15分3.未填写《气缸盖螺栓测量作业表》扣5分2.气缸盖平面度测量251.未正确使用量具扣5分2.未按照维修手册规范测量扣15分3.未填写《气缸盖平面度测量作业表》扣5分5气缸盖安装1.气缸垫安装3未按照维修手册规范安装扣3分2.气缸盖安装2未按照维修手册规范安装扣2分3.缸盖螺栓安装151.缸盖螺栓安装前未按要求涂抹机油扣1分2.未按照维修手册规范安装顺序拧紧缸盖螺栓扣5分3.未按照维修手册规范扭矩拧紧缸盖螺栓扣4分4.未按照维修手册规范紧固缸盖螺栓扣5分6安全文明1.工装整洁1工装不整洁扣1分3操作2.尊重裁判及比赛工作人员,服从裁判2不尊重裁判及比赛工作人员和服从裁判扣2分3.操作完毕,清洁和整理工量具2未做扣2分7评分说明考核时间要求:1.到时停止考试,只计算已完成的工作的分数2.在操作正确的基础上,如提前完成,每提前1分加1分,只计整数3.如出现设备损坏、人身伤害,此项目按零分计8合计100

1、当您付费下载文档后,您只拥有了使用权限,并不意味着购买了版权,文档只能用于自身使用,不得用于其他商业用途(如 [转卖]进行直接盈利或[编辑后售卖]进行间接盈利)。
2、本站所有内容均由合作方或网友上传,本站不对文档的完整性、权威性及其观点立场正确性做任何保证或承诺!文档内容仅供研究参考,付费前请自行鉴别。
3、如文档内容存在违规,或者侵犯商业秘密、侵犯著作权等,请点击“违规举报”。

碎片内容

发动机气缸盖拆卸与安装项目

确认删除?
VIP
微信客服
  • 扫码咨询
会员Q群
  • 会员专属群点击这里加入QQ群
客服邮箱
回到顶部