电脑桌面
添加小米粒文库到电脑桌面
安装后可以在桌面快捷访问

嘉兴住宅工程分户验收质量检查记录表室内空间尺寸偏差VIP专享VIP免费

嘉兴住宅工程分户验收质量检查记录表室内空间尺寸偏差_第1页
1/16
嘉兴住宅工程分户验收质量检查记录表室内空间尺寸偏差_第2页
2/16
嘉兴住宅工程分户验收质量检查记录表室内空间尺寸偏差_第3页
3/16
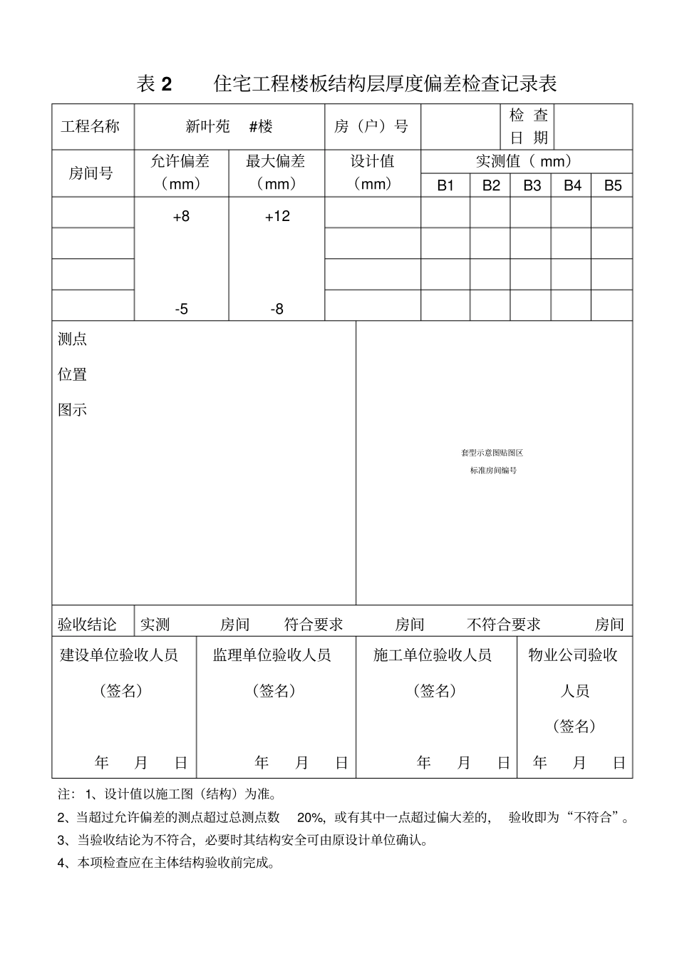
表1住宅工程室内空间尺寸偏差检查记录表工程名称新叶苑#楼房(户)号检查日期验收内容室内净高室内净开间、净进深房间号设计净值(mm)实测值(mm)设计净值开间/进深(mm)实测值(mm)H1H2H3H4H5L1L2L3L4实测:点其中合格点不合格点合格率:%测点位置图示套型示意图贴图区标准房间编号验收结论实测房间符合要求房间不符合要求房间建设单位验收人员(签名)年月日监理单位验收人员(签名)年月日施工单位验收人员(签名)年月日物业公司验收人员(签名)年月日注:1、允许偏差值:净高+20mm,净开间、净进深+15mm。2、允许极差值:净高及净开间、净进深均为20mm表2住宅工程楼板结构层厚度偏差检查记录表工程名称新叶苑#楼房(户)号检查日期房间号允许偏差(mm)最大偏差(mm)设计值(mm)实测值(mm)B1B2B3B4B5+8-5+12-8测点位置图示套型示意图贴图区标准房间编号验收结论实测房间符合要求房间不符合要求房间建设单位验收人员(签名)年月日监理单位验收人员(签名)年月日施工单位验收人员(签名)年月日物业公司验收人员(签名)年月日注:1、设计值以施工图(结构)为准。2、当超过允许偏差的测点超过总测点数20%,或有其中一点超过偏大差的,验收即为“不符合”。3、当验收结论为不符合,必要时其结构安全可由原设计单位确认。4、本项检查应在主体结构验收前完成。表3住宅工程楼(地)面、墙面、顶棚面层质量检查记录表工程名称新叶苑26#楼房(户)号检查日期序号验收内容质量要求检查记录1普通水泥楼(地)面无裂纹、脱皮、麻面、起砂、空鼓等缺陷;有排水坡度要求的不得倒泛水和积水楼面无裂纹、空鼓、起砂,符合要求2板块楼(地)面无裂纹、掉角、缺棱、空鼓等缺陷;有排水坡度要求的不得倒泛水和积水/3室内墙面无脱层、起壳、爆灰、裂缝等缺陷;表面光滑、洁净、平顺墙面平顺、光洁,符合要求4室内顶棚无脱层、起壳、爆灰、裂缝等缺陷;表面光滑、洁净、平顺顶棚无脱层,符合要求验收结论建设单位验收人员(签名)年月日监理单位验收人员(签名)年月日施工单位验收人员(签名)年月日物业公司验收人员(签名)年月日注:1、普通水泥楼(地)面空鼓面积不大于400㎝2,且每自然间不多于2处可不计2、板块楼(地)面凡单块板有局部空鼓(不大于单块板面积的20%),且每自然间不多于5%可不计。表4住宅工程门窗、栏杆安装质量检查记录表工程名称新叶苑26#楼房(户)号检查日期序号验收内容质量要求检查记录1门窗安装外窗台高度外窗台距楼(地)面层高度不得低于0.90m,低于0.9m时应有防护措施窗台高度符合要求2窗口偏移动允许偏差20mm偏移均小于20MM3密封性能密封条应安装完好,不应脱槽;铝合金门窗的橡胶密封条在转角处断开,并用密封胶固定密封性能良好,符合要求4排水性能有排水孔的门窗,排水孔应通畅,位置数量符合设计要求排水通畅5开启性能开关灵活、关闭严密、无倒翘,推拉门窗应有防脱落装置。开关灵活,符合要求6门窗配件安装应牢固、位置应准确,功能满足使用要求,应有可靠防锈措施。配件安装齐全且牢固7进户门质量住宅进户门应采用安全防卫门。向外开启的门不应妨碍交通。进户门符合设计及规范要求8栏杆安装栏杆构造阳台栏杆应设置防护措施,且采用防止儿童攀登构造,离楼面0.10m高度内不得留空。栏杆构造符合设计及规范要求9栏杆高度阳台、上人屋面等临空处栏杆六层及以下不低于1.05m,七层及以上不低于1.10m,不允许负偏差。栏杆高度符合规范要求10竖杆间距栏杆垂直杆件的净距不大于0.11m,不允许正偏差。栏杆间距符合规范要求11玻璃安装安全玻璃单块玻璃大于1.5㎡时应使用安全玻璃符合要求12落地门窗玻璃隔断对于碰撞后可能发生高处人体或玻璃坠落的部位,必须设置可靠的防护栏杆,且使用安全玻璃。落地门窗玻璃符合要求13承受水平承载的护栏玻璃应使用不小于12mm厚的钢化玻璃或钢化双层玻璃,当临空高度5m及以上时应使用钢化夹层玻璃。/14感观质量安装后的玻璃用牢固,不应有裂纹、损伤和松动。中空玻璃内外表面应洁净,中空内不应有灰尘和水蒸汽观质质量良好验收结论建设单位验收人员(签名)年月日监理单位验收人员(签名)年月日施工单位验收人员(签名)...

1、当您付费下载文档后,您只拥有了使用权限,并不意味着购买了版权,文档只能用于自身使用,不得用于其他商业用途(如 [转卖]进行直接盈利或[编辑后售卖]进行间接盈利)。
2、本站所有内容均由合作方或网友上传,本站不对文档的完整性、权威性及其观点立场正确性做任何保证或承诺!文档内容仅供研究参考,付费前请自行鉴别。
3、如文档内容存在违规,或者侵犯商业秘密、侵犯著作权等,请点击“违规举报”。

碎片内容

嘉兴住宅工程分户验收质量检查记录表室内空间尺寸偏差

确认删除?
VIP
微信客服
  • 扫码咨询
会员Q群
  • 会员专属群点击这里加入QQ群
客服邮箱
回到顶部