电脑桌面
添加小米粒文库到电脑桌面
安装后可以在桌面快捷访问

固体压强-典型例题含标准答案VIP免费

固体压强-典型例题含标准答案_第1页
1/6
固体压强-典型例题含标准答案_第2页
2/6
固体压强-典型例题含标准答案_第3页
3/6
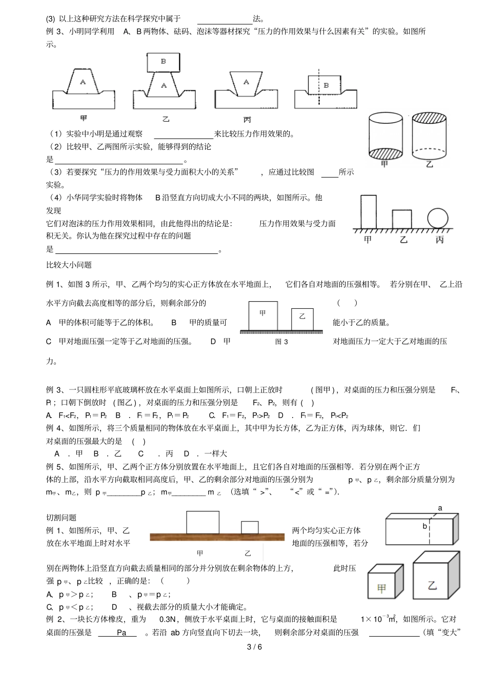
1/6一:压力压力的定义:垂直作用在物体表面上的力。压力的基本特征:压力是发生在相互接触的两个物体的接触面上的一种接触力,任何彼此分离的两个物体之间不可能产生压力。压力是与物体的形变相关联的一种弹力,是由于物体之间相互挤压,彼此引起形变而产生的,从力的性质看,压力属于弹性力。压力的方向总是与物体的接触面相垂直,且指向被作用的物体。压力与重力的区别从力的性质看,压力属于弹性力,重力属于引力性质,是由于地球的吸引而使物体受到的力。从施力物体看,压力的施力物体是相互挤压的物体,重力的施力物体是地球。从力的作用看,压力作用在相互发生挤压的两个物体的接触面上,重力的作用点是物体的重心。从力的方向看,压力的方向与接触面垂直,重力的方向总是竖直向下,与水平方向垂直,指向地心。从力的大小看,压力的大小决定于相互挤压、发生形变的情况,不一定与重力有关;重力的大小决定于物体质量的大小。压力的作用效果跟哪些因素有关:压力大小、受力面积的大小。二:压强压强的定义:物体单位面积上受到的压力。压强的公式:FPSP:压强(帕);F:压力(牛);S:受力面积(平方米)压强的单位:帕斯卡,简称帕(Pa)固体压强计算公式:FPS传递特点:只能大小不变的沿原来方向传递压力。影响因素:压力的大小、受力面积的大小。改变压强的方法:改变压力的大小、改变受力面积的大小。基础知识理解问题例1、下列关于压力和压强的说法正确的是A.单位面积上受到的压力越大,压强越大B.受力面积越大,压强越小C.重力越大,压力越大D.压力越小,压强越小例2、在结冰的河面上玩耍时,若发现脚下的冰即将破裂,应立即采取的措施是A.迅速跑开B.单脚站立C.双脚站立D.趴在冰面上挪开例3、下面措施中,属于减小压强的是()A.菜刀刀刃磨得很薄B.纸盒包装饮料常配有一根一端很尖的塑料吸管C.缝衣针的针尖做得很尖D.房屋的地基比墙宽例4、如图,小明和小强背着背带宽度不同的书包上学。对这两只书包,从科学角度看()A.背带窄些的书包较好,它能减小对肩部的压强B.背带宽些的书包较好,它能减小对肩部的压强C.背带宽些的书包较好,它能减小对肩部的压力D.背带窄些的书包较好,它能减小对肩部的压力例5、关于压力和压强,下列说法中正确的是()A.物体的质量越大,对受力面的压力一定越大B.压力越大,对受力面的压强越大C.受力面积越小,产生的压强一定越大D.压力一定时,受力面积越小,产生的压强一定越大例6、某同学在水平公路上骑自行车,当车胎发生缓慢漏气时,车胎对地面的压力和压强A.压力和压强不变B.压力和压强都变大C.压力不变,压强变小D.压力变小,压强变大2/6比例、倍数问题例1、如图7,质地均匀粗细相同的实心圆柱体A、B放在水平地面上。已知它们的密度之比ρA:ρB=1:2,对地面的压强之比PA:PB=1:3.则()A、它们的高度之比hA:hB=2:3B、它们的高度之比hA:hB=3:4C、它们的质量之比mA:mB=2:3D、它们的质量之比mA:mB=1:3【解题思路】由于是实心圆柱体且粗细均匀,放在水平地面上,所以压强公式可用P=ρgh,则h=P/ρg,列式计算可得hA:hB=2:3;又由公式P=F/S,F=mg。S相同,所以质量比与压强比相同。【点评】此题的关键点是灵活掌握公式及变形公式,理解它们的应用条件,以达到最佳的解题方案。对于粗细均匀的实心圆柱体且放在水平地面上:由F=F/S=mg/S=ρVg/S=ρShg/S=ρgh。难度中等。例2、如图所示,质量相等的甲、乙两个立方体放在水平地面上,它们对地面的压强分别为p1、p2。若把乙叠放到甲上面,则甲对水平地面的压强为p。下列关于压强p1、p2和p的关系式中正确的是()A、p=2p1;B、p=2p2;C、p=p1+p2;D、p=(p1+p2)/2。例3、如图所示,完全相同的两块砖分别平放和立放在水平地面上,已知砖的长:宽:高为4:2:1,若砖平放时对地面的压强为p1;,立放时对地面的压强为p2,则p1:p2等于()A.8:lB.4:1C.1:4D.l:8探究问题例1、小敏利用海绵、桌子和砝码进行了如图探究实验。下列对整个探究活动的分析不正确的是()A.探究的问题:压力的作用效果与什么因素有关B.探究的方法:控制变量法C.探究过程分析:通过观察海绵...

1、当您付费下载文档后,您只拥有了使用权限,并不意味着购买了版权,文档只能用于自身使用,不得用于其他商业用途(如 [转卖]进行直接盈利或[编辑后售卖]进行间接盈利)。
2、本站所有内容均由合作方或网友上传,本站不对文档的完整性、权威性及其观点立场正确性做任何保证或承诺!文档内容仅供研究参考,付费前请自行鉴别。
3、如文档内容存在违规,或者侵犯商业秘密、侵犯著作权等,请点击“违规举报”。

碎片内容

固体压强-典型例题含标准答案

您可能关注的文档

爱的疯狂+ 关注
实名认证
内容提供者

该用户很懒,什么也没介绍

确认删除?
VIP
微信客服
  • 扫码咨询
会员Q群
  • 会员专属群点击这里加入QQ群
客服邮箱
回到顶部