电脑桌面
添加小米粒文库到电脑桌面
安装后可以在桌面快捷访问

地铁临时施工预留洞口的封堵工程方案-secretVIP免费

地铁临时施工预留洞口的封堵工程方案-secret_第1页
1/29
地铁临时施工预留洞口的封堵工程方案-secret_第2页
2/29
地铁临时施工预留洞口的封堵工程方案-secret_第3页
3/29
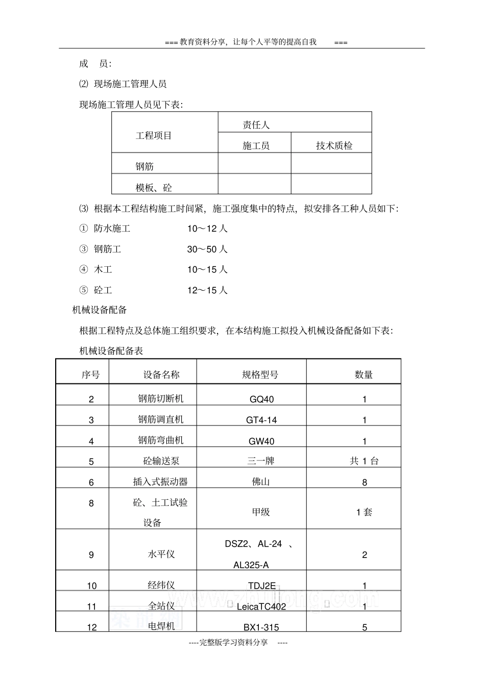
===教育资料分享,让每个人平等的提高自我===----完整版学习资料分享----一、编制依据在本施工方案的编制过程中,主要以以下几项为依据:1.关于轨道交通五号线XX地站关于顶板预留施工临时孔洞封堵的设计变更及有关要求。2.XX市轨道交通五号线XX地站工程土建施工设计图纸。3.本司有关管理制度规定。4.现行国家有关规范、规程和标准:5.《砼结构设计规范》GB50010-20026.《砼结构工程施工及验收规范》GB50204-20027.《建筑工程施工质量验收规范》GB50300-20018.《钢筋焊接及验收规范》JGJ18-20039.《建筑防水工程技术规程》DBJ/T15-9710.《地下铁道工程施工及验收规范》GB50299-199911.《砼泵送技术规程》JGJ/T10-97二、工程概况2.1车站工程概况XX站为地下二层车,车站的总建筑面积为10095m2,车站主体建筑面积为8320m2。车站总长,车站标准段总宽。站台为岛式站台,宽度为10m。车站顶板埋深,属浅埋地铁车站。2.2临时施工预留洞口的封堵工程概况及采用的方案说明XX站是XX轨道五号线第22个站,其出入口至今还没完成,现XX站只有在位于15轴~17轴间从顶板的预留孔洞进入站内施工。孔洞尺寸为13500mm*10000mm。为保证施工安全,并在孔洞周边采用钢结构进行加固处理。本次工程为封堵车站15轴~17轴主体结构顶板洞口,封堵部位没有结构柱和梁。洞口封堵施工在机电装修施工完成后进行,待砼达到强度后进行结构防水施工完成后,将其周边钢结构及砌体拆除,进行土方回填等施工。===教育资料分享,让每个人平等的提高自我===----完整版学习资料分享----结合本工程的现场的具体情况,施工部位结构顶板厚度为900mm,没有结构梁和柱。板上部钢筋为φ25@150和φ28@150,下部钢筋为φ28@150与预留钢筋接驳器联结,分布筋为φ18@150伸出较长,可采用单面焊搭接施工。封堵洞口砼采用微膨胀混凝土,强度等级为C35。结构顶板防水部分工程的搭接口预留比较短,部分需开挖土方才能保证其施工接口长度。考虑到钢筋工程与防水工程都是该项工程施工的重点,故采用此方案可保证结构安全及结构防水质量进而保证整个工程的质量。详见附图。三、施工管理及机械设备施工管理组织⑴XX站临时施工预留洞口封堵工程是土建工程的重要部分,为使本工程结构施工在工期紧、工作量大、质量要求高的条件下,高质量的完成任务,我项目部成立结构施工专门小组,重点抓好施工过程、质量控制、进度控制工作,做好施工协调工作,使该工程各项分项紧张而有序的进行。封堵洞口领导小组:组长:副组长:===教育资料分享,让每个人平等的提高自我===----完整版学习资料分享----成员:⑵现场施工管理人员现场施工管理人员见下表:工程项目责任人施工员技术质检钢筋模板、砼⑶根据本工程结构施工时间紧,施工强度集中的特点,拟安排各工种人员如下:①防水施工10~12人③钢筋工30~50人④木工10~15人⑤砼工12~15人机械设备配备根据工程特点及总体施工组织要求,在本结构施工拟投入机械设备配备如下表:机械设备配备表序号设备名称规格型号数量2钢筋切断机GQ4013钢筋调直机GT4-1414钢筋弯曲机GW4015砼输送泵三一牌共1台6插入式振动器佛山88砼、土工试验设备甲级1套9水平仪DSZ2、AL-24、AL325-A210经纬仪TDJ2E111全站仪LeicaTC402112电焊机BX1-3155===教育资料分享,让每个人平等的提高自我===----完整版学习资料分享----14风镐南京515木工圆盘锯中山316螺丝车床φ6~22217发电机75KW1四、工程特(难)点分析1.由于封堵洞口工程在机电装修完成后进行,钢筋需暴露的时间较长,必须先进行彻底的除锈工程,才能保证钢筋工程的质量。2.结构顶板防水是地下车站的重点,部分防水接口太短,需开挖部分土方才能保证防水的施工质量,增加的工程的难度。3.提升架及钢结构围护的拆除难度较高,需派专业的施工队进行拆除。五、保证工程按时按质完成的措施1.待装修工程大部分完成,将所需材料及时运到施工区后拆除提升架。2.采用满堂洪支架确保结构顶板的施工质量。3.采用机械联接与双面焊搭接相结合,保证工程的钢筋工程的质量4.防水工程选择有丰富经验的施工人员对防水接口进行认真细致搭接必要时配备开挖机械。5.结合我司以往的施工经验安排有丰富...

1、当您付费下载文档后,您只拥有了使用权限,并不意味着购买了版权,文档只能用于自身使用,不得用于其他商业用途(如 [转卖]进行直接盈利或[编辑后售卖]进行间接盈利)。
2、本站所有内容均由合作方或网友上传,本站不对文档的完整性、权威性及其观点立场正确性做任何保证或承诺!文档内容仅供研究参考,付费前请自行鉴别。
3、如文档内容存在违规,或者侵犯商业秘密、侵犯著作权等,请点击“违规举报”。

碎片内容

地铁临时施工预留洞口的封堵工程方案-secret

您可能关注的文档

确认删除?
VIP
微信客服
  • 扫码咨询
会员Q群
  • 会员专属群点击这里加入QQ群
客服邮箱
回到顶部