电脑桌面
添加小米粒文库到电脑桌面
安装后可以在桌面快捷访问

塑料成型工艺及模具设计课程设计任务书VIP免费

塑料成型工艺及模具设计课程设计任务书_第1页
1/14
塑料成型工艺及模具设计课程设计任务书_第2页
2/14
塑料成型工艺及模具设计课程设计任务书_第3页
3/14
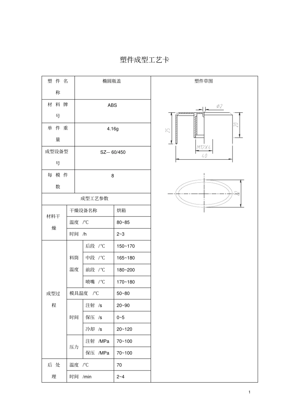
1塑件成型工艺卡塑件名称椭圆瓶盖塑件草图材料牌号ABS单件重量4.16g成型设备型号SZ—60/450每模件数8成型工艺参数材料干燥干燥设备名称烘箱温度/℃80~85时间/h2~3成型过程料筒温度后段/℃150~170中段/℃165~180前段/℃180~200喷嘴/℃170~180模具温度/℃50~80时间注射/s20~90保压/s0~5冷却/s20~120压力注射/MPa70~100保压/MPa70~100后处理温度/℃70时间/min2~42编制日期审核日期3设计计算和说明塑件成型工艺分析与设计(一)塑件原材料特性ABS是三元共聚物,因此兼有三种元素的共同性能,使其具有“坚韧、质硬、刚性”的材料。ABS树脂具有较高冲击韧性和力学强度,尺寸稳定,耐化学性及电性能良好,易于成形和机械加工等特点。此外,表面还可镀铬,成为塑料涂金属的一种常用材料.(二)塑件原材料成型性能1.吸湿性强,含水量应小于0.3%,必须充分干燥,要求表面光泽的塑件应要求长时间预热干燥2.流动性中等,溢边料0.04mm左右(流动性比聚苯乙烯,AS差,但比聚碳酸酯、聚氯乙烯好)3.比聚苯乙烯加工困难,宜取高料温、模温(对耐热、高抗冲击和中抗冲击型树脂,料温更宜取高),料温对物性影响较大、料温过高易分解(分解温度为250℃左右,比聚苯乙烯易分解),对要求精度较高塑件模温宜取50~60℃,要求光泽及耐热型料宜取60~80℃,注射压力应比加工聚苯乙烯的高,一般用柱塞式注射机时料温为180~230℃,注射压力为100~140Mpa,螺杆式注射机则取160~220℃,70~100MPa4.模具设计时要注意浇注系统对料流阻力小,浇口处外观不良,易发生熔接痕,应注意选择浇口位置、形式,顶出力过大或机械加工时塑件表面呈现“白色”痕迹(但在热水中加热可消失),脱模斜度宜取2°以上(三)塑件成型方法确定塑件用注射机成型(四)选择注塑机型号及其参数5.注射量的计算通过计算或Pro/E建模分析,塑件质量1m=4.16g,塑件体积31m14.16V=4.081.02cm。流道疑料的质量2m还是个未知数,可按塑件质量的0.6被来估算。从上述分析中确定为一模八腔,所以浇注系统疑料体积为32180.619.58VVcm。该模具一次注射所需塑料ABS如下体积:3012852.86VVVcm质量:0053.92mVg2.塑件和流道凝料在分型面上的投影面积及所需锁模力的结果1m=4.16g1V=34.08cm3052.86Vcm053.92mg结果4计算设计计算和说明流道凝料(包括浇口)在分型面上的投影面积为2A,在模具设计前还是个未知数,根据多型腔的统计分析,2A是每个塑件在分型面上的投影面积1A的0.2~0.5倍,因此可用0.351nA来进行估算,所以121110.351.35AnAAnAnAnA=7464.422mm(1A=691.15)mFAP型=7464.4235=261.25KN(P型=35)3.选择注射机根据每一周期的注射量和锁模力的计算值个选用SZ—60/450卧式注射机,其主要技术参数见下图SZ—60/450注射机主要技术参数理论注射容量3cm78锁模力/KN450螺杆直径/mm30拉杆内间距/mm280250注射压力/MPa170移模行程/mm220注射速率/(g/s)60最大模厚/mm300塑化能力/(g/s)5.6最小模厚/mm100螺杆转速/(r/min)14~200定位孔直径/mm55喷嘴球半径/mm20喷嘴孔直径/mm3.5锁模方式双曲肘4.注射机有关参数的校核1)由注射机料筒塑化速率校核模具的型腔数n21/36000.85.6360030/360019.172884.16kMtmnm型腔数校核合格。式中k:注射机最大注射量的利用系数,一般取0.8;M:注射机的额定塑化量(5.6g/s);t:成型周期,取30s。2)注射机压力的校核0'1.3130169epkpMPa,而ep=170MpaA27474.42mmFm265.25KNn=28k=0.8M=5.6g/st=30sp=169MPa结果5设计计算和说明注射压力的校核合格。式中'k取1.3,0p取130MPA。3)锁模力的校核1.157464.4235300.42FKApKN型而F=450KN,锁模力校核合格。塑件成型模具设计(一)型腔的数量和布置该塑件精度要求不高,又是大批量生产,可以采用一模多腔的形式。考虑到模具制造费用和设备运转费用低一些,定为一模八腔的模具形式。排列方式为两个H行排列(如下图所示),流道采用平衡式,浇口采用潜伏式或侧浇口式。(二)确定分型面根据塑件结构形式,分型面选在瓶盖的底平面。如下图(三)侧向抽芯机构由于该模具不涉及到侧向抽芯机构,所以无需进行此机构的设计。(四)浇注系统选择和设计1.主流道设计1)主流道尺寸根据所选注射机,则主流道小端尺寸为d=注射机喷嘴...

1、当您付费下载文档后,您只拥有了使用权限,并不意味着购买了版权,文档只能用于自身使用,不得用于其他商业用途(如 [转卖]进行直接盈利或[编辑后售卖]进行间接盈利)。
2、本站所有内容均由合作方或网友上传,本站不对文档的完整性、权威性及其观点立场正确性做任何保证或承诺!文档内容仅供研究参考,付费前请自行鉴别。
3、如文档内容存在违规,或者侵犯商业秘密、侵犯著作权等,请点击“违规举报”。

碎片内容

塑料成型工艺及模具设计课程设计任务书

您可能关注的文档

确认删除?
VIP
微信客服
  • 扫码咨询
会员Q群
  • 会员专属群点击这里加入QQ群
客服邮箱
回到顶部