电脑桌面
添加小米粒文库到电脑桌面
安装后可以在桌面快捷访问

塔吊圆形挡土墙技术交底VIP免费

塔吊圆形挡土墙技术交底_第1页
1/5
塔吊圆形挡土墙技术交底_第2页
2/5
塔吊圆形挡土墙技术交底_第3页
3/5
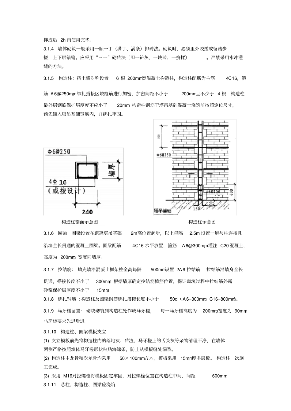
1.施工准备:1.1材料要求1.1.1蒸压灰砂砖:规格为240×115×53mm,强度等级Mu15。有产品合格证、产品性能检测报告。1.1.2砂浆:砌筑砂浆采用成品专用砌筑砂浆,砂浆强度等级M5;抹灰砂浆采用DP-MR(中等保水性抹灰砂浆)。1.1.3混凝土:C20商品混凝土。1.1.4钢筋:C16、A6经原材复试合格的钢筋。1.2主要机具手推车、铁锹、筛子、灰铲、小白线、线坠、瓦刀、托线板、卷尺、2m靠尺、楔形塞尺、水平尺、皮数杆、小水桶、灰槽、砖夹子、扫帚等。2.作业条件:2.1塔吊基础已完成,并达到上人条件。塔吊安装完毕,并可以使用。2.2已放好挡土墙轴线及边线;立好皮数杆(一般间距15~20m,构造柱处均应设立),并办完预检手续。2.3根据皮数杆最下面一层砖的底标高,拉线检查基础垫层表面标高,如一层砖的水平灰缝大于20mm时,应先用细石混凝土找平,严禁在砌筑砂浆中掺细石代替或用砂浆垫平,严禁砍砖合子找平。2.4挡土墙围绕塔身砌筑,呈圆形结构,墙体每边距塔心尺寸均相同。挡土墙厚为-5m以下为370mm,-5m至自然地坪为240mm。挡土墙于自然地坪处浇筑300mm高同墙厚C20混凝土挡水台,挡水台上安装1.2m高定型化防护栏。內净尺寸为圆形直径4m,高度为14m。挡土墙对称设置6根200mm宽混凝土构造柱(构造柱配筋为主筋4C16,箍筋A6@250),每隔2.5m设置200mm高同墙宽混凝土圈梁(配筋为4C16水平放置,箍筋A6@300)。挡土墙沿混凝土框架柱全高每隔500mm设置2A6拉结筋,拉结筋沿墙身全长贯通。挡土墙由塔吊基础顶,砌筑至自然地坪处,其上设挡水台及防护栏。挡土墙砌筑完成后,其上浇筑300mm高同墙厚C20混凝土挡水台作为压顶梁及挡水用。地然地坪处需在挡土墙上满铺脚手板,下部满挂双层安全网。安全网于-5m处及-2m处各增加一道双层安全网。挡土墙内需设集水坑,集水坑尺寸为400×400×400mm。3.操作工艺:3.1工艺流程测量放线--砖浇水--排砖撂底--砌筑挡土墙—钢筋绑扎—验收合模—混凝土浇筑—砌筑挡土墙—钢筋绑扎—验收合模—混凝土浇筑⋯⋯-上部封板,内部挂网3.1.1测量放线:施工前由施工班组长与项目部核对现场放线位置及尺寸,项目部核实后,才能开展现场放线工作,未经项目部允许及核实不得进行放线及后续施工。3.1.2砖浇水:砖应在砌筑前一天浇水湿润,一般以水浸入砖四边15mm为宜,含水率为10%~15%,常温施工不得用干砖上墙,不得使用含水率达饱和状态的砖砌墙。3.1.3采用铺浆法砌筑砌体,铺浆长度不得超过750mm;施工期间气温超过30℃时,铺浆长度不得超过500mm。水泥砂浆在拌成后3h内使用完毕;施工期间气温超过30℃时,必须在拌成后2h内使用完毕。3.1.4墙体砌筑一般采用一顺一丁(满丁、满条)排砖法。砌筑时,必须里外咬搓或留踏步搓,上下层错缝。应采用“三一”砌砖法(即一铲灰、一块砖、一挤揉)。严禁采用水冲灌缝的方法。3.1.5构造柱:挡土墙对称设置6根200mm宽混凝土构造柱,构造柱配筋为主筋4C16,箍筋A6@250mm。绑扎搭接区域箍筋进行加密,加密间距不小于200mm且不少于4根,构造柱最外层钢筋保护层厚度不应小于20mm。构造柱钢筋于塔吊基础混凝土浇筑前按照定位尺寸,预先锚入塔吊基础钢筋内,并绑扎牢固。构造柱剖面示意图构造柱示意图3.1.6圈梁:圈梁设置在距离塔吊基础2m高位置起步,以上每隔2.5m设置一道与柱连接且沿墙全长贯通的混凝土圈梁。圈梁配筋4C16水平放置,箍筋A6@300mm,灌注C20混凝土,高度为200mm,宽度同墙厚。3.1.7拉结筋:填充墙沿混凝土框架柱全高每隔500mm设置2A6拉结筋,拉结筋沿墙身全长贯通,搭接长度不小于300mm,根据墙厚确定拉结筋植筋位置,保证砌筑过程中拉结筋外露砂浆保护层厚度不小于15mm。3.1.8绑扎钢筋:构造柱及圈梁钢筋绑扎搭接长度不小于50d(A6=300mm、C16=800mm)。3.1.9马牙槎留置:砌块砌筑到构造柱处作成马牙槎,每一马牙槎高度为200mm,宽度为90mm,马牙槎要求先退后进。3.1.10构造柱、圈梁模板支立(1)支立模板前先将构造柱内的落地灰、砖渣、马牙槎上的舌头灰等杂物清理干净,在墙体两侧严格按照墙体马牙槎形状粘贴海绵条,防止从模板缝处漏浆。(2)构造柱主龙骨和次龙骨均采用50×100mm方木,模板采用15mm厚多层板。构造柱一次施...

1、当您付费下载文档后,您只拥有了使用权限,并不意味着购买了版权,文档只能用于自身使用,不得用于其他商业用途(如 [转卖]进行直接盈利或[编辑后售卖]进行间接盈利)。
2、本站所有内容均由合作方或网友上传,本站不对文档的完整性、权威性及其观点立场正确性做任何保证或承诺!文档内容仅供研究参考,付费前请自行鉴别。
3、如文档内容存在违规,或者侵犯商业秘密、侵犯著作权等,请点击“违规举报”。

碎片内容

塔吊圆形挡土墙技术交底

您可能关注的文档

确认删除?
VIP
微信客服
  • 扫码咨询
会员Q群
  • 会员专属群点击这里加入QQ群
客服邮箱
回到顶部