电脑桌面
添加小米粒文库到电脑桌面
安装后可以在桌面快捷访问

墙体节能专项施工方案VIP免费

墙体节能专项施工方案_第1页
1/23
墙体节能专项施工方案_第2页
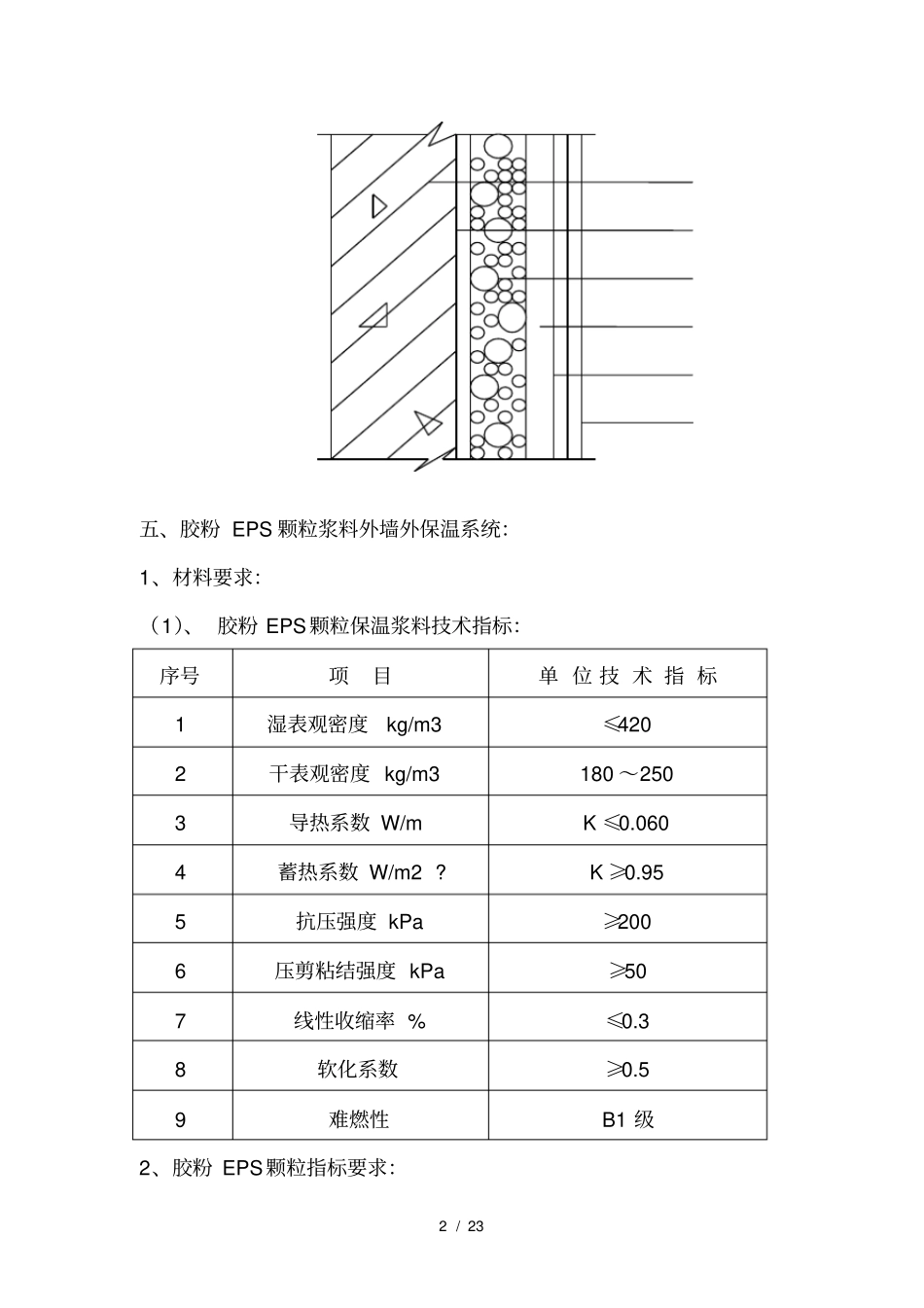
2/23
墙体节能专项施工方案_第3页
3/23
1/23墙体节能专项施工方案一、工程概况:本工程墙体节能采用外墙外保温薄抹灰系统,采用490mm厚红砖墙体,外抹80mm胶粉EPS颗粒保温浆料,保温浆料干密度为180-250㎏/m3,导热系数≤0.060(m.k)。二、适用规范及编制依据:《胶粉聚苯颗粒外墙外保温系统》JG158-2004《外墙外保温工程技术规程》JGJ144-2004三、项目部组织设置:成立外墙外保温施工管理小组,对外保温施工的质量、安全、进度进行控制和协调,小组的组成如下:组长:叶玉涛成员:柴宏、柴立明、王巍、柴荧四、胶粉EPS颗粒浆料系统结构图:2/23五、胶粉EPS颗粒浆料外墙外保温系统:1、材料要求:(1)、胶粉EPS颗粒保温浆料技术指标:序号项目单位技术指标1湿表观密度kg/m3≤4202干表观密度kg/m3180~2503导热系数W/mK≤0.0604蓄热系数W/m2?K≥0.955抗压强度kPa≥2006压剪粘结强度kPa≥507线性收缩率%≤0.38软化系数≥0.59难燃性B1级2、胶粉EPS颗粒指标要求:3/23序号项目单位技术指标1初凝时间h≥42终凝时间h≤123安定性(试饼法)合格4拉伸粘结强度MPa≥0.65浸水拉伸粘结强度MPa≥0.43、胶粉EPS颗粒性能指标要求:序号项目单位技术指标1堆积密度Kg/m38.0~21.02粒度(5mm筛孔筛余)%≤54、抗裂剂及抗裂砂浆性能指标:序号项目单位技术指标1抗裂剂不挥发物含量%≥202贮存稳定性(20℃±5℃)6个月,试样无结块凝聚及发霉现象,且拉伸粘结强度满足抗裂砂浆指标要求3抗裂砂浆可使用时间可操作时间h≥1.5,在可操作时间内拉伸粘结强度MPa≥0.74拉伸粘结强度(常温28d)MPa≥0.7,浸水拉伸粘结强度(常温28d,浸水7d)Mpa≥0.5六、施工作业条件:4/23主体结构已经过相关单位(建设单位、施工单位、质量监理、设计单位)检验合格,方可进行外保温工程。外墙外门窗、附框施工验收完毕,作业时环境温度不低于5℃,风力不大于5级,风速不大于10m/s,雨天不得施工。七、胶粉EPS颗粒保温浆料体系外墙外保温施工程序:基层墙体处理→墙体基层涂刷专用界面砂浆→吊垂直、套方、弹控制线→用保温浆料作灰饼、作冲筋、作口→每遍抹保温浆料约20㎜→24h后,抹20㎜厚聚苯颗粒保温浆料找平→晾置干燥,平整度、垂直度验收→划分格线、门、窗、口、滴水槽→抹抗裂砂浆,铺压玻纤网布→抹第二遍抗裂砂浆→抗裂防护层验收→涂刷底层涂料→刮柔性耐水腻子→保温施工整体验收→外墙饰面施工。八、基层处理:对保温浆料施工前,表面应清洁,油污、脱模剂等妨碍粘结的附着物,凸起、空鼓和疏松部位应剔除并找平。找平层与墙体粘结牢固,不得有脱层、空鼓、裂缝,面层不起有粉化、起皮、爆灰等现象。九、主要施工方法:1、聚苯颗粒保温浆料施工:(1)、在EPS颗粒保温浆料施工前,应将墙面垂直、套方找规矩、弹厚度控制线,拉垂直、水平通线,套方作口,按厚度线用聚苯颗粒浆料作标准灰饼或冲筋。(2)、EPS颗粒保温浆料的配制:先将35-40kg水倒入砂浆搅拌机内,然后倒入一袋25kg胶粉料搅拌3-5分钟后,再倒入一袋25/2300L聚苯颗粒继续搅拌5分钟,可按施工稠度适当调整加水量,搅拌均匀后倒出。应随搅随用,并在4小时内用完。(3)、在抹EPS颗粒时,根据设计要求,分层操作每层厚度最厚处不超过30mm,且每两遍间隔时间应在24小时以上,第一遍应注意压实,第二遍注意压实抹平,配制好的聚苯颗粒浆料应在4小时内用完,刮落的聚苯颗粒浆料在4小时内可搅拌再用,严禁使用过时灰。最后一遍厚度应留10mm左右为宜,且应达到冲筋厚度,并用大杠搓平,墙面门窗口平整度应达到规范要求。保温固化干燥(用手按不动表面,一般为5天)。2、做分格线条:(1)、根据建筑物装立面情况,分格缝宜分层设置,分块面积单边长度应不大于15m。(2)、按设计要求在EPS颗粒保温浆料层上弹出分格线和滴水槽的位置。用壁纸刀沿弹好的分格线开出设定凹槽。在凹槽中嵌满抗裂聚合物砂浆,在滴水槽嵌入凹槽中,与抗裂聚合物砂浆粘结牢固,用该砂突起抹平茬口。(3)、分割缝宽度不宜少于50cm,在保温层上开好分割缝槽,尺寸比设计要求宽10m,深5mm,嵌满抗裂聚合物砂浆,网格布应分格处搭接,应用上沿网格布压下沿网格布,搭接宽度为分格缝宽度。3、抹抗裂聚合物砂浆:(1)、EPS颗粒保温...

1、当您付费下载文档后,您只拥有了使用权限,并不意味着购买了版权,文档只能用于自身使用,不得用于其他商业用途(如 [转卖]进行直接盈利或[编辑后售卖]进行间接盈利)。
2、本站所有内容均由合作方或网友上传,本站不对文档的完整性、权威性及其观点立场正确性做任何保证或承诺!文档内容仅供研究参考,付费前请自行鉴别。
3、如文档内容存在违规,或者侵犯商业秘密、侵犯著作权等,请点击“违规举报”。

碎片内容

墙体节能专项施工方案

确认删除?
VIP
微信客服
  • 扫码咨询
会员Q群
  • 会员专属群点击这里加入QQ群
客服邮箱
回到顶部