电脑桌面
添加小米粒文库到电脑桌面
安装后可以在桌面快捷访问

墙板开洞及增加电梯井加固方案VIP免费

墙板开洞及增加电梯井加固方案_第1页
1/4
墙板开洞及增加电梯井加固方案_第2页
2/4
墙板开洞及增加电梯井加固方案_第3页
3/4
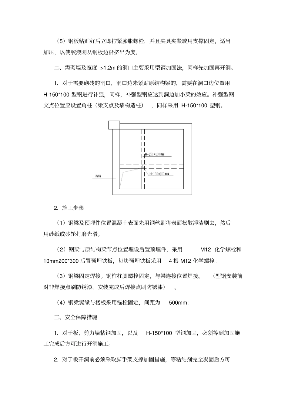
墙板开洞及增加电梯井加固方案为满足机电施工需要以及医院未来使用功能要求,现根据业主的要求需要在已完成的主体结构墙板上开洞,洞口主要包括管道井、电梯井等。功能不同,洞口的大小也不一样,面积较大的主要有3200×2350、2400×2400、3150×2400、2100×1050等。洞口较大采用绳锯切割开洞,较小的洞口采用水钻洗洞开洞方法,严禁采用锤击等破坏结构的方法进行开洞。一、墙开洞和无需砌墙的板开洞主要采用粘钢加固法,先加固再开洞。1、剪力墙的加固剪力墙的粘钢宜对称位于墙体两侧,粘钢的大小应满足:(1)宽度大于800mm的洞口,竖边粘钢的截面面积S=2.5%(D*1.5D),D为墙体厚度。为达到洞口竖边暗柱效应,洞边墙体两侧钢板应有适当穿墙锚栓拉结,以增加暗柱约束作用。同理,洞口上、下粘钢应达到连梁效应。(2)宽度小于800mm的洞口,每边粘钢的截面面积大于洞口同方向截断钢筋面积的一半。2、楼板的加固(1)宽度小于1200mm的板洞粘钢一般位于楼板下,粘钢应达到洞口加筋效应。3、施工步骤(1)混凝土表面粘钢按下列方法处理1)因为需开洞的墙是新浇混凝土,对粘合面先用钢丝刷将表面松散浮渣刷去,再用硬毛刷沾洗涤剂刷洗表面,再将混凝土墙面凿毛,等完全干后即可涂粘结剂。2)当粘合面有较大凸凹不平或蜂洞时,应用环氧砂浆找平处理基面,环氧砂浆应宽出钢板50mm以上。3)粘钢必需加设M16@300的膨胀螺栓,膨胀螺栓孔的定位应躲过构件钢筋,膨胀螺栓涂粘结剂后入孔。(2)钢板粘结面必需进行除锈和粗糙处理若钢板生锈,可用砂布或平砂轮打磨,直至出现金属光泽。打磨粗糙度越大越好,打磨纹路应与钢板受力方向垂直。(3)粘贴钢板前,应按混凝土面膨胀螺栓的位置在钢板上对应成孔,对被加固构件进行卸荷。(4)粘结剂严格按工艺要求配制好后,用抹刀同时涂抹在已处理好的混凝土表面和钢板面上,厚度1~3mm,中间厚边缘薄,然后将钢板贴于预定位置。若是立面粘贴,为防止流淌,可加一层脱蜡玻璃丝布,粘好钢板后用小锤,沿粘贴面轻轻敲击钢板,如无空洞声,表示已粘贴密实,否则应剥下钢板,补胶重新粘贴好。(5)钢板粘贴好后立即拧紧膨胀螺栓,并且夹具夹紧或用支撑固定,适当加压,以使胶液刚从钢板边沿挤出为度。二、需砌墙及宽度>1.2m的洞口主要采用型钢加固法,同样先加固再开洞。1、对于需要砌砖的洞口,洞口边未紧贴原结构梁的,需要在洞口边位置用H-150*100型钢进行补强,同样,补强型钢应达到洞边加小梁的效应。补强型钢交点位置应设置角柱(梁支点及墙构造柱),同样采用H-150*100型钢。2、施工步骤(1)钢梁及预埋件位置混凝土表面先用钢丝刷将表面松散浮渣刷去,然后用砂纸或砂轮打磨光滑。(2)钢梁与原结构梁节点位置埋设后置预埋件,采用M12化学螺栓和10mm200*300后置预埋铁板,每块预埋铁板采用4根M12化学螺栓。(3)钢梁固定焊接。钢柱柱脚螺栓固定,与梁连接位置焊接。(型钢安装前对非焊接点刷防锈漆,安装完成后焊接点刷防锈漆)。(4)钢梁翼缘与楼板采用锚栓固定,间距为500mm;三、安全保障措施1、对于板、剪力墙粘钢加固,以及H-150*100型钢加固,必须等到加固施工完成后方可进行开洞施工。2、对于板开洞前必须采取脚手架支撑加固措施,等粘结剂完全凝固后方可拆除脚手架。3、施工必须采用移动脚手架或搭设固定脚手架,施工人员必须系安全带。4、开洞前必须在开洞位置水钻洗洞,然后利用挂钩及手拉葫芦对切割的混凝土板进行固定,切割后移除,严禁切割后混凝土板自由坠落下一层平台板。四、其它施工保障措施1、对于采用水钻四周洗洞开洞的洞口,开洞后四周突出的混凝土必须用凿子凿除,严禁锤击破坏结构。2、对于没有紧挨框架梁的洞口边应适当放大10mm,待开洞完成后,对洞口边进行凿毛抹灰,加强对结构钢筋的保护。3、对屋面的洞口在屋面防水施工应采取必要加强的措施,同时防水卷材翻边必须加高同屋面四周泛水高度。4、切割下来的混凝土墙板必须凿碎清理到制定垃圾堆放点。

1、当您付费下载文档后,您只拥有了使用权限,并不意味着购买了版权,文档只能用于自身使用,不得用于其他商业用途(如 [转卖]进行直接盈利或[编辑后售卖]进行间接盈利)。
2、本站所有内容均由合作方或网友上传,本站不对文档的完整性、权威性及其观点立场正确性做任何保证或承诺!文档内容仅供研究参考,付费前请自行鉴别。
3、如文档内容存在违规,或者侵犯商业秘密、侵犯著作权等,请点击“违规举报”。

碎片内容

墙板开洞及增加电梯井加固方案

您可能关注的文档

确认删除?
VIP
微信客服
  • 扫码咨询
会员Q群
  • 会员专属群点击这里加入QQ群
客服邮箱
回到顶部