电脑桌面
添加小米粒文库到电脑桌面
安装后可以在桌面快捷访问

大型设备吊装方案及计算VIP免费

大型设备吊装方案及计算_第1页
1/13
大型设备吊装方案及计算_第2页
2/13
大型设备吊装方案及计算_第3页
3/13
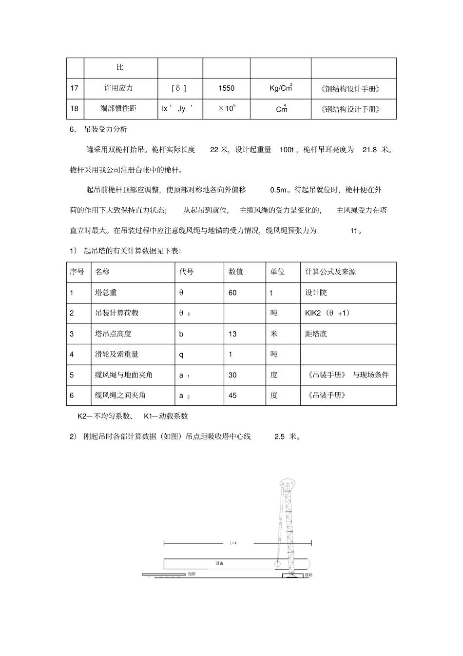
吊装方案1、工程概况及编制依据。。。。。。。。。。。。。。。。的项目,位于。。。。。。。。。。。。。主要有办公楼、主厂房、门卫等构筑物。同时其中的一套生产线设备是。。。。。。。。中心搬迁到新厂。在。。。。。。。。。。设备安装工程中,有六台发酵罐在钢结构框架内,最大设备重量为60吨,直径为5米,高度为14米,因为大型汽车吊或履带吊无法进入吊装地点,故本次设备吊装采用桅杆吊装。本方案的编制、执行依据:1)设计院设计的工程图纸。2)大型设备吊装工程施工工艺标准SHJ515—90。2、工程特点及吊装方法1)设备安装在框架内,尽管大型吊车无法进入吊装地点,但场地满足桅杆的竖立和放倒占地要求。2)设备基础不高,基础顶标高为+300,简化了方案设计中的力学分析,方便了施工。3)根据以上特点及施工工艺要求,选用国内已经运用成熟的“双桅杆滑移抬吊法”吊装发酵罐。单根桅杆起重量为50吨,桅杆规格为1000*1000*22000。3、施工程序及日程安排1)进场竖立桅杆3天。2)设备吊装(包括桅杆移位)12天4、吊装现场平面布置说明大件吊装、现场平面布置非常重要。要求合理使用场地,保证施工道路畅通,便于机具布置、安全吊装,便于吊装指挥。吊装外场地要求能承重100T货车,吊装现场周围无脚手架,混凝土结构外露钢筋等物不得超过混凝土结构50mm,要求罐基础的灌浆口符合设备所设计的地脚螺栓口,灌浆口内无模板、油污、碎石、泥土、积水等杂物,放置垫铁的表面应凿平,基础符合设计标准,并经过测量合格。结合现场条件,需要将各揽风绳保护式捆绑在混凝土结构柱上,捆绑标高为12米,揽风绳最大受力情况会在下面进行分析(最大约为,)。(如图)说明:1.吊装时,其它工种不得在安全线内作业。2.2#7#用20吨地锚,其余的用10吨地锚。3.缆风绳水平距离65~80米。卷扬机南5、桅杆技术资料序号名称代号数值单位计算公式及来源1两桅杆中心距Lm平面布置2桅杆高度H22m桅杆实测3吊耳距桅杆底hm桅杆实测4吊耳偏心距em桅杆实测5缆风绳偏心距rm桅杆实测6桅杆自重Nc6t偏安全测算,单根桅杆7主肢截面积FCm28桅杆主载面F’×m2桅杆实测9中部惯性距IxIy×106Cm2桅杆实测计算10端部截面f×m2桅杆实测11长度修正系数u变截面修正系数12标准节长度Im桅杆实测13长细比λ《钢结构设计手册》14折减系数Φ《钢结构设计手册》15分肢长度I01m桅杆实测16分肢最不利长细λ01《钢结构设计手册》比17许用应力[δ]1550Kg/Cm2《钢结构设计手册》18端部惯性距Ix’,Iy’×106Cm4《钢结构设计手册》6、吊装受力分析罐采用双桅杆抬吊。桅杆实际长度22米,设计起重量100t,桅杆吊耳亮度为21.8米。桅杆采用我公司注册台帐中的桅杆。起吊前桅杆顶部应调整,使顶部对称地各向外偏移0.5m。待起吊就位时,桅杆便在外荷的作用下大致保持直力状态;从起吊到就位,主缆风绳的受力是变化的,主风绳受力在塔直立时最大。在吊装过程中应注意缆风绳与地锚的受力情况,缆风绳预张力为1t。1)起吊塔的有关计算数据见下表:序号名称代号数值单位计算公式及来源1塔总重θ60t设计院2吊装计算荷载θ计吨KIK2(θ+1)3塔吊点高度b13米距塔底4滑轮及索重量q1吨5缆风绳与地面夹角a130度《吊装手册》与现场条件6缆风绳之间夹角a245度《吊装手册》K2—不均匀系数、K1—动载系数2)刚起吊时各部计算数据(如图)吊点距吸收塔中心线2.5米。拖排基础设备一对滑车组受力P1:tgδ=()/δ=2P1cosδ×14=Q计×6(设备垂心预计按6米处考虑)P1=(Q计×6)/(2cosδ×14)=塔尾承受力反力R:R=Q计(14-6)/14=水平索引滑车受力S拉S拉=K起[R(f1+f2/D)+R/H]=×[×+/+50)]=式中:K起——起动附加系数,钢管对方木,K起=F1F2——分别为钢管对木头和钢排的滚动摩檫系数。F1=0.10F2=D——滚杠直径D=11.4cm1/h=坡度取1/503)塔垂直就位时各部受力计算(如图)°风绳tgδ=()=δ=P1=Q/2cosδ=4)主吊卷扬机牵引力Sj导向口受力G选用H50×6D滑车组单牵引S=f-1/(f6-1)×f6×P取f==S=S×=导向开口受力GG=2×S=缆风总力T与主副缆风受力(如图)T=[P1(cosδe+sinδL)+2Soe]/(sinβc+cosβL)=式中:—荷载及缆风绳偏心距0.8米L—桅杆有效高度21.8米β—缆...

1、当您付费下载文档后,您只拥有了使用权限,并不意味着购买了版权,文档只能用于自身使用,不得用于其他商业用途(如 [转卖]进行直接盈利或[编辑后售卖]进行间接盈利)。
2、本站所有内容均由合作方或网友上传,本站不对文档的完整性、权威性及其观点立场正确性做任何保证或承诺!文档内容仅供研究参考,付费前请自行鉴别。
3、如文档内容存在违规,或者侵犯商业秘密、侵犯著作权等,请点击“违规举报”。

碎片内容

大型设备吊装方案及计算

确认删除?
VIP
微信客服
  • 扫码咨询
会员Q群
  • 会员专属群点击这里加入QQ群
客服邮箱
回到顶部