电脑桌面
添加小米粒文库到电脑桌面
安装后可以在桌面快捷访问

大容器内水沸腾放热试验VIP免费

大容器内水沸腾放热试验_第1页
1/6
大容器内水沸腾放热试验_第2页
2/6
大容器内水沸腾放热试验_第3页
3/6
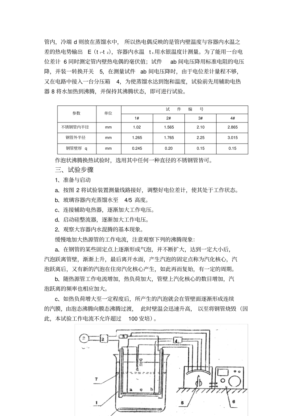
大容器内水沸腾放热试验一、试验目的及要求通过本试验观察水在大容器内沸腾的现象,建立起水泡状沸腾的感性认识。改变试件的热负荷,同时测定加热功率及表面温度,以热负荷q温差(tw-ta)为坐标。即可绘制大容器内水泡状沸腾区的沸腾曲线。二、试验装置及基本原理图1为试验设备的本体,其试件为不锈钢壁管1其两端通过电极3引入低压直流大电流,给不锈钢管加热。热源管放在盛有蒸馏水的玻璃容器4中,在饱和温度下,调节电极管的电压,可改变热源管表面的热负荷,观察到汽泡的形成扩大、跃离过程,以及泡状核心随着热源管热负荷提高而增加的现象。图1大容器内水沸腾放热试件本体1、不锈钢管试件2、热电偶3、电极管4、玻璃容器热源管的发热量由流过它的电流及其工作段的电压降来确定,为排除试件端部的影响在a、b两点测量热源管工作段的电压降,以确定通过a、b之间表面的散热量Q,试件外壁温度t2很难直接测定,不对不锈钢管试件,可利用插入管内的铜—康铜热电偶2。测出管内温度t1,再通过计算求出t2(详见附录)。要达到上述基本要求,整个试验装置见图2。加在热源管两端的直流低压大电流由硅整流器2供给,发硅整流器的电压可调节钢管两端的电压及流过的电流,测定标准电阻3两端的电压降可确定流过钢管1的工作电流。本试验台中为方便起见,省略了冰瓶,测量管内壁温的热电偶的参考点温度不是摄氏零度,而是容器内水的饱和温度ts,即其热端C放在热源管内,冷端d则放在蒸馏水中,所以热电偶反映的是管内壁温度与容器内水温之差的热电势输出E(t1-t2),容器内水温ts用水银温度计测量。为了能用一台电位差计6同时测定管内壁热电偶的毫伏值;试件ab间电压降用标准电阻的电压降,并装一转换开关5,在测量试件ab间电压降时,由于电位差计量程不够,又在电路中接入一台分压箱4,为使蒸馏水达到饱和温度,试验前先用辅助电热器8将水加热到沸腾,并保持其沸腾状态,即可进行试验。参数单位试件编号1#2#3#4#不锈钢管内半径mm1.021.5652.102.865钢管外半径mm1.2651.7652.253.015钢管壁厚qmm0.2450.200.150.15作泡状沸腾换热试验时,选用其中任何一种直径的不锈钢管皆可。三、试验步骤1、准备与启动a、按图2将试验装置测量线路接好,调整好电位差计,使其处于工作状态。b、玻璃容器内充蒸馏水至4/5高度。c、连接辅助电热器,逐渐加大工作电压。d、启动硅整流器,逐渐加大工作电压。2、观察大容器内水混腾的基本现象。缓慢地加大热源管的工作电流,注意观察下列的沸腾现象:a、在钢管的某些固定点上逐渐形成气泡,并不断扩大,达到一定大小后,汽泡跃离管壁,渐渐上升,最后离开水面,产生汽泡的固定点称为汽化核心,汽泡跃离后,又有新的汽泡在住房汽化核心产生,如此再而复始,有一定的周期。b、随热源管工作电流增加,热负荷加大,管壁上汽化核心的数目增加,汽泡跃离的频率也相应加大。c、如热负荷增大至一定程度后,所产生的汽泡就会在管壁面逐渐形成连续的汽膜,由泡态沸腾向膜态沸腾过渡,此时壁温会迅速升高,以至将钢管烧毁(因此,本试验工作电流不允许超过100安培)。图2大容器内水沸腾放热试验装置简图1、试件本体2、硅整流器3、标准电阻4、分夺器5、转换开关6、电位差计7、冷却管8、辅助加热管3、测定放热系数α为了确定放热系数α,需要测定下列参数(1)容器内水的饱和温度ts℃;(2)标准电阻两端电压降U1毫伏;(3)热源管ab间的电压降U伏。U=T×U2×10-3其中:T——分压箱倍率T=201;U2——电流流过试件ab间的电压降经分压箱后测得的值,毫伏;(4)反映管内壁温度与容器内水温之差的热电势输出E(t1-t2)毫伏。为了测定不同热负荷下放热系数α的变化,工作电流在30-100安培范围内改变,共测7~8个工况,每改变一个工况,待各读数稳定后,记录数据。4、试验结束前应将硅整流器旋至零值,然后切断电源。5、必要时可调换不同直径的不锈钢管,进行上述试验。为了得到管壁温度t,需要查热电偶的热电势与温度关系的曲线,由于热电偶的电势-温度关系并非直线,需按图3步骤,确定管内壁温度t。图3先根据温度计测得的饱和温度ts查热电偶的热电势与温度关系曲线或表得E(ts,0),反映t′的然后...

1、当您付费下载文档后,您只拥有了使用权限,并不意味着购买了版权,文档只能用于自身使用,不得用于其他商业用途(如 [转卖]进行直接盈利或[编辑后售卖]进行间接盈利)。
2、本站所有内容均由合作方或网友上传,本站不对文档的完整性、权威性及其观点立场正确性做任何保证或承诺!文档内容仅供研究参考,付费前请自行鉴别。
3、如文档内容存在违规,或者侵犯商业秘密、侵犯著作权等,请点击“违规举报”。

碎片内容

大容器内水沸腾放热试验

确认删除?
VIP
微信客服
  • 扫码咨询
会员Q群
  • 会员专属群点击这里加入QQ群
客服邮箱
回到顶部