电脑桌面
添加小米粒文库到电脑桌面
安装后可以在桌面快捷访问

附录三 材料的周转及摊销VIP免费

附录三 材料的周转及摊销_第1页
1/6
附录三 材料的周转及摊销_第2页
2/6
附录三 材料的周转及摊销_第3页
3/6
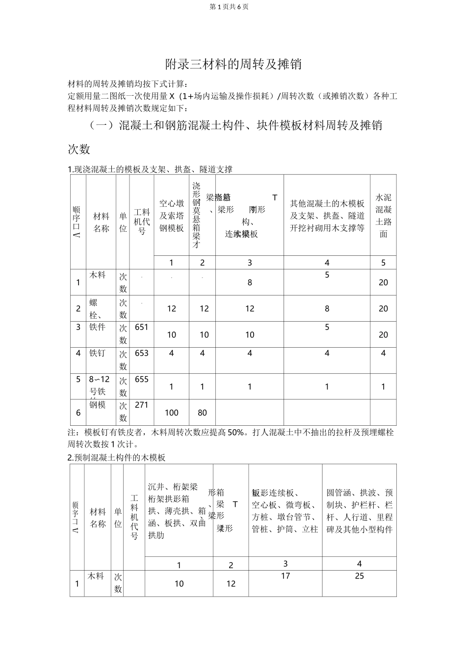
第1页共6页附录三材料的周转及摊销材料的周转及摊销均按下式计算:定额用量二图纸一次使用量X(1+场内运输及操作损耗)/周转次数(或摊销次数)各种工程材料周转及摊销次数规定如下:(一)混凝土和钢筋混凝土构件、块件模板材料周转及摊销次数1.现浇混凝土的模板及支架、拱盔、隧道支撑顺序口V材料名称单位工料机代号空心墩及索塔钢模板浇形钢莫悬箱梁才悬浇箱形梁、T形梁、T形刚构、连续梁木模板其他混凝土的木模板及支架、拱盔、隧道开挖衬砌用木支撑等水泥混凝土路面123451木料次数---85202螺栓、拉杆次数-1212128203铁件次数6511010105204铁钉次数6534444458〜12号铁丝次数655111116钢模次数27110080注:模板钉有铁皮者,木料周转次数应提髙50%。打人混凝土中不抽出的拉杆及预埋螺栓周转次数按1次计。2.预制混凝土构件的木模板顺序口V材料名称单位工料机代号沉井、桁架梁、桁架拱、箱形拱、薄壳拱、箱涵、板拱、双曲拱肋箱形梁、T形梁、I形梁矩形板、连续板、空心板、微弯板、方桩、墩台管节、管桩、护筒、立柱圆管涵、拱波、预制块、护栏杆、栏杆、人行道、里程碑及其他小型构件12341木料次数10121725第2页共6页2螺栓、拉杆次数-202020253铁件次数651101010124铁钉次数653555558〜12号铁丝次数6551111注:预制构件模板钉有铁皮者,木料周转次数应提高0%。3.组合钢模板材料周转次数顺序号项目代号周转次数预算定额材料名称材料损耗(%)预制现浇1组合钢模板2726040组合钢模板02组合钢模板连接件6512516铁件03螺栓、拉杆6512012铁件24压楞型钢1828060型钢65木夹条10253次或1墩次锯材156木支撑、木橛101128原木57扒钉、铁件6511010铁件28钢丝绳、钢筋杆4040钢丝绳、光圆钢筋2.59大块木模锯材(包括木拉带)102128锯材1510大块木模用圆钉65354铁件211硬塑料管—11其他材料费2.512橡胶板—2020其他材料费2.513钢板18310080钢板64.定型钢模板材料的周转次数顺序号项目周转次数预算定额材料名称预制现浇1定型钢模T形梁、I形梁、箱形梁12080钢模板2少筋微弯板150—3圆管涵200—4圆柱墩—805拱波300—注:其他材料的周转次数同组合钢模板。第3页共6页二)脚手架、踏步、井字架、金属门式吊架、吊盘等摊销次数材料名称原木、锯材钢材(钢筋、钢板、型钢、钢管、扣铁件铁钉8〜12号铁丝钢丝绳123456摊销次数2080202140注:使用1次算1次。三)临时轨道铺设材料摊销顺序号材料名称轻轨重轨使用次数摊销率(%)使用次数摊销率(%)12341钢轨128.3166.32鱼尾板616.710103鱼尾螺丝425616.74弹簧垫圈——4255道钉3.528.6333.36枕木3.528.6333.37防爬木撑———3—33.38防爬用铁钉———3—33.39防爬器——812.5注:如轨道使用防爬器时,括号内材料;均不需要。四)基础及打桩工程材料摊销次数顺序口V材料名称单位浮运沉井钢围囹下沉打圆木桩打钢筋混凝土方桩、管桩打钢板桩打砂桩基坑挡土板钢板桩木支撑打桩、灌注桩工作平台套箱浮运船加固围堰1234567891011121原木基础次333481022锯材基础次55454551023螺栓基础次101015151515151544铁件基10——1515—10151515152第4页共6页础次nnnnnnn5基础次2--口---444-68〜12号铁丝基础次1X--口------1X7釦z(\曰目桩次kJO2kJ-O2--8靴桩桩次-----9垫粧桩次LJ5----o基础次---口14------一角钢一基础次-6-口14---O5-2管冈4桩次-51--3基础次55-口-------14to基础次22-口-------51基础次O2--口-O-----6基础次O1X--口-5-----7基础次5--口-O-----8£0基础次---口------1X9几目*套冈4基础---O-第5页共6页次注:1•套箱底部结构用材料均按1基础次摊销;2.每完成一处桥台或桥墩基础为1基础次,每打一根桩为1桩次。五)灌注桩设备材料摊销顺序号设备材料钻架(座)护筒(个)出渣筒(个)钻头(个)木制钢制混凝土(挖孔桩)钢护筒钢筋混凝土砂土、黏土砂砾、烁石卵石、软石、次坚石、坚石干处水中123456789101摊销单位进米桩次进米进米2摊销数100030001101固定的1,重复使用的1000700500400顺序设备材料钻片杆(个)钢丝绳(400m)漏斗(个)导管(套)钢丝绳(600m)砂土、黏土砂砾、砾石卵石、软石、次坚石、坚石桩径(cm)120以下120以上120以下120以上120以下1...

1、当您付费下载文档后,您只拥有了使用权限,并不意味着购买了版权,文档只能用于自身使用,不得用于其他商业用途(如 [转卖]进行直接盈利或[编辑后售卖]进行间接盈利)。
2、本站所有内容均由合作方或网友上传,本站不对文档的完整性、权威性及其观点立场正确性做任何保证或承诺!文档内容仅供研究参考,付费前请自行鉴别。
3、如文档内容存在违规,或者侵犯商业秘密、侵犯著作权等,请点击“违规举报”。

碎片内容

附录三 材料的周转及摊销

确认删除?
VIP
微信客服
  • 扫码咨询
会员Q群
  • 会员专属群点击这里加入QQ群
客服邮箱
回到顶部