电脑桌面
添加小米粒文库到电脑桌面
安装后可以在桌面快捷访问

(设备管理)设备检查表VIP免费

(设备管理)设备检查表_第1页
1/13
(设备管理)设备检查表_第2页
2/13
(设备管理)设备检查表_第3页
3/13
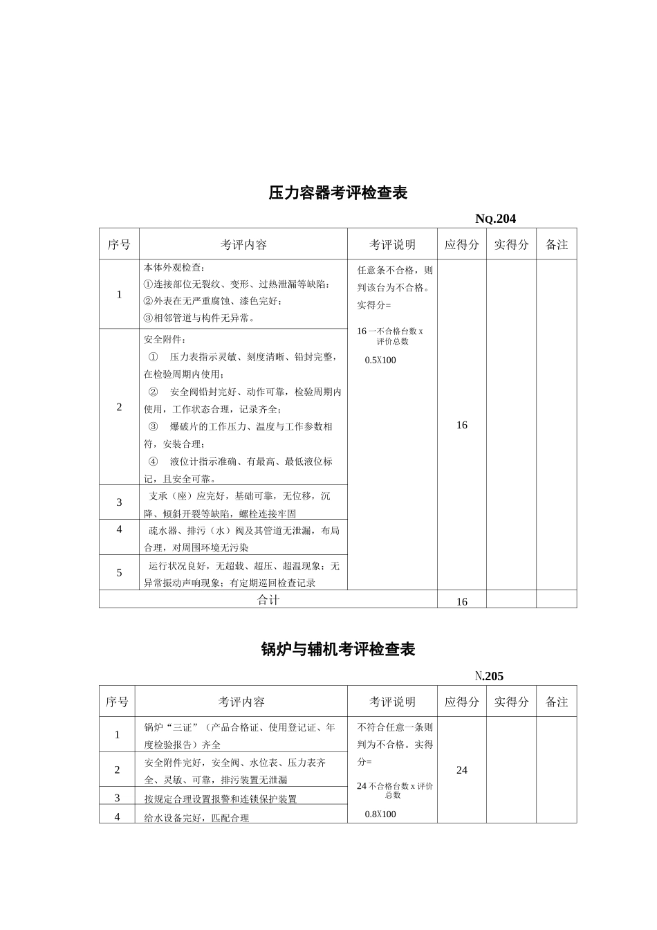
设备设施安全考评检查表工业气瓶考评检查表NQ.201序号考评内容考评说明应得分实得分备注1气瓶状况:①在检验周期内使用②外观无缺陷及腐蚀③漆色及标志正确、明显④安全附件齐全、完好任一条款不合格,则该汽瓶为不合格。实得分=18—不合格数X0.54X100评价总数182储存要求:①仓库状况良好,安全标志完善②各种瓶及空、实瓶应分开存放,存放量符合规定③标记明显,间距合理④各种护具及消防器材齐全、可靠一处不合格扣0.5分,多个场所经累计取平均值。23安全使用:①防倾倒措施可靠②工作场地存放量符合规定③与明火间距符合规定2合计22危险化学品库考评检查表N.202序号考评内容考评说明应得分实得分备注1危险化学品应按其危险特性进行分类、分区、分库贮存,库房符合安全标准的要求一处不合格扣0.5分。22消防设施安全,通道畅通一处不合格扣0.5分。23库内有隔热,降温、通风等措施一处不合格扣1分。24电气设施采用相应等级的防爆性电器一处不合格扣0.8分。25按危险化学品的特性处理废弃物品工包装容器无防爆工具扣1分。16库内有应急救援预案无应急救援预案扣1分。1合计10油库、油罐考评检查表NQ.203序号考评内容考评说明应得分实得分备注1油槽车需特有专用许可证,进入库区,必须装设专用排气阻火器一处不合格扣0.5分。22油罐无腐蚀、泄漏,梯子和扶栏符合安全要求一处不合格扣1分。33油罐上的液位计、呼吸阀齐全可靠、动作灵敏一处不合格扣2分。44罐体、胶质输油管等应有可靠的防雷接地和防静电接地一处不合格扣1分。25罐体与罐体之间或其它建筑物、管网、干道应留有足够的间距一处不合格扣0.5分。26库房的电气设施均应防爆一处不合格扣0.5分。27油库内应按贮存物品的种类和数量,配置足够的消防器材和灭火设施,并有相应的报警装置一处不合格扣1分。28库内使用的工具应是不产生火花的防爆工具一处不合格扣0.5分。29库内外应有醒目的安全警示标志和油品的名称、特性、数量、灭火方法等一处不合格扣0.5分。1合计20压力容器考评检查表NQ.204序号考评内容考评说明应得分实得分备注1本体外观检查:①连接部位无裂纹、变形、过热泄漏等缺陷:②外表在无严重腐蚀、漆色完好;③相邻管道与构件无异常。任意条不合格,则判该台为不合格。实得分=16一不合格台数x评价总数0.5X100162安全附件:①压力表指示灵敏、刻度清晰、铅封完整,在检验周期内使用;②安全阀铅封完好、动作可靠,检验周期内使用,工作状态合理,记录齐全;③爆破片的工作压力、温度与工作参数相符,安装合理;④液位计指示准确、有最高、最低液位标记,且安全可靠。3支承(座)应完好,基础可靠,无位移,沉降、倾斜开裂等缺陷,螺栓连接牢固4疏水器、排污(水)阀及其管道无泄漏,布局合理,对周围环境无污染5运行状况良好,无超载、超压、超温现象;无异常振动声响现象;有定期巡回检查记录合计16锅炉与辅机考评检查表N.205序号考评内容考评说明应得分实得分备注1锅炉“三证”(产品合格证、使用登记证、年度检验报告)齐全不符合任意一条则判为不合格。实得分=24不合格台数x评价总数0.8X100242安全附件完好,安全阀、水位表、压力表齐全、灵敏、可靠,排污装置无泄漏3按规定合理设置报警和连锁保护装置4给水设备完好,匹配合理5炉墙无严重漏风、漏烟,油、气、煤粉炉防爆式装置好6水质处理应能达到指标要求,炉内水垢在1.5mm以下7各类管道无泄漏,保温层完好无损,管道构架牢固可靠8其他辅机设备应符合机械安全要求合计24空压机考评检查表N.206序号考评内容考评说明应得分实得分备注1各种出厂技术资料齐全一处不合格扣该项目应得分值,多台空压机取平均值。12机身、曲轴箱等主要受力部件无影响强度和刚度的缺陷,所有紧固件必须牢靠并有防松措施23压力表、温度表(计)安全阀、液位计(油标)等安全装置(附件)应完整、灵敏可靠,且在检测周期内使用34外露的联轴器、皮带传动装置等旋转部位必须设置防护罩或护栏,螺杆式空压机保护盖必须关闭25配套的压缩空气管道无腐蚀,管内无积存杂物,管道漆色符合要求,并标有流向箭头,支架牢固可靠36电气设备符合安全要求,机组旁应设紧急停机按钮保护装置(开关)27空压机...

1、当您付费下载文档后,您只拥有了使用权限,并不意味着购买了版权,文档只能用于自身使用,不得用于其他商业用途(如 [转卖]进行直接盈利或[编辑后售卖]进行间接盈利)。
2、本站所有内容均由合作方或网友上传,本站不对文档的完整性、权威性及其观点立场正确性做任何保证或承诺!文档内容仅供研究参考,付费前请自行鉴别。
3、如文档内容存在违规,或者侵犯商业秘密、侵犯著作权等,请点击“违规举报”。

碎片内容

(设备管理)设备检查表

您可能关注的文档

确认删除?
VIP
微信客服
  • 扫码咨询
会员Q群
  • 会员专属群点击这里加入QQ群
客服邮箱
回到顶部