电脑桌面
添加小米粒文库到电脑桌面
安装后可以在桌面快捷访问

安全标志现场评审规范分解VIP免费

安全标志现场评审规范分解_第1页
1/33
安全标志现场评审规范分解_第2页
2/33
安全标志现场评审规范分解_第3页
3/33
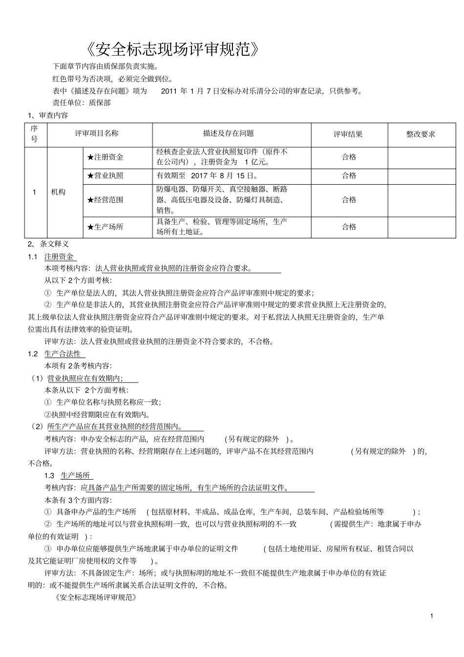
1《安全标志现场评审规范》下面章节内容由质保部负责实施。红色带号为否决项,必须完全做到位。表中《描述及存在问题》项为2011年1月7日安标办对乐清分公司的审查记录,只供参考。责任单位:质保部1、审查内容序号评审项目名称描述及存在问题评审结果整改要求1机构★注册资金经核查企业法人营业执照复印件(原件不在公司内),注册资金为1亿元。合格★营业执照有效期至2017年8月15日。合格★经营范围防爆电器、防爆开关、真空接触器、断路器、高低压电器及设备、防爆灯具制造、销售。合格★生产场所具备生产、检验、管理等固定场所,生产场所有土地证。合格2、条文释义1.1注册资金本项考核内容:法人营业执照或营业执照的注册资金应符合要求。从以下2个方面考核:①生产单位是法人的,其法人营业执照注册资金应符合产品评审准则中规定的要求;②生产单位是非法人的,其营业执照注册资金应符合产品评审准则中规定的要求营业执照上无注册资金的,其上级单位法人营业执照注册资金应符合产品评审准则中规定的要求。对于私营法人执照无注册资金的,生产单位需出具有法律效率的验资证明。评审方法:法人营业执照或营业执照的注册资金不符合要求的,不合格。1.2生产合法性本项有2条考核内容:(1)营业执照应在有效期内;本条从以下2个方面考核:①生产单位名称与执照名称应一致;②执照中经营期限应在有效期内。(2)所生产产品应在其营业执照的经营范围内。考核内容:申办安全标志的产品,应在经营范围内(另有规定的除外)。评审方法:营业执照的名称、经营期限存在上述问题的,评审产品不在其经营范围内(另有规定的除外)的,不合格。1.3生产场所考核内容:应具备产品生产所需要的固定场所,有生产场所的合法证明文件。本条有3个方面内容:①具备申办产品的生产场所(包括原材料、半成品、成品仓库,生产车间,总装车间、产品检验场所等);②生产场所的地址可以与营业执照标明一致,也可以与营业执照标明的不一致(需提供生产:地隶属于申办单位的有效证明):③申办单位应能够提供生产场地隶属于申办单位的证明文件(包括土地使用证、房屋所有权证、租赁合同以及其它能证明厂房使用权的文件等)。评审方法:不具备固定生产:场所;或与执照标明的地址不一致但不能提供生产地隶属于申办单位的有效证明的:或不能提供生产场所隶属关系合法证明文件的,不合格。《安全标志现场评审规范》2责任单位:质保部红色带号为否决项,必须完全做到位。1、审查内容2管理体系序号评审项目名称描述及存在问题评审结果整改要求2.1体系文件★管理机构/●可操作性/●质量方针和目标/●质量否决制度/2.2内部审核与管理评审■管理制度/■执行情况/■产品质量审核内容/■审核发现问题的处理/2、条文释义本章考核内容为生产单位建立质量管理体系并使之有效运行的管理基础。生产单位须将协调一致运转的各个环节用文件化的形式列出有效的、一体化的技术和管理程序,以便以最佳、最实际的方式来指导生产单位的运作。质量管理体系文件一般由质量子册、程序文件、作业指导书(操作规程、实施细则)、质量记录(生产检验记录、报告表格等)四部分组成。质量管理体系包括实施质量管理所需的组织机构(含职责)、程序、过程和资源。组织机构——生产单位执行其职能、按一定的格局所设立的组织单元(含岗位、职责、职权及相互之间的关系)。生产单位组织机构一般以文字和图表在质量文件中清晰地加以表示(如各类人员的岗位职责及质量管理机构及体系图)。程序——为进行或完成生产活动所规定的途径(或方法)。过程——将输入转化为输出的一组活动。安标管理产品的四大过程为:采购(原材料、外协或外购件)过程、生产过程、检验过程、销售及服务过程。评价过程从三个方面来进行①应确定每一个过程,过程的程序应文件化(方法、途径应确定):②每一过程应被充分展开并按文件要求贯彻实施;③过程输出应提供预期的结果,过程应有效。资源——包括:①人力资源和专业技能;②设计和研制设备;⑧制造生产设备;④检验和试验设备;⑤仪器仪表和计算机软件;⑥技术和资金等。2.1体系文件本项有4条考核内容:(1)应有健全的质量管理机构以及完整有...

1、当您付费下载文档后,您只拥有了使用权限,并不意味着购买了版权,文档只能用于自身使用,不得用于其他商业用途(如 [转卖]进行直接盈利或[编辑后售卖]进行间接盈利)。
2、本站所有内容均由合作方或网友上传,本站不对文档的完整性、权威性及其观点立场正确性做任何保证或承诺!文档内容仅供研究参考,付费前请自行鉴别。
3、如文档内容存在违规,或者侵犯商业秘密、侵犯著作权等,请点击“违规举报”。

碎片内容

安全标志现场评审规范分解

您可能关注的文档

确认删除?
VIP
微信客服
  • 扫码咨询
会员Q群
  • 会员专属群点击这里加入QQ群
客服邮箱
回到顶部