电脑桌面
添加小米粒文库到电脑桌面
安装后可以在桌面快捷访问

安全管理体系与措施VIP免费

安全管理体系与措施_第1页
1/12
安全管理体系与措施_第2页
2/12
安全管理体系与措施_第3页
3/12
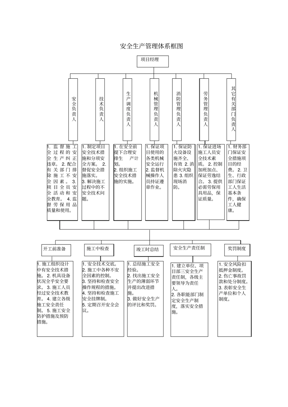
施工安全管理措施我单位已制定了职业健康安全管理体系认证。树立“安全第一”的思想,抓生产必须抓安全,以安全促生产。项目部成立以项目经理为首的安全领导小组,配备专职安全工程师,负责全面的安全管理工作;各施工作业组配备专职安全员,负责各项安全工作的落实。建立健全安全生产责任制,从项目经理到生产工人,明确各自的岗位责任,各专职机构和业务部门要在各自的业务范围内对安全生产负责。第一节安全管理目标和安全防范要点一、安全管理目标:“三无、二杜绝、一创建”“三无”即:无工伤死亡事故,无交通死亡事故,无火灾、洪灾事故。“二杜绝”即:杜绝重伤事故、杜绝重大工程事故。“一创建”即:创建安全文明工地。二、安全防范重点根据我单位以往施工经验,结合本工程施工工艺和环境的特点,施工安全防范重点有以下六个方面:防基坑边坡、开挖面坍塌事故,起重机械事故,防交通事故,防用电、火灾事故,防高空坠落事故,防落水溺水事故。第二节安全管理体系我单位已制定了职业健康安全管理体系。树立“安全第一”的思想,抓生产必须抓安全,以安全促生产。项目部成立以项目经理为首的安全领导小组,配备专职安全工程师,负责全面的安全管理工作;各施工作业组配备专职安全员,负责各项安全工作的落实。建立健全安全生产责任制,从项目经理到生产工人,明确各自的岗位责任,各专职机构和业务部门要在各自的业务范围内对安全生产负责。(安全生产管理体系及安全保证体系见下图)第三节安全保证措施一、安全生产管理措施1、本项目实行安全生产三级管理,即一级管理由项目经理负责,项目经理是施工项目安全管理第一责任人,二级管理由项目部专职安全员负责,三级管理由施工作业队班组长负责。2、按照颁布的《安全生产责任制》的要求,落实各级管理人员和操作人员的安全生产负责制,全员承担安全生产责任,做到纵向到底,横向到边,一环不漏,人人做好本岗位的安全工作。3、开工前项目经理部组织有关人员编制实施性安全施工组织设计,对主要作业项目,编制和实施专项安全措施设计,确保施工安全。安全生产管理体系框图项目经理安全负责人技术负责人生产调度负责人机械管理负责人消防管理负责人劳务管理负责人其它有关部门负责人1.监督施工全过程的安全生产纠正违章。2.配合有关部门排除施工不安全因素。3.项目全员安全活动和安全教育。4.监督劳保用品质量和使用。1.制定项目安全技术措施和分项安全方案。2.督促安全措施落实。3.解决施工过程中的不安全技术问题。1.在安全前提下合理安排生产计划。2.组织施工安全技术措施的实施。1.保证项目使用的各类机械安全运行2.监督机械操作人员持证遵章作业。1.保证防火设备设施齐全、有效2.消除火灾隐患3.组织现场消防。1.保证进场施工人员安全技术素质。2.控制加班加点、保证劳逸结合。3.提供必需劳保用具用品,保证质量。1.财务部门保证安全措施项目的经费。2.卫生、行政部门保证工人生活基本条件,确保工人健康。开工前准备施工中检查竣工时总结安全生产责任制奖罚制度1.施工组织设计中有安全技术措施。2.机具设备状况全乎安全要求。3.施工人员经过安全技术教育。4.建立各级施工安全责任制。5.施工安全防护措施及预防措施。1.安全技术交底。2.施工中各种不安全因素的控制。3.坚持和检查安全操作规程的措施。4.坚持和检查施工安全挂牌制。5.定期召开安全会议。1.总结施工安全经验。2.找出施工安全生产的薄弱环节并提出改进措施。3.做好安全生产的评比和奖罚。1.建立单位、项目部三安全生产责任制,各级主要领导为责任人。2.各职能部门制定安全生产制度,落实安全措施。1.安全风险扣抵押金制度。2.伤亡事故罚款和处分制度。3.表彰安全生产单位和个人制度。安全生产保证体系安全技术措施保证安全组织保证安全制度保证安全检查保证根据工程特点研究安全防护及施工措施制定安全技术培训计划制定安全技术操作规程进行安全施工技术教育和宣传统计分析和报告制度安全施工责任制度伤亡事故调查和处理制度安全防火管理责任制度安全保卫制度安全施工和例会制度设备管理负责人施工管理负责人安全技术负责人劳动管理负责人项目经理各班组长、...

1、当您付费下载文档后,您只拥有了使用权限,并不意味着购买了版权,文档只能用于自身使用,不得用于其他商业用途(如 [转卖]进行直接盈利或[编辑后售卖]进行间接盈利)。
2、本站所有内容均由合作方或网友上传,本站不对文档的完整性、权威性及其观点立场正确性做任何保证或承诺!文档内容仅供研究参考,付费前请自行鉴别。
3、如文档内容存在违规,或者侵犯商业秘密、侵犯著作权等,请点击“违规举报”。

碎片内容

安全管理体系与措施

您可能关注的文档

确认删除?
VIP
微信客服
  • 扫码咨询
会员Q群
  • 会员专属群点击这里加入QQ群
客服邮箱
回到顶部