电脑桌面
添加小米粒文库到电脑桌面
安装后可以在桌面快捷访问

安装造价员练习题及答案4VIP免费

安装造价员练习题及答案4_第1页
1/11
安装造价员练习题及答案4_第2页
2/11
安装造价员练习题及答案4_第3页
3/11
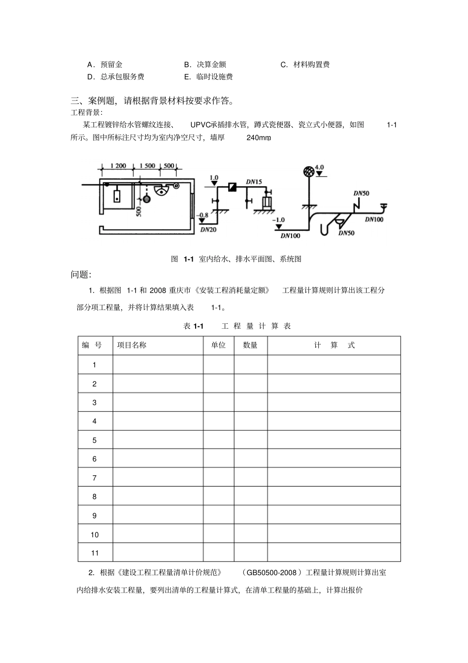
安装造价员练习题(四)一、单项选择题1.一般铁构件系指结构的厚度超过()。A.2.5mmB.3mmC.4mmD.4.5mm2.人们将1kv以下的电压称为()。A.中压B.高压C.超高压D.低压3.室外消火栓安装方式分为地上式和()。A.墙壁式B.地下式C.吊顶式D.支架式4.按形成玻璃的氧化物可分为:磷酸盐玻璃、硼酸盐玻璃和铝酸盐玻璃以及()。A.硅酸盐玻璃B.酸性玻璃C.碱性玻璃D.硝酸盐玻璃5.变压器有()。A.油浸式和干式B.高压式和变式C.低压式和变式D.浇注式和贯穿式6.通过电光源,将电能转换为光能的过程称为()。A.电路B.电气照明C.电场D.发电7.不同系统、电压等级、电流类别的线路,()。A.不应穿在同一管子或线槽的同一槽孔内B.可以同时穿入C.同管径的可穿入D.同截面积的可穿入8.厚钢板分普通、优质钢厚钢板和复合钢厚钢板,其分类的根据是()。A.力学性能B.生产工艺C.质量D.价格9.建筑照明通常分为()。A.应急照明和喷泉照明B.障碍照明和视觉照明C.视觉照明和装饰照明D.值班照明和装饰照明10.铝芯橡皮绝缘导线型号为()。A.BLXB.BXC.BBXD.BVR11.交流接触器的特点主要包括有()。A.热继电保护B.过电压保护C.剩余电流保护D.欠电压保护。12.各种开关安装高度距地面一般为()。A.1.1B.1.2C.1.3D.1.413.找出照明线路图用图形符号()。A.WLB.WPC.WXD.WV14.母线系统调试,以电压等级分档,计量单位为()。A.系统B.mC.组D.段15.室内管道消毒清洗工程量,按管道长度,不扣除阀件、管件长度,计量单位为()。A.kgB.延长米C.个D.根16.排水管网附件有存水弯和()。A.水嘴B.排水栓C.地漏D.泄水阀17.室内给水钢管除锈、刷油工程量,其计算式为()。A.F=1.2лDLB.F=лDLC.F=1.1лDLD.F=1.05лDL18.各种形式的消声器制作工程量其计量单位为()。A.个B.组C.m2D.kg19.分部分项工程量清单项目编码以12位阿拉伯数字表示,前9位是全国统一编码,可按附录中的相应编码设置,不得变动,后3位是清单项目名称编码,根据设置的清单项目,编制者是()。A.招标单位B.投标单位C.清单编制人D.清单发放人20.综合单价是指完成规定计量单位项目所需要的人工费、材料费、机械使用费、管理费和利润,并考虑()。A.风险因素B.损耗率C.税金D.规费二、多项选择题1.以下哪些不是三相电力变压器系统调试工作所包含的内容()。A.自动装置B.特殊保护装置C.变压器空载投入试验D.接地装置E.线圈调试2.以下哪些属于室内排水系统组成部分()。A.水表B.排水管网C.通气管及清扫设备D.阀门E.污水收集器3.接地装置组成()。A.接地体B.断接卡子C.接地线D.接地端子E.避雷网4.工程材料按化学成分分类包括()。A.高分子材料B.金属材料C.复合材料D.非金属材料E.黑色金属材料5.施工平面布置()。A.分阶段绘图B.比例为1∶200~500C.考虑各施工阶段的变化D.土建与安装协调E.业主绘制6.安装工程施工组织设计在布置运输道路时应注意()。A.路面形状B.路面宽度C.转弯半径D.路面高度E.路面材料7.建筑电气工程图的特点有()。A.直观性B.斜轴测图表示C.形成闭合回路D.各相关专业图联系密切E.图形和文字符号统一绘制8.以下哪些属于电气工程敷设部位(新符号)文字符号()。A.WB.CC.ALD.FE.J9.盥洗台安装通常可列下列哪些主要项目()。A.丝堵(个)B.管道安装(m)C.排水栓(组)D.地漏E.水表10.其他项目清单计价表有零星工作项目计价表费用和()。A.预留金B.决算金额C.材料购置费D.总承包服务费E.临时设施费三、案例题,请根据背景材料按要求作答。工程背景:某工程镀锌给水管螺纹连接、UPVC承插排水管,蹲式瓷便器、瓷立式小便器,如图1-1所示。图中所标注尺寸均为室内净空尺寸,墙厚240mm。图1-1室内给水、排水平面图、系统图问题:1.根据图1-1和2008重庆市《安装工程消耗量定额》工程量计算规则计算出该工程分部分项工程量,并将计算结果填入表1-1。表1-1工程量计算表编号项目名称单位数量计算式12345678910112.根据《建设工程工程量清单计价规范》(GB50500-2008)...

1、当您付费下载文档后,您只拥有了使用权限,并不意味着购买了版权,文档只能用于自身使用,不得用于其他商业用途(如 [转卖]进行直接盈利或[编辑后售卖]进行间接盈利)。
2、本站所有内容均由合作方或网友上传,本站不对文档的完整性、权威性及其观点立场正确性做任何保证或承诺!文档内容仅供研究参考,付费前请自行鉴别。
3、如文档内容存在违规,或者侵犯商业秘密、侵犯著作权等,请点击“违规举报”。

碎片内容

安装造价员练习题及答案4

确认删除?
VIP
微信客服
  • 扫码咨询
会员Q群
  • 会员专属群点击这里加入QQ群
客服邮箱
回到顶部