电脑桌面
添加小米粒文库到电脑桌面
安装后可以在桌面快捷访问

安防监控工程竣工验收报告模板VIP专享VIP免费

安防监控工程竣工验收报告模板_第1页
1/4
安防监控工程竣工验收报告模板_第2页
2/4
安防监控工程竣工验收报告模板_第3页
3/4
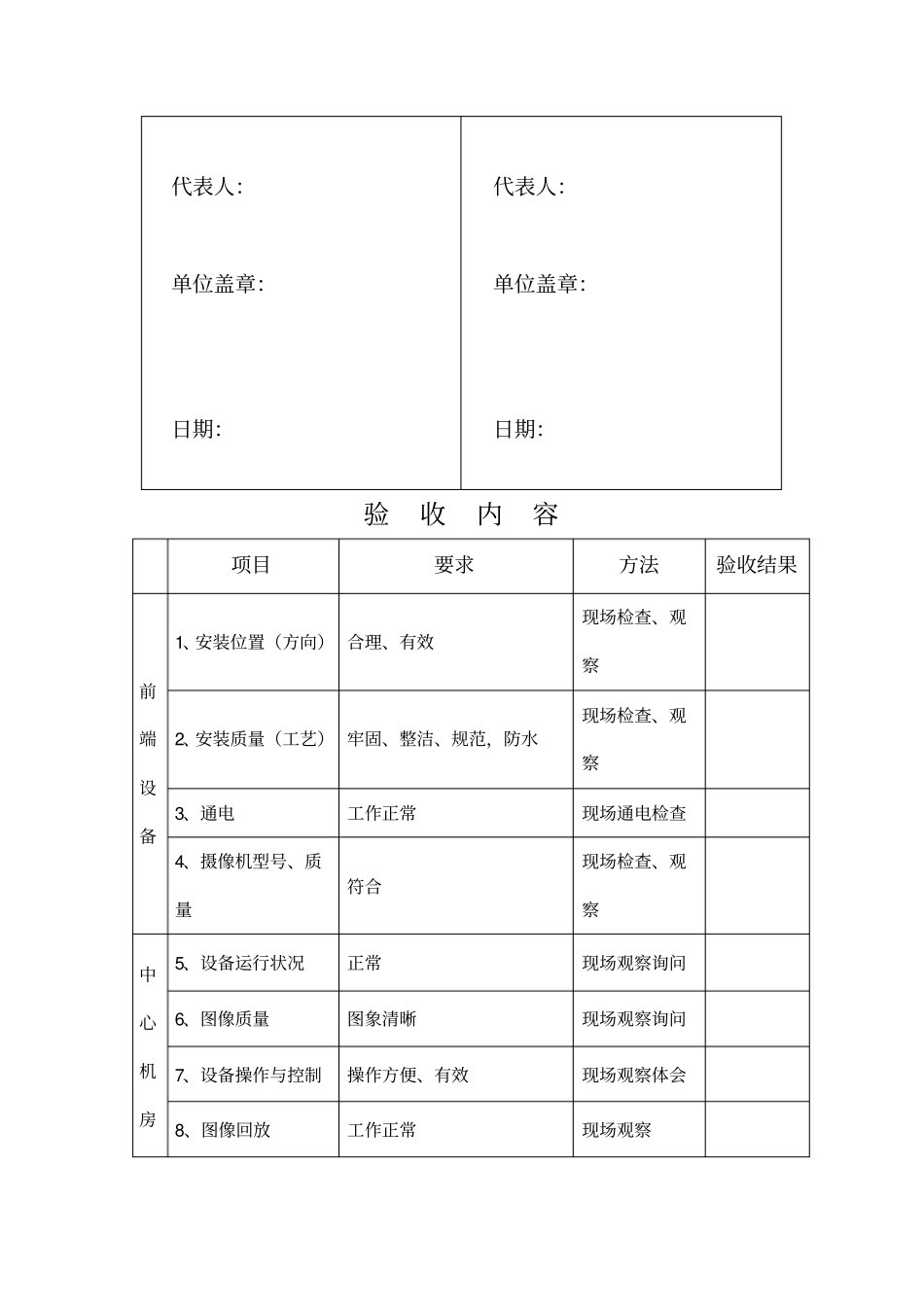
甘肃亚盛实业(集团)股份有限公司临泽分公司视频监控系统工程验收报告建设单位:甘肃亚盛实业(集团)股份有限公司临泽分公司承建单位:甘肃省广播电视网络股份有限公司临泽县分公司验收日期:年月日视频监控工程竣工验收报告书工程项目名称:视频监控系统工程工程项目验收具体条款注:一、详细条款参照施工合同二、此报告书作为竣工验收凭证。三、此报告书一式两份双方各执一份。四、双方代表签字及单位盖章正式生效。五、双方签字盖章则都代表认可此工程的验收,任何一方再不得提出异议。建设单位(甲方)承建单位(乙方)代表人:单位盖章:日期:代表人:单位盖章:日期:验收内容项目要求方法验收结果前端设备1、安装位置(方向)合理、有效现场检查、观察2、安装质量(工艺)牢固、整洁、规范,防水现场检查、观察3、通电工作正常现场通电检查4、摄像机型号、质量符合现场检查、观察中心机房5、设备运行状况正常现场观察询问6、图像质量图象清晰现场观察询问7、设备操作与控制操作方便、有效现场观察体会8、图像回放工作正常现场观察终端设备9、系统主要技术性能符合招标要求,存储时间30天现场观察、核对10、主要技防产品符合招标要求现场核对验收评判结果验收组意见验收组长签字:验收组成员签字:

1、当您付费下载文档后,您只拥有了使用权限,并不意味着购买了版权,文档只能用于自身使用,不得用于其他商业用途(如 [转卖]进行直接盈利或[编辑后售卖]进行间接盈利)。
2、本站所有内容均由合作方或网友上传,本站不对文档的完整性、权威性及其观点立场正确性做任何保证或承诺!文档内容仅供研究参考,付费前请自行鉴别。
3、如文档内容存在违规,或者侵犯商业秘密、侵犯著作权等,请点击“违规举报”。

碎片内容

安防监控工程竣工验收报告模板

确认删除?
VIP
微信客服
  • 扫码咨询
会员Q群
  • 会员专属群点击这里加入QQ群
客服邮箱
回到顶部