电脑桌面
添加小米粒文库到电脑桌面
安装后可以在桌面快捷访问

实用电子小制作39例VIP免费

实用电子小制作39例_第1页
1/3
实用电子小制作39例_第2页
2/3
实用电子小制作39例_第3页
3/3
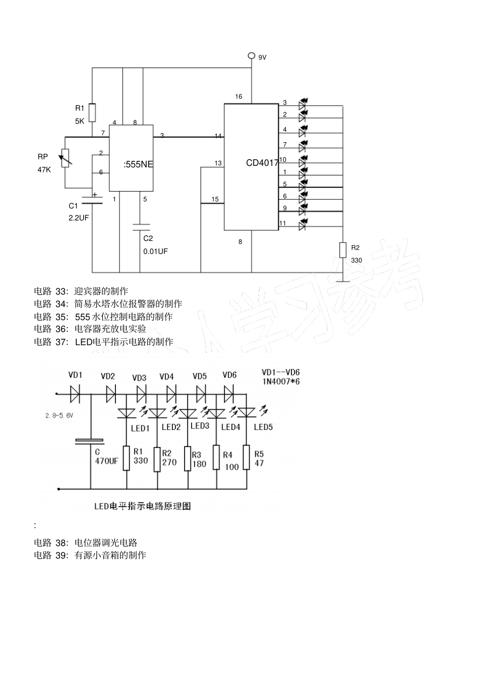
实用电子小制作39例电路1:简易声控闪光灯的制作电路2:音乐门铃的制作电路3:多功能报警器的制作电路4::节拍器的制作电路5:汽车转向灯电路的制作电路6:声光控路灯的制作电路7:红外遥控器检测仪的制作电路8:枕边LED方便灯的制作电路9:触摸记忆开关的制作:电路10:声控闪光多谐振荡器电路的制作电路11:爱心花样流水灯电路12:555多谐振荡器的制作:电路13:光控报警器的制作电路14:助听器的制作电路15:信箱提醒器的制作电路16:宝宝尿床提醒器的制作电路17:炉膛熄火报警器电路18:电子助记器的制作电路19:光控路灯的设计与制作电路20:用LM317可调稳压电源的制作电路21:具有固定输出电压的稳压电源电路的制作电路22:流动彩灯电路的制作电路23:互补管振荡器的制作电路24:模拟“知了”电路的制作::电路25:多谐振荡器的制作电路26:防空报警器的制作电路27:TDA2822助听器的制作电路28:简易测光仪电路的制作电路29:简易光控电路的制作电路30:LED小夜灯的制作电路31:电子鸟的制作电路32:LED循环灯的制作电路33:迎宾器的制作电路34:简易水塔水位报警器的制作电路35:555水位控制电路的制作电路36:电容器充放电实验电路37:LED电平指示电路的制作:电路38:电位器调光电路电路39:有源小音箱的制作:555NECD4017R15KRP47K+C12.2UFC20.01UF3847261514131583274101569119V16R2330

1、当您付费下载文档后,您只拥有了使用权限,并不意味着购买了版权,文档只能用于自身使用,不得用于其他商业用途(如 [转卖]进行直接盈利或[编辑后售卖]进行间接盈利)。
2、本站所有内容均由合作方或网友上传,本站不对文档的完整性、权威性及其观点立场正确性做任何保证或承诺!文档内容仅供研究参考,付费前请自行鉴别。
3、如文档内容存在违规,或者侵犯商业秘密、侵犯著作权等,请点击“违规举报”。

碎片内容

实用电子小制作39例

确认删除?
VIP
微信客服
  • 扫码咨询
会员Q群
  • 会员专属群点击这里加入QQ群
客服邮箱
回到顶部