电脑桌面
添加小米粒文库到电脑桌面
安装后可以在桌面快捷访问

工程地下室SBS改性沥青防水卷材施工方案VIP免费

工程地下室SBS改性沥青防水卷材施工方案_第1页
1/12
工程地下室SBS改性沥青防水卷材施工方案_第2页
2/12
工程地下室SBS改性沥青防水卷材施工方案_第3页
3/12
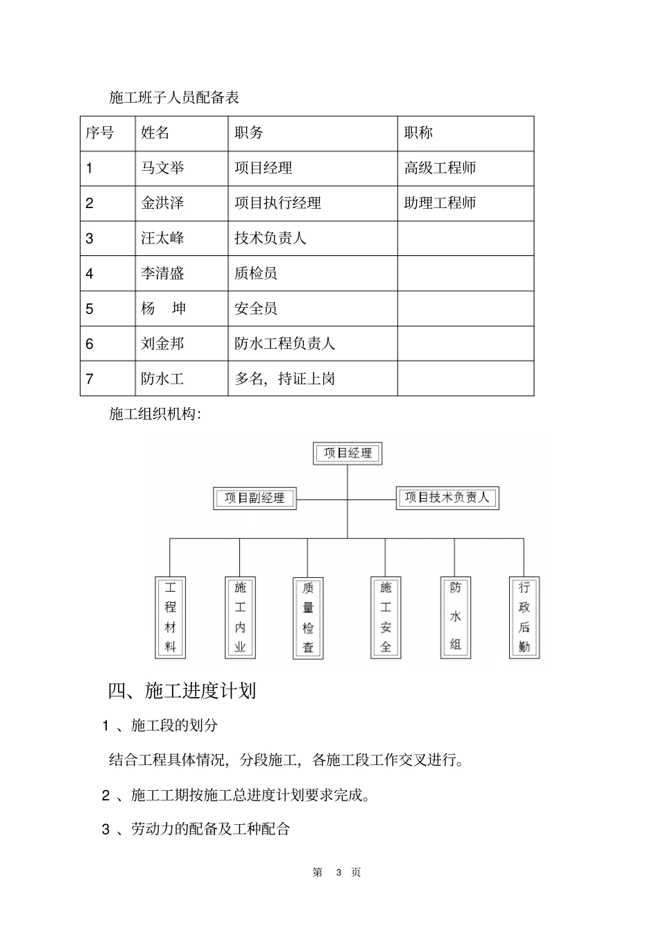
第1页目录一、编制依据二、工程概况三、施工组织机构四、施工进度计划五、地下室防水工程施工方案六、成品保护七、保证工期措施八、质量保证措施九、安全文明施工措施十、成品保护措施第2页一、编制依据《地下室防水工程质量验收规范》根据GB50208-2011。《地下工程防水技术规范》GB50108-2008。本工程施工设计图纸、图集及业主对工程质量要求进行编制。二、工程概况本工程±0.000以下地下结构及基础防水采用混凝土结构自防水和3+4厚SBS高聚物改性沥青卷材防水,防水等级一级;本工程基础工程量大、工期紧,应紧密配合土建施工单位的施工。部位防水做法保护层基础底板两道防水:混凝土结构自防水,P8;3+4厚高聚物改性沥青卷材防水70厚C20细石混凝土车库侧墙及顶板两道防水:混凝土结构自防水,P8;3厚SBS+4厚耐根穿刺高聚物改性沥青卷材防水侧墙:50厚聚苯板;顶板:70厚C20细石混凝土三、施工组织机构项目经理部针对此防水工程的重要性,将该工程纳入一级目标管理,选派施工经验丰富、具有国家二级项目经理资质的项目执行经理和技术管理水平高、责任心强的技术负责人驻守施工现场,对关键部位和特殊部位亲自把关,公司各职能部门定期到现场监督检查。项目经理部的成员相互间配合默契,保证在项目经理的直接领导下,做到有计划地施工和管理,确保工程项目的质量、工期和安全文明施工,做到符合设计要求,达到建设方满意的效果。第3页施工班子人员配备表序号姓名职务职称1马文举项目经理高级工程师2金洪泽项目执行经理助理工程师3汪太峰技术负责人4李清盛质检员5杨坤安全员6刘金邦防水工程负责人7防水工多名,持证上岗施工组织机构:四、施工进度计划1、施工段的划分结合工程具体情况,分段施工,各施工段工作交叉进行。2、施工工期按施工总进度计划要求完成。3、劳动力的配备及工种配合第4页此防水施工方法由防水专业人员操作,根据工作面大小配备人员,每2000m2的施工配备一组人员,每组人员12人,二人清理浮灰,二人配料运料,8人涂抹防水层。防水施工队人员组成,应具备以下条件。1)施工队具备审核合格的“资质证书”。2)施工技术人员必须持证上岗。3)施工工具的准备主要施工用具名称用途名称用途条帚清理基层铲刀清理基层铁皮小刮板复杂部位涂刮小抹子修补基层、卷材收边裁剪刀裁剪胎体增强材料油漆刷涂刷基层处理剂喷枪热融卷材美工刀裁减卷材压辊铺贴卷材卷尺量测、检查五、地下室防水工程施工方案1、施工流程验收基层(找平层)基层清理涂刷底涂细部处理(附加层)铺贴SBS防水卷材接缝收头处理防水保护层(下道工序)2、防水施工方法1)清理基层:基层表面凸部位铲平,凹陷部位应用聚合物砂浆填平(由土建方负责),并不得有空鼓、开裂及起砂、脱皮、翘起等缺陷。如沾有砂、灰尘、油污应清除干净,阴阳角处应做半径不小于50mm的圆弧。2)涂刷底涂:涂刷基层处理剂时必须要均匀一致,不得有露白处,切勿第5页反复涂刷,干燥4小时以上至不粘脚后方可进行下道工序。3)阴阳角加强层处理:在基层处理剂干燥后,在阴阳角处以热熔粘贴法铺粘SBS防水卷材作加强层,以阴阳角为中心两边宽度均为250mm。(此项工作在铺贴大面积防水前施工)。(图示)4)挡土墙与剪力墙接头处理:先在挡土墙与底板平面的阴、阳角处作防水增强层。在做挡土墙防水时,上口平面应预留250mm不能铺粘,为以后剪力墙作防水层搭接。第6页5)剪力墙穿墙孔处理,用热熔型密封膏作密封防水处理后,周边各加宽250mmSBS改性沥青防水卷材防水层。6)电梯井基坑及集水坑防水处理:在电梯井基坑防水施工前,应对基坑内的各个阴、阳角部位做防水增强层处理,在阳、阳角交汇处的防水增强层第7页应无翘边和空鼓现象,后做电梯井基坑的大面防水层。7)独立柱基的防水处理:待柱基坑内的阴、阳角防水增强层做完后,由柱基坑内向外做大面积的防水层。8)后浇带的防水处理:在处理完后浇带的阴、阳角防水增强后,防水卷材应顺着后浇带的延伸方向施工。不宜横向铺贴卷材,如出现后浇带高、低跨时,应处理好转角处的防水细部处理。(图示)第8页9)大面积铺贴防水层:将卷材向前滚铺贴及压辊进行压实处理。滚压时应注意不...

1、当您付费下载文档后,您只拥有了使用权限,并不意味着购买了版权,文档只能用于自身使用,不得用于其他商业用途(如 [转卖]进行直接盈利或[编辑后售卖]进行间接盈利)。
2、本站所有内容均由合作方或网友上传,本站不对文档的完整性、权威性及其观点立场正确性做任何保证或承诺!文档内容仅供研究参考,付费前请自行鉴别。
3、如文档内容存在违规,或者侵犯商业秘密、侵犯著作权等,请点击“违规举报”。

碎片内容

工程地下室SBS改性沥青防水卷材施工方案

您可能关注的文档

确认删除?
VIP
微信客服
  • 扫码咨询
会员Q群
  • 会员专属群点击这里加入QQ群
客服邮箱
回到顶部