电脑桌面
添加小米粒文库到电脑桌面
安装后可以在桌面快捷访问

工程技术复核单VIP免费

工程技术复核单_第1页
1/27
工程技术复核单_第2页
2/27
工程技术复核单_第3页
3/27
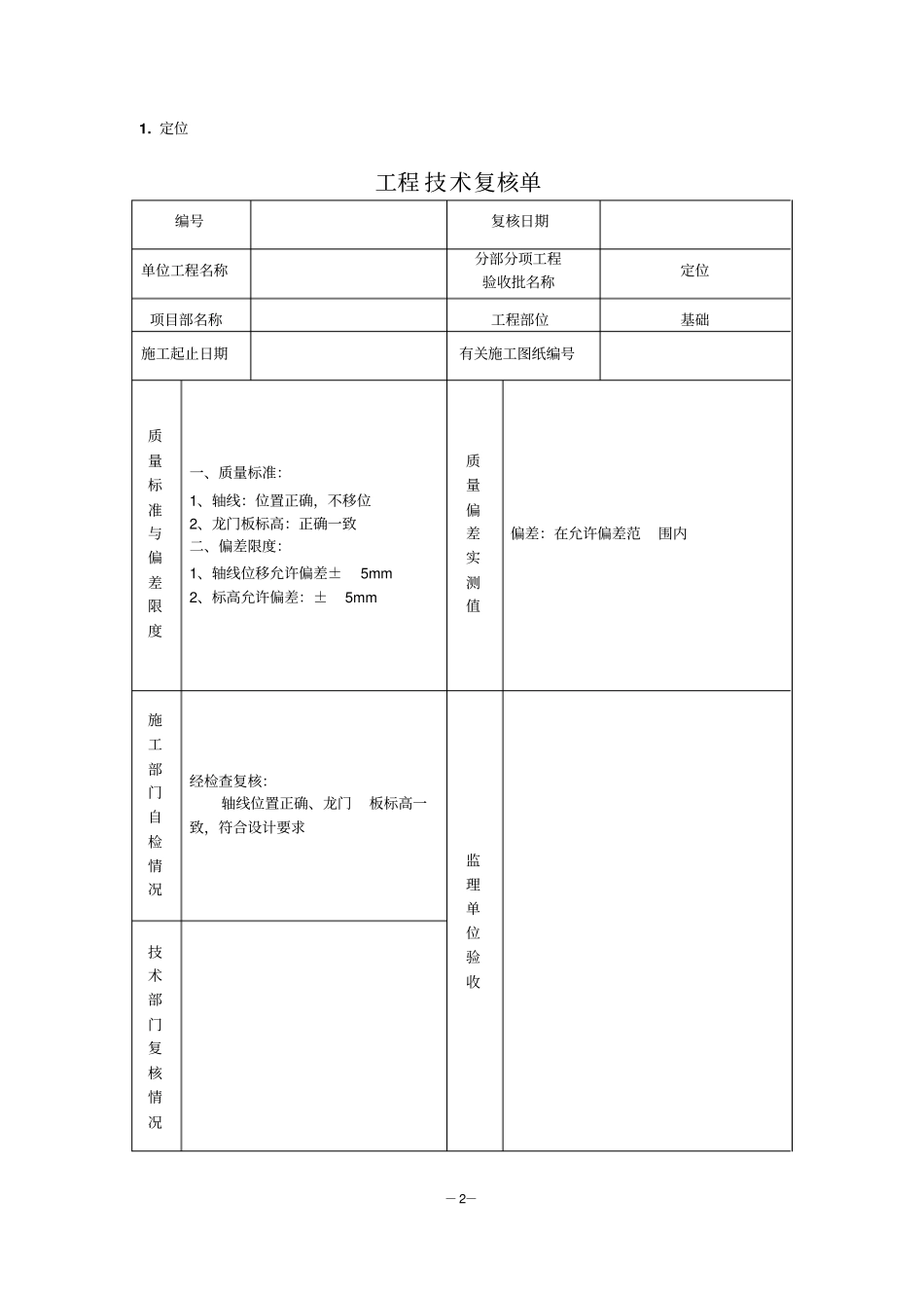
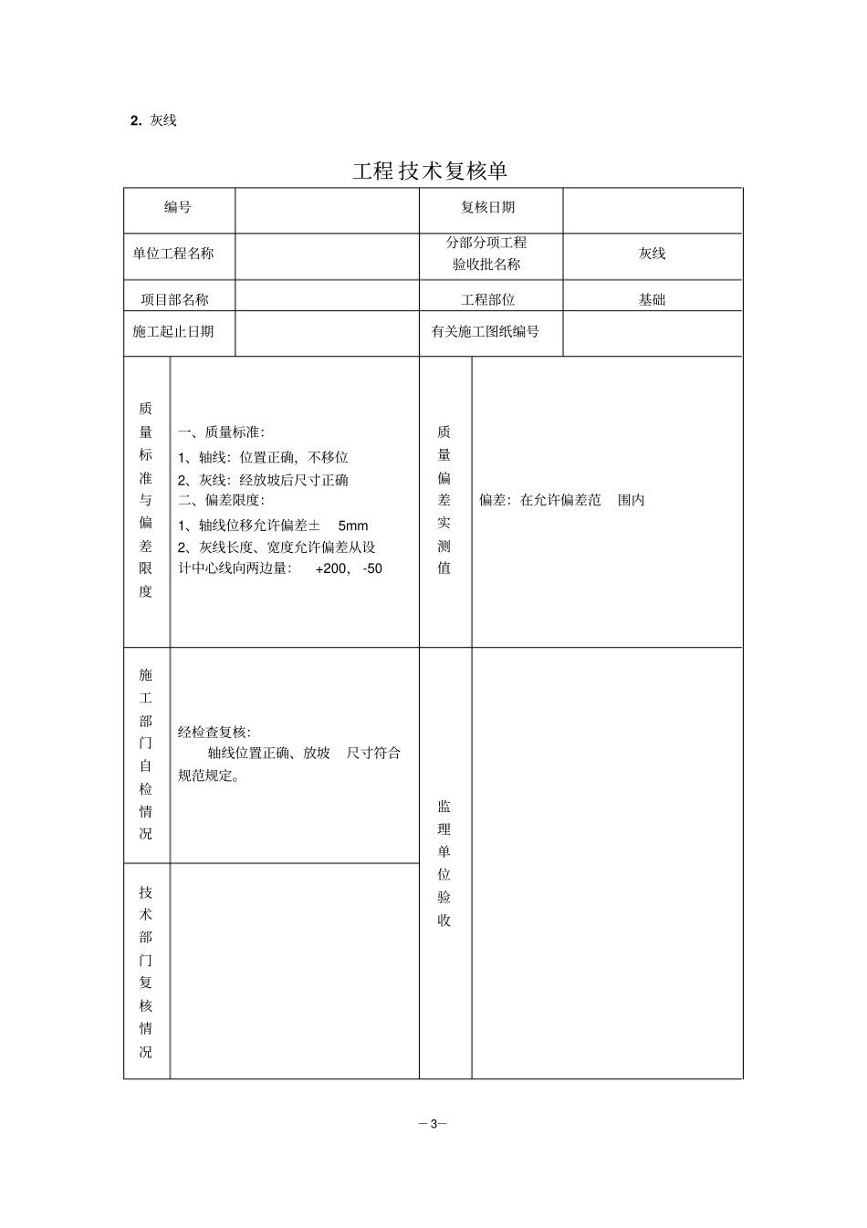
工程技术复核内容目录1.定位.......................................................................................................................................22.灰线.......................................................................................................................................33.垫层模板...............................................................................................................................44.基础轴线...............................................................................................................................55.基础模板...............................................................................................................................66.地下室墙板、柱弹线...........................................................................................................77.地下室墙板、柱模板...........................................................................................................88.地下室顶板出入口顶板梁雨蓬模板...................................................................................99.基础墙皮数杆.....................................................................................................................1010.基础地圈梁、防潮层.......................................................................................................1111.地下室弹线(填充墙)...................................................................................................1212.底层轴线、标高...............................................................................................................1313.一层柱、楼梯,二层梁、板模板...................................................................................1414.二层弹线、标高...............................................................................................................1515.二层柱、楼梯、三层梁板模板.......................................................................................1616.三层弹线、标高...............................................................................................................1717.三层柱、楼梯、屋面梁板模板.......................................................................................1818.屋面女儿墙、机房柱、梁板弹线、标高.......................................................................1919.屋面女儿墙、机房柱、梁板模板...................................................................................2020.一层皮数杆.......................................................................................................................2121.二层皮数杆.......................................................................................................................2222.屋面机房皮数杆...............................................................................................................23-1-1.定位工程技术复核单编号复核日期单位工程名称分部分项工程验收批名称定位项目部名称工程部位基础施工起止日期有关施工图纸编号质量标准与偏差限度一、质量标准:1、轴线:位置正确,不移位2、龙门板标高:正确一致二、偏差限度:1、轴线位移允许偏差±5mm2、标高允许偏差:±5mm质量偏差实测值偏差:在允许偏差范围内施工部门自检情况经检查复核:轴线位置正确、龙门板标高一致,符合设计要求监理单位验收技术部门复核情况-2-2.灰线工程技术复核单编号复核日期单位工程名称分部分项工程验收批名称灰线项目部名称工程部...

1、当您付费下载文档后,您只拥有了使用权限,并不意味着购买了版权,文档只能用于自身使用,不得用于其他商业用途(如 [转卖]进行直接盈利或[编辑后售卖]进行间接盈利)。
2、本站所有内容均由合作方或网友上传,本站不对文档的完整性、权威性及其观点立场正确性做任何保证或承诺!文档内容仅供研究参考,付费前请自行鉴别。
3、如文档内容存在违规,或者侵犯商业秘密、侵犯著作权等,请点击“违规举报”。

碎片内容

工程技术复核单

确认删除?
VIP
微信客服
  • 扫码咨询
会员Q群
  • 会员专属群点击这里加入QQ群
客服邮箱
回到顶部