电脑桌面
添加小米粒文库到电脑桌面
安装后可以在桌面快捷访问

工程现场签证管理流程VIP免费

工程现场签证管理流程_第1页
1/8
工程现场签证管理流程_第2页
2/8
工程现场签证管理流程_第3页
3/8
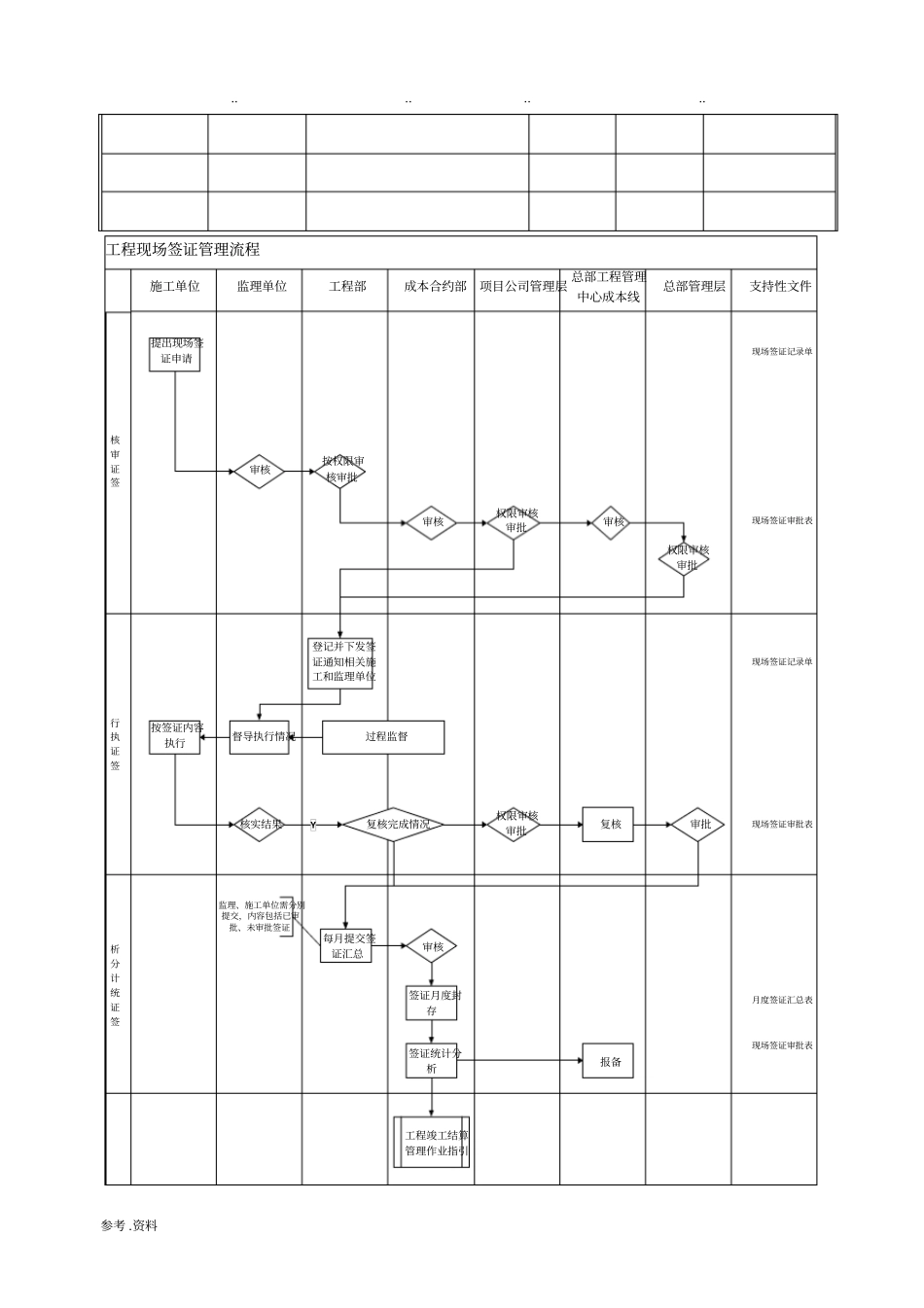
........参考.资料工程现场签证管理流程编制日期审核日期批准日期修订记录日期修订状态修改内容修改人审核人批准人........参考.资料工程现场签证管理流程监理单位工程部成本合约部项目公司管理层总部工程管理中心成本线总部管理层支持性文件签证审核签证执行签证统计分析施工单位Y按签证内容执行每月提交签证汇总提出现场签证申请核实结果审核督导执行情况登记并下发签证通知相关施工和监理单位复核完成情况按权限审核审批工程竣工结算管理作业指引签证统计分析审核审核权限审核审批签证月度封存权限审核审批审核现场签证记录单现场签证审批表现场签证审批表现场签证记录单月度签证汇总表现场签证审批表过程监督报备复核权限审核审批审批监理、施工单位需分别提交,内容包括已审批、未审批签证........参考.资料........参考.资料1目的1.1加强现场变更签证管理,规范工作指引,有效地控制成本,提高变更签证审批效率。在施工过程中,对超出合同范围或超出施工图纸外的工程量或工作量增减进行记录、确认、审核,形成书面记录,为办理补充预算、工程付款、工程结算提供依据。2术语和定义2.1现场签证:是指按承发包合同约定,对施工管理中发生的零星事件的确认,一般由承发包双方代表就施工过程中涉及合同价款之外的责任事件所作的签认证明。在这里特指除设计变更及工期延期、停工窝工索赔(非施工方原因)引起的经济签证外,所有与施工现场有关的工程经济签证。2.2现场签证结算:凡是以《签证申请单》或《工程指令单》进行的结算均属于现场签证结算。2.3重大施工方案:是指具有危险性较大的方案。包括但不限于:1)挖深度>5M的土方开挖工程以及基坑支护和降水工程;2)模板支撑高度≥8M或跨度>18M或施工总荷载>15KN/M2的高大模板工程;3)起重吊装工程、脚手架工程、拆除爆破工程、幕墙安装工程;4)30M以上高空作业。3适用范围3.1适用于公司所有工程项目的现场签证发起、审批、施工后现场确认的管理。4关键活动描述4.1现场签证和类型4.1.1现场签证的主要类型:1)因设计变更导致已施工的部位需要拆除(需注明设计变更编号)。2)现场需要:由于施工条件变化、地下状况(土质、地下水、构筑物及管线等)变化;合同补充及合同规定需实测工程量的工作项目;红线外施工道路的修补(红线内的施工道路修补宜在合同中包干)等。3)材料设备品牌变更。4)营销需要:配合策划和销售要求或赶工措施导致的工程量增减。5)甲方要求:由公司提出,或因工程管理失误引起的工程量增减。6)施工合同外的零星工程的确认。7)其它:政府要求以及其它原因。4.2现场签证的成本管理原则........参考.资料4.2.1一单一算一编号一对应原则:即一个现场签证单对应编制一份预算一个编号,且对应一个工程合同。如果内容简单,也可以一份预算对应多个签证单,但该预算书内容应根据不同签证内容分别列项。4.2.2量价分离原则:工程部只确认工程量及工作内容,成本合约部负责复核工程量、套价。4.2.3先估价后施工原则:施工前先估价,然后按权限审批执行。4.2.4一月一清原则:成本合约部应对施工单位上月的预算审核完毕,形成预算成果资料。4.3现场签证提出4.3.1因各方提出的现场签证需求都由施工单位统一填写《现场签证申请表》并向监理单位提交,监理工程师经分析判断,确定是合同范围外且需甲方承担费用的,监理工程师按照《监理指南》要求签批意见并报工程部,工程部组织成本合约部到现场勘察签证申请进行调查(成本合约部不在现场应在1个工作日内到现场审核),核对现场需签证的工程量,成本合约部对工程量进行现场造价预算。4.3.2涉及技术核定的,由施工单位同时填写《技术核定单》(由建设厅统一制定)。4.4现场签证审核4.4.1工程部现场工程师与成本合约部造价人员收到现场签证申请后填写《现场签证审批表》,对现场签证情况进行审核并签署意见后,交工程部负责人审核,如影响其它专业施工则与相关专业工程师确认。4.4.2工程部现场工程师和成本合约部人员在办理施工单位提交的现场签证申请时,要特别关注不合理现场签证,如发现不合理现场签证,需做好记录,说明不予现场签证的原因,并存档备案。不合理现场签证包括...

1、当您付费下载文档后,您只拥有了使用权限,并不意味着购买了版权,文档只能用于自身使用,不得用于其他商业用途(如 [转卖]进行直接盈利或[编辑后售卖]进行间接盈利)。
2、本站所有内容均由合作方或网友上传,本站不对文档的完整性、权威性及其观点立场正确性做任何保证或承诺!文档内容仅供研究参考,付费前请自行鉴别。
3、如文档内容存在违规,或者侵犯商业秘密、侵犯著作权等,请点击“违规举报”。

碎片内容

工程现场签证管理流程

确认删除?
VIP
微信客服
  • 扫码咨询
会员Q群
  • 会员专属群点击这里加入QQ群
客服邮箱
回到顶部