电脑桌面
添加小米粒文库到电脑桌面
安装后可以在桌面快捷访问

工程竣工验收单VIP免费

工程竣工验收单_第1页
1/12
工程竣工验收单_第2页
2/12
工程竣工验收单_第3页
3/12
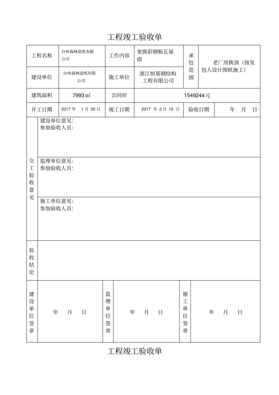
工程竣工验收单工程名称台州森林造纸有限公司工作内容更换彩钢板瓦屋面承包范围老厂房换顶(按发包人设计图纸施工)建设单位台州森林造纸有限公司施工单位浙江恒基钢结构工程有限公司建筑面积7993㎡合同价1549244元开工日期2017年1月20日竣工日期2017年2月10日验收日期年月日交工验收意见建设单位意见:参加验收人员:监理单位意见:参加验收人员:施工单位意见:参加验收人员:验收结论建设单位签章年月日监理单位签章年月日施工单位签章年月日工程竣工验收单工程名称台州森林造纸有限公司工作内容汽机房承包范围汽机房(按发包人设计图纸施工)建设单位台州森林造纸有限公司施工单位浙江恒基钢结构工程有限公司建筑面积360.37㎡合同价572838元开工日期年月日竣工日期年月日验收日期年月日交工验收意见建设单位意见:参加验收人员:监理单位意见:参加验收人员:施工单位意见:参加验收人员:验收结论建设单位签章年月日监理单位签章年月日施工单位签章年月日工程竣工验收单工程名称台州森林造纸有限公司工作内容加层承包范围加层平台工程(按发包人设计图纸施工)建设单位台州森林造纸有限公司施工单位浙江恒基钢结构工程有限公司建筑面积合同价580773元开工日期年月日竣工日期年月日验收日期年月日交工验收意见建设单位意见:参加验收人员:监理单位意见:参加验收人员:施工单位意见:参加验收人员:验收结论建设单位签章年月日监理单位签章年月日施工单位签章年月日工程竣工验收单工程名称台州森林造纸有限公司工作内容平台吊车空间不够加高修改承包范围废纸房加高(按发包人设计图纸施工)建设单位台州森林造纸有限公司施工单位浙江恒基钢结构工程有限公司建筑面积合同价174400元开工日期年月日竣工日期年月日验收日期年月日交工验收意见建设单位意见:参加验收人员:监理单位意见:参加验收人员:施工单位意见:参加验收人员:验收结论建设单位签章年月日监理单位签章年月日施工单位签章年月日工程竣工验收单工程名称台州森林造纸有限公司工作内容零星工程承包范围零星工程(按发包人设计图纸施工)建设单位台州森林造纸有限公司施工单位浙江恒基钢结构工程有限公司建筑面积合同价232427元开工日期年月日竣工日期年月日验收日期年月日交工验收意见建设单位意见:参加验收人员:监理单位意见:参加验收人员:施工单位意见:参加验收人员:验收结论建设单位签章年月日监理单位签章年月日施工单位签章年月日工程竣工验收单工程名称台州森林造纸有限公司工作内容零星点工承包范围零星点工(按发包人设计图纸施工)建设单位台州森林造纸有限公司施工单位浙江恒基钢结构工程有限公司建筑面积合同价104923元开工日期年月日竣工日期年月日验收日期年月日交工验收意见建设单位意见:参加验收人员:监理单位意见:参加验收人员:施工单位意见:参加验收人员:验收结论建设单位签章年月日监理单位签章年月日施工单位签章年月日工程竣工验收单工程名称台州森林造纸有限公司工作内容煤炭仓库承包范围煤炭仓库(按发包人设计图纸施工)建设单位台州森林造纸有限公司施工单位浙江恒基钢结构工程有限公司建筑面积合同价271499元开工日期年月日竣工日期年月日验收日期年月日交工验收意见建设单位意见:参加验收人员:监理单位意见:参加验收人员:施工单位意见:参加验收人员:验收结论建设单位签章年月日监理单位签章年月日施工单位签章年月日工程竣工验收通知书南宁市城市建设投资发展总公司:城投东盟名酒展示中心,建筑面积平方米,已具备下列验收条件:1.已完成工程设计的各项内容;2.施工单位在工程完工后对工程质量已进行了检查,确认工程质量符合有关法律法规和工程强制性标准,符合设计要求;3.有完整的技术档案和施工管理资料,并已提交监理单位审查符合要求,并随通知书交你公司;4.有工程使用的主要建筑材料的出厂合格证、进场试验报告,并已提交监理单位审查符合要求。现定于年月日进行竣工验收,请建设单位组织竣工验收。监理单位施工单位(章)(章)年月日年月日工程竣工验收单工程名称八桂绿城商业中心招商装修工程工作内容承包范围建设单位施工单位建筑面积原预算价合...

1、当您付费下载文档后,您只拥有了使用权限,并不意味着购买了版权,文档只能用于自身使用,不得用于其他商业用途(如 [转卖]进行直接盈利或[编辑后售卖]进行间接盈利)。
2、本站所有内容均由合作方或网友上传,本站不对文档的完整性、权威性及其观点立场正确性做任何保证或承诺!文档内容仅供研究参考,付费前请自行鉴别。
3、如文档内容存在违规,或者侵犯商业秘密、侵犯著作权等,请点击“违规举报”。

碎片内容

工程竣工验收单

确认删除?
VIP
微信客服
  • 扫码咨询
会员Q群
  • 会员专属群点击这里加入QQ群
客服邮箱
回到顶部