电脑桌面
添加小米粒文库到电脑桌面
安装后可以在桌面快捷访问

建筑公司员工结构工资方案VIP免费

建筑公司员工结构工资方案_第1页
1/6
建筑公司员工结构工资方案_第2页
2/6
建筑公司员工结构工资方案_第3页
3/6
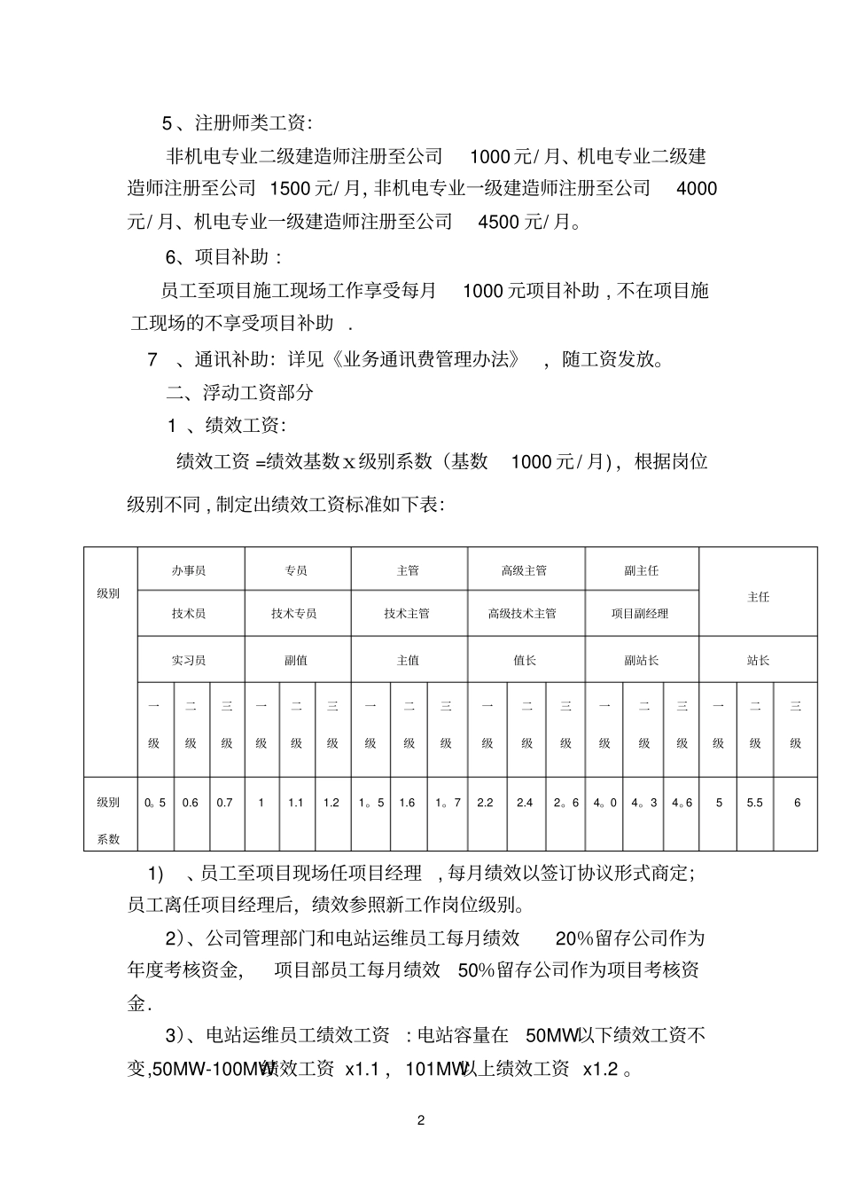
1建筑公司员工结构工资方案根据公司的实际情况,为提高工作生产效率、调动员工的劳动积极性,促进企业快速发展,不断壮大。经公司领导研究决定,针对公司员工结构工资,进一步明确与规范,制定此新方案,原结构工资方案于2014年12月31日起作废.第一部分:员工范围员工范围:公司中层及其以下员工。第二部分:员工工资构成工资构成如下表:分为固定工资部分和浮动工资部分。一、固定工资部分:1、基本工资员工基本工资:2000元/月。2、工龄工资:每一年50元,工龄按正式入职时间开始计算。3、学历工资:大专200元/月、本科300元/月、研究生500元/月。4、职称和证书工资:初级职称200元/月(双初加50元/月)、中级500元/月(双中加100元/月)、高级800元/月(双高加200元/月),公司需要的其他类型证书100元/月。注:公司培养获取的职称和证书,职称和证书工资发放50%。结构工资构成固定工资浮动工资123456712基本工资工龄工资学历工资职称工资注册师类工资项目补助通讯补助绩效工资其他25、注册师类工资:非机电专业二级建造师注册至公司1000元/月、机电专业二级建造师注册至公司1500元/月,非机电专业一级建造师注册至公司4000元/月、机电专业一级建造师注册至公司4500元/月。6、项目补助:员工至项目施工现场工作享受每月1000元项目补助,不在项目施工现场的不享受项目补助.7、通讯补助:详见《业务通讯费管理办法》,随工资发放。二、浮动工资部分1、绩效工资:绩效工资=绩效基数x级别系数(基数1000元/月),根据岗位级别不同,制定出绩效工资标准如下表:1)、员工至项目现场任项目经理,每月绩效以签订协议形式商定;员工离任项目经理后,绩效参照新工作岗位级别。2)、公司管理部门和电站运维员工每月绩效20%留存公司作为年度考核资金,项目部员工每月绩效50%留存公司作为项目考核资金.3)、电站运维员工绩效工资:电站容量在50MW以下绩效工资不变,50MW-100MW绩效工资x1.1,101MW以上绩效工资x1.2。级别办事员专员主管高级主管副主任主任技术员技术专员技术主管高级技术主管项目副经理实习员副值主值值长副站长站长一级二级三级一级二级三级一级二级三级一级二级三级一级二级三级一级二级三级级别系数0。50.60.711.11.21。51.61。72.22.42。64。04。34。655.5634)、具体绩效考核和绩效工资发放办法详见:《江苏华源新能源科技有限公司员工绩效考核规定》.2、其他:1)、员工年度奖励:根据公司年度工作完成及效益情况,以及员工全年工作情况,确定年度奖励标准。2)、运维岗位全年安全奖:全年实现安全生产无事故,年终兑现。奖励标准:站长1000元,副站长800元、值长(含安全员)600元、其他员工400元。3)、电站运维岗位超产奖:奖励标准(分段累计):完成年度发电指标奖励5万元。完成指标后,每超额指标10万度电,奖励1万元,5万元封顶,年终一次性兑现。运维部负责统计上报、分管领导审核,总经理、董事长批准。超产奖由电站负责根据岗位制定二次分配方案,报公司领导审核、批准。二次分配方案应根据岗位职务层次不同,贡献大小,拉开差距,进行奖励。4)、特殊贡献奖:平时记载并报告领导审批,当月或年终发放。5)、其他方面奖励:根据具体情况落实。第三部分:后勤类员工工资一、前台、保洁和维修工、厨房、门卫工资构成序号工资类别岗位标准发放办法备注1基本工资前台2000元/月按月发放厨师1800元/月-2000元/月按月发放保洁和修理工1800元/月-2000元/月按月发放门卫1200元/月按月发放2通信补助详见《业务通讯费管理办法》按月发放3工龄工资每年50元按月发放500元封顶4其他根据具体情况落实二、司机结构工资构成如下:4序号工资类别标准发放办法备注1基本工资2500元/月按月发放试用期2000元2工龄工资每年50元按月发放500元封顶3里程工资市内0。15元/公里市外0。1元/公里按月发放4车队负责人500元/月按月发放补贴5通信补助详见《业务通讯费管理办法》按月发放6安全年度奖2000元/年年终发放年度发生次要事故1次减半,次要事故2次或主要事故1次取消安全年度奖7其他根据具体情况落实注:派驻项目部工作司机享受1000元项目补助,不享受里程补助。三、特殊贡献奖:平时记载并报告领导审批,当月或年...

1、当您付费下载文档后,您只拥有了使用权限,并不意味着购买了版权,文档只能用于自身使用,不得用于其他商业用途(如 [转卖]进行直接盈利或[编辑后售卖]进行间接盈利)。
2、本站所有内容均由合作方或网友上传,本站不对文档的完整性、权威性及其观点立场正确性做任何保证或承诺!文档内容仅供研究参考,付费前请自行鉴别。
3、如文档内容存在违规,或者侵犯商业秘密、侵犯著作权等,请点击“违规举报”。

碎片内容

建筑公司员工结构工资方案

您可能关注的文档

文库当当响+ 关注
实名认证
内容提供者

该用户很懒,什么也没介绍

确认删除?
VIP
微信客服
  • 扫码咨询
会员Q群
  • 会员专属群点击这里加入QQ群
客服邮箱
回到顶部