电脑桌面
添加小米粒文库到电脑桌面
安装后可以在桌面快捷访问

实验六 直流电机驱动VIP免费

实验六 直流电机驱动_第1页
1/9
实验六 直流电机驱动_第2页
2/9
实验六 直流电机驱动_第3页
3/9
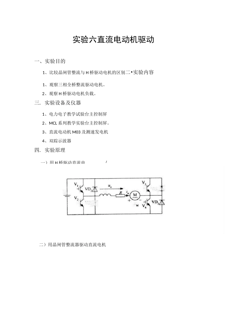
电力电子综合实验实验报告院系:电气与电子工程学院学生1:葛青宇1141180505电气1405班学生2:涂腾1141210219电气1402班本次报告人:葛青宇指导教师:赵国鹏成绩:日期:2018年1月26日一)用H桥驱动直流电叫2TLEV必T£实验六直流电动机驱动一、实验目的1、比较晶闸管整流与H桥驱动电机的区别二•实验内容1、观察三相全桥整流驱动电机。2、观察H桥驱动电机负载。三.实验设备及仪器1、电力电子教学试验台主控制屏2、MCL系列教学实验台主控制屏。3、直流电动机M03及测速发电机4、双踪示波器四.实验原理二)用晶闸管整流器驱动直流电机iabndVT6VTVT1VT3VT5五、实验步骤(一)用H桥驱动直流电机1.用示波器观察UPW的1端的电压波形,将UPW的“2”端与DLD(逻辑延迟环节)的1相连接。2.接入电动机(M03)。(接线见参考接线图)2)将电动机M03的并励绕组与励磁电源相连接,并将励磁电压开关拨在on处。3)将电动机M03的电枢绕组接入H桥的“6”端和“7”端。3.调整RP电位器,将占空比调整为50%。合上主电源,记录输出电压波形、电动机的转速和转向;之后,不切断电源,直接逆时针旋转电位器,使占空比为0.25,记录记录输出电压波形、电动机的转速和转向。之后,不切断电源,直接顺时针时针旋转电位器,使占空比为0.75,记录记录输出电压波形、电动机的转速和转向。4.实验完毕,断开主电源。UPWDLDDLD:12L丿r•直流励磁电源1.接好触发脉冲的控制回路。将给定器输出Ug接至MCL-33面板的Uct端,将MCL-33面板上的Ublf接地。打开MCL-32的钥匙开关,检查晶闸管的脉冲是否正常及确定实验所需的a角。用万用表记录a=0°、30°、60°、90°时对应的Uct(Ug)的值。在做下面的实验时,通过给定Uct(Ug)的值来设定a的大小。(观察时两只示波器的表笔一只观察同步电压信号u,另一只观察1孔脉冲,注:两只表笔只用一根地线,表笔地线接地,同时要注意a=0°对应同步信号u的30°)(2)检查相序,用示波器观察“1”,“2”单脉冲观察孔,“1”脉冲超前“2”脉冲60°,则相序正确,否则,应调整输入电源。2.接入直流电机M033.接通电源,观察不同触发角下的输出电压波形与电机转速,并记录。六、实验结果与分析一)用H桥驱动直流电机二)用晶闸管整流器驱动直流电占空比R[GDLSTOPflf(I6S0nrtULUIS1.93UTime2Q.@0usG>-y1.89UE输出电压波形R[GDLT?Dftl660nnUF「L....严-F.—>Anj±y(l]50-755ry■■IS18.0337kHzi…-•-nL»ilS10-9UTime2Q.30USO>-81.89UE电机转速占空比R[GDLT?Dftl6S0nnUIU18.03&?kHZ-FDututl325・R;£臨■四590MUTime2Q.@0usG>-y1.89us电机转电机转速,反方向转动占空比输出电压波形,正方向转动二)用晶闸管整流器驱动直流电机a30°60°90°7.69V5.29V4.30VfCl660mu018B0TT7kHz输出电压波形Table1a与Ug关系CurA=-Sotuscurs=z■二iiix;=3.4qriis;=Z51缶fn660mUR[GDLTP1X0・02I5HZ4DUWD49.EKTime2.@00ns&>-163.7nsCHI-5.93U503rriU输出电压波形660mUR[GDLSTOPL»ilS10-9UTime2.030nsG>-163.7ns电机转速,正方向转动fn660mUR[GDL尸D■+Du±v(13=fc**csfc*:S.ffiUCH2-5£0rrWTime1.OSOnsO>-40.60us「530血仙1CwrA--52EU3ftl660mUR[GDL尸Du230^085HZ臨■四10.0U1ime1.000nsG>-40,G0us电机转速,正方向转动Tftl660mUR[GDL尸DTime2.@00ns&>4.166msLUIS2.93UCH2-503rriUCurB-6・OEims山MT呜石錦£!1=147厲104?.?55LHzCurA--T2£U31■i:T'-■■」4/気…...>2■+Dytytl)=*:**«st*:输出电压波形电机转速八、思考总结晶闸管整流电路能否让电机工作在第象限,如何实现?CwrB-6・0E4naliMT=G.90fts!1=147H=于Cl660muR[GDLTPL»ilS19-9UTime2.030nsG>4.16EmsJO300^0対1CurA--T2£U3输出电压波形答:不能,因为三相全桥整流后的输出电压不可能为负。为什么要将直直变流器占空比调到才合主电路电源开关?答:因为此时直流电压为零,直流电流也为零。否则会出现大电流,损毁电机。为什么在一个开关周期内看不到电机四象限运行?答:时,电机的内电感滤掉了方波,只剩下直流量。因此电机在一个周期内无法出现负电动势,负电流,自然看不到四象限运行。但如果降低方波频率内电感的滤波作用就会被减弱,可能一个周期内会出现四象限运行。

1、当您付费下载文档后,您只拥有了使用权限,并不意味着购买了版权,文档只能用于自身使用,不得用于其他商业用途(如 [转卖]进行直接盈利或[编辑后售卖]进行间接盈利)。
2、本站所有内容均由合作方或网友上传,本站不对文档的完整性、权威性及其观点立场正确性做任何保证或承诺!文档内容仅供研究参考,付费前请自行鉴别。
3、如文档内容存在违规,或者侵犯商业秘密、侵犯著作权等,请点击“违规举报”。

碎片内容

实验六 直流电机驱动

wxg+ 关注
实名认证
内容提供者

该用户很懒,什么也没介绍

确认删除?
VIP
微信客服
  • 扫码咨询
会员Q群
  • 会员专属群点击这里加入QQ群
客服邮箱
回到顶部