电脑桌面
添加小米粒文库到电脑桌面
安装后可以在桌面快捷访问

技术的研发人员绩效考核方案设计VIP免费

技术的研发人员绩效考核方案设计_第1页
1/10
技术的研发人员绩效考核方案设计_第2页
2/10
技术的研发人员绩效考核方案设计_第3页
3/10
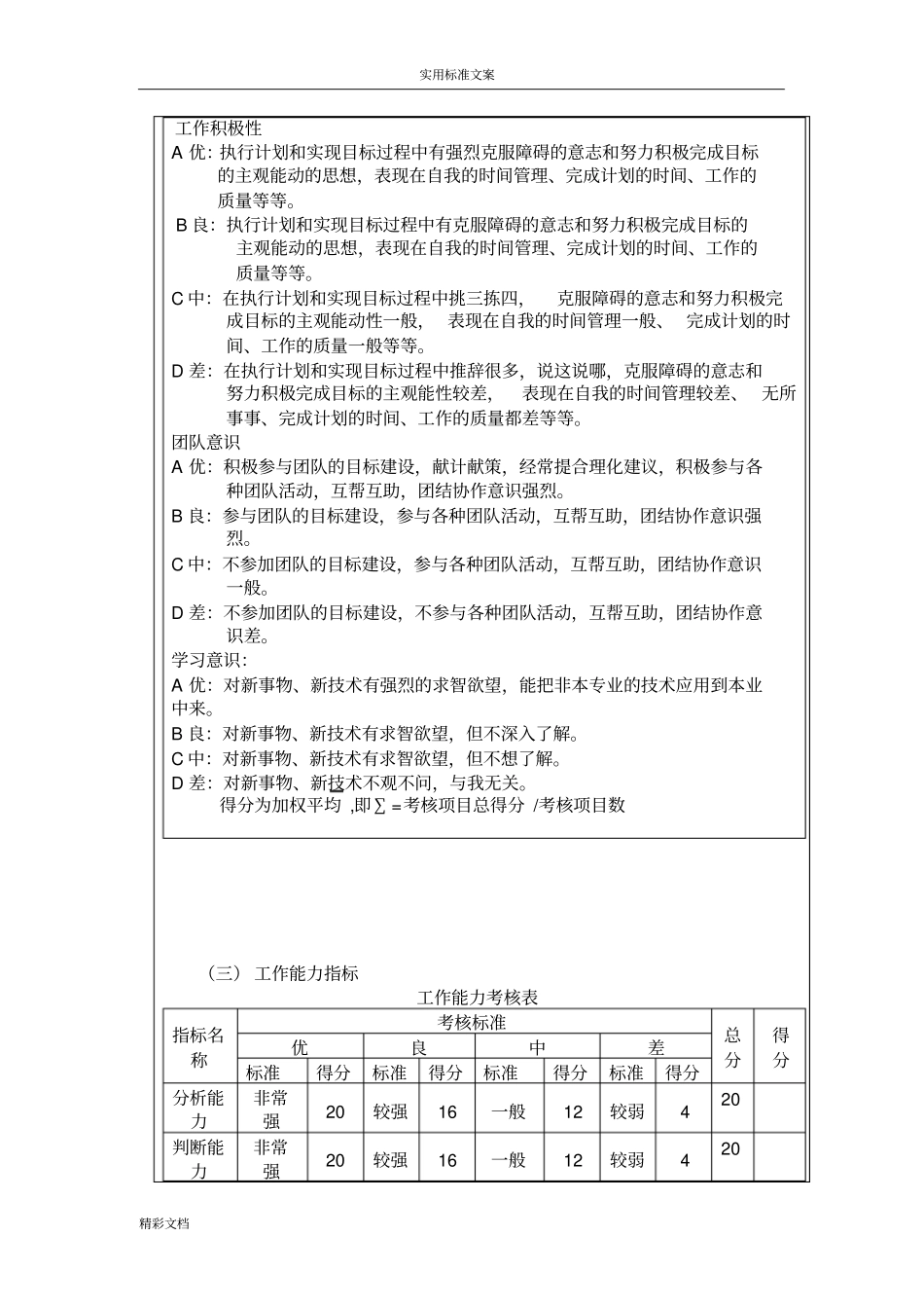
实用标准文案精彩文档技术研发人员绩效考核方案方案名称技术研发人员绩效考核方案受控状态编号一、总体设计思路(一)考核目的为了全面地评价公司技术人员的工作成绩,贯彻公司发展战略,结合技术研发人员的特点,同时能更好地激发技术人的创造性和积极性,也能体现多劳多得、优劳优得的分配原则,制定本方案。(二)适用范围本公司所有技术研发人员。(三)考核内容、权重及考核期限针对技术研发人员的工作性质,将技术研发人员的考核内容划分为工作业绩、工作态度、工作能力考核,权重系数及考核期限如下表所示。考核内容、权重及考核期限分布表考核内容工作业绩工作态度工作能力考核期限月/年度月/年度月/年度权重70%15%15%(四)报酬结构参加考核人员的报酬结构由岗位工资和绩效工资组成,具体比例为:岗位工资/月度绩效工资/年度绩效工资5/2/3。(四)考评组组成考评组成员由技术部门各主管、技术总监、人力资源部经理组成,技术总监担任考评组组长。二、考核指标设计(一)工作业绩指标工作业绩考核表考核项目关键业绩指标考核目标值权重得分研发项目新产品开发周期实际开发周期按计划周期完成或提前完成30技术评审合格率技术评审合格率达到100%15图纸标准化率图纸标准化率达到100%10图纸的准确及可行率图纸的准确及可行率95%15技术资料归档及时率技术资料入库图文档及时率100%10技术服务满意度相关部门对技术服务满意度评分在90分以上10设计模块化及通用率设计模块化及通用率达到5%以上10技术设计完成技术设计完成及时率达到100%40实用标准文案精彩文档技术改造及变型设及时率图纸标准化率图纸标准化率达到100%15图纸的准确及可行率图纸的准确及可行率98.5%15技术资料归档及时率技术资料归档图文档及时率100%10技术服务满意度相关部门对技术服务满意度评分在90分以上10变型设计模块化率变型设计优化率达到80%以上10评分标准:项目不能按时完成,延时1-5天,扣1分;5-10天扣3分;10-15天扣5分;15天以上扣10分。技术评审合格率必须达100%才能进入下一程序;图纸标准化率不达100%扣10分;图纸的准确及可行率低于目标值扣2分;有重大过错扣5分;技术资料入库图文档及时率不达100%扣10分;相关部门对技术服务满意度评分在80-90分得8分,70-80分得6分,70分以下得5分;得分为加权平均,即∑=考核项目总得分/考核项目数(二)工作态度指标工作态度考核表指标名称考核标准总分得分优良中差标准得分标准得分标准得分标准得分工作责任心强烈30有24一般18无630工作积极性非常高25很高20一般15无525团队意识强烈25有20一般15无525学习意识强烈20有16一般12无420评分标准:工作责任心:A优:强烈的企业主人翁意识,充分认识到自己工作的重要性,对工作几乎狂热,全情投入;在工作中获得极大的满足与成就,愿意为企业贡献自己。B良:能够与企业或团队共患难,在组织需要时愿意做出“自我牺牲”;热爱自己的工作,能够倾情投入;懂得自己工作对整个企业运作的重要性,因为尽心尽力;能够不拘泥于工作本身,心怀全局;工作一丝不苟,有始有终;经常对工作中的问题进行思考,提出建议。C中:对自己的工作有比较充分的认识,工作比较投入,比较热情;能从工作中获得较大的满足,工作任劳任怨,能为实现团队的目标而牺牲自我的利益。D差:对自己的工作不满意,工作不够投入;对自己的工作认识不够,不知道其重要性,更无法从工作中获得满足。实用标准文案精彩文档工作积极性A优:执行计划和实现目标过程中有强烈克服障碍的意志和努力积极完成目标的主观能动的思想,表现在自我的时间管理、完成计划的时间、工作的质量等等。B良:执行计划和实现目标过程中有克服障碍的意志和努力积极完成目标的主观能动的思想,表现在自我的时间管理、完成计划的时间、工作的质量等等。C中:在执行计划和实现目标过程中挑三拣四,克服障碍的意志和努力积极完成目标的主观能动性一般,表现在自我的时间管理一般、完成计划的时间、工作的质量一般等等。D差:在执行计划和实现目标过程中推辞很多,说这说哪,克服障碍的意志和努力积极完成目标的主观能性较差,表现在自我的时间管理较差、无所事事、完成计划...

1、当您付费下载文档后,您只拥有了使用权限,并不意味着购买了版权,文档只能用于自身使用,不得用于其他商业用途(如 [转卖]进行直接盈利或[编辑后售卖]进行间接盈利)。
2、本站所有内容均由合作方或网友上传,本站不对文档的完整性、权威性及其观点立场正确性做任何保证或承诺!文档内容仅供研究参考,付费前请自行鉴别。
3、如文档内容存在违规,或者侵犯商业秘密、侵犯著作权等,请点击“违规举报”。

碎片内容

技术的研发人员绩效考核方案设计

确认删除?
VIP
微信客服
  • 扫码咨询
会员Q群
  • 会员专属群点击这里加入QQ群
客服邮箱
回到顶部