电脑桌面
添加小米粒文库到电脑桌面
安装后可以在桌面快捷访问

《桥梁桩基础课程设计》VIP专享VIP免费

《桥梁桩基础课程设计》_第1页
1/11
《桥梁桩基础课程设计》_第2页
2/11
《桥梁桩基础课程设计》_第3页
3/11
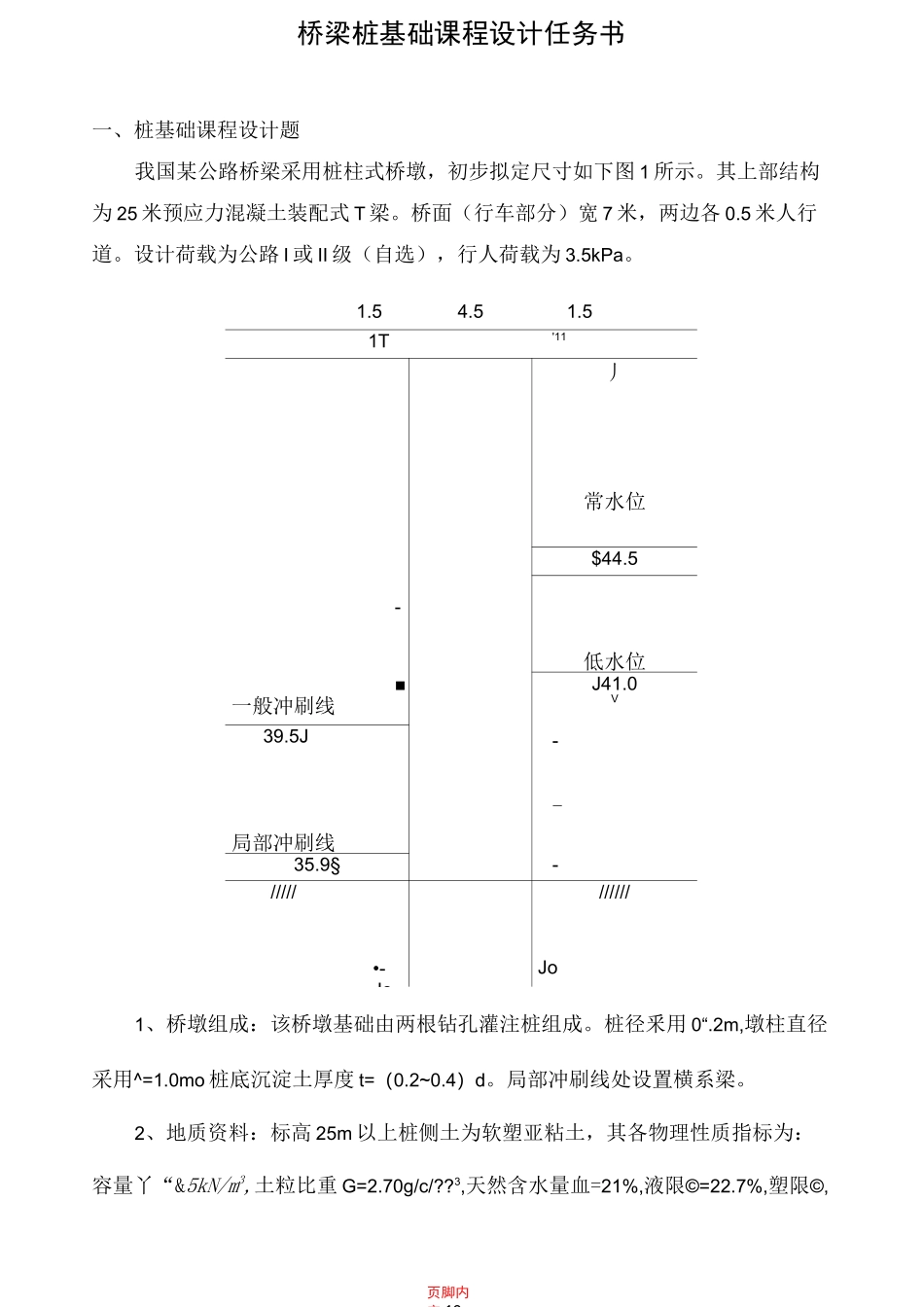
页脾内容10《桥梁桩基础课程设计》任务书与指导书广州大学土木工程学院2015.10页脚内容10页脾内容10桥梁桩基础课程设计任务书一、桩基础课程设计题我国某公路桥梁采用桩柱式桥墩,初步拟定尺寸如下图1所示。其上部结构为25米预应力混凝土装配式T梁。桥面(行车部分)宽7米,两边各0.5米人行道。设计荷载为公路I或II级(自选),行人荷载为3.5kPa。1.54.51.51T'11丿常水位$44.5-低水位■J41.0一般冲刷线V39.5J-局部冲刷线-35.9§-/////•-Jo//////Jo1、桥墩组成:该桥墩基础由两根钻孔灌注桩组成。桩径釆用0“.2m,墩柱直径采用^=1.0mo桩底沉淀土厚度t=(0.2~0.4)d。局部冲刷线处设置横系梁。2、地质资料:标高25m以上桩侧土为软塑亚粘土,其各物理性质指标为:容量丫“&5kN/m3,土粒比重G=2.70g/c/??3,天然含水量血=21%,液限©=22.7%,塑限©,页脚内容10页脚内容10=16.3%。标高25m以下桩侧及桩底土均为硬塑性亚粘土,其物理性质指标为:容量y=19.5k/V/m3,土粒比重G=2.70g/c/w3,天然含水量少=17.8%,液限©=22.7%,塑限©,=16.3%。3、桩身材料:桩身采用C25混凝土浇注,混凝土弹性模量优=2.85xlOWPa,所供钢筋有1级钢和II级纲。4、计算荷载(1)一跨上部结构自重G=2350kN;⑵盖梁自重G2=350kN(3)局部冲刷线以上一根柱重G3应分别考虑最低水位及常水位情况;⑷汽一20:双孔布载,以产生最大竖向力;单孔布载,以产生最大偏心弯矩。支座对桥墩的纵向偏心距为b=0.3m(见图2)。计算汽车荷载时考虑冲击力。⑸挂一100双孔布载,以产生最大竖向力;单孔布载,以产生最大偏心弯矩。(6)人群荷载:双孔布载,以产生最大竖向力;单孔布载,以产生最大偏心弯矩。(7)水平荷载(见图3)制动力:Hi=22.5kN;盖梁风力:Wi=8kN;页脚内容10页脾内容10柱风力:W2=10kNo采用常水位并考虑波浪影响0.5m,常水位按45m计,以产生较大的桩身弯矩。W2的力臂为11.25mo活载计算应在支座反力影响线上加载进行。支座反力影响线见图4c5、设计要求(1)确定桩的长度,进行单桩承载力验算。H:页脚内容10页脾内容10⑵桩身强度验算:求出桩身弯矩图(用座标纸画),定出桩身最大弯矩值及其相应截面位置和相应轴力,配置钢筋,验算截面强度(釆用最不利荷载组合及常水位)。(3)计算主筋长度、螺旋钢筋长度及钢筋总用量。⑷用2廿图纸绘出桩的钢筋布置图。二、应交资料1、桩基础计算书2、桩基础配筋图3、桩基础钢筋数量表页脚内容10页脾内容10桥梁桩基础课程设计指导书(仅供参考)一、恒载计算(每根桩反力计算)1、上部结构横载反力N12、盖梁自重反力N23、系梁自重反力N34、一根墩柱自重反力N45、桩每延米重N5(考虑浮力)二、活载反力计算1、活载纵向布置时支座最大反力⑴、公路I、II级l、车道荷载,集中力布置位置在墩顶;m、车道荷载,集中力布置位置在支座顶;(2)、人群荷载I、单孔布载R气qlq一一人群荷载集度/一一跨径皿、双孔布载R=ql2、柱反力横向分布系数©的计算柱反力横向分布影响线见图5。0.570.5页脚内容10页脾内容10⑴、汽一20级双列布载0汽⑵、挂一1000挂(3)、人群荷载。人三、荷载组合1、计算墩柱顶最大垂直反力R组合I:R=恒载+(i+u)©汽工刁%+。人q〔(汽车、人群双孔布载)2、计算桩顶最大弯矩⑴、计算桩顶最大弯矩时柱顶竖向力组合I:R=N严N广(1+u)©汽工£儿+卩人爲/(汽车、人群单孔布载)2⑵、计算桩顶(最大冲刷线处)的竖向力N。、水平力0。和弯矩M。NQ=心號+弘+N4(常水位)2o=比+吟vv2Mo=14.7+14.05+11.25W2+0.3/?ma3tiSRm血舌一一活载产生的竖向力的较大者。页脚内容10G(1+w)页脚内容10天然Y容四、钻孔灌注桩单桩承载力及强度计算1、单桩承载力计算桩长计算:设最大冲刷线以下桩长为h,—般冲刷线以下桩长为h3,单桩最大竖向力为:V=N.+N.+N.+N,(低水位)+W活+|qhN活一一计算柱顶最大垂直反力时活载产生的较大值q一一桩的集度(考虑浮力)单桩容许承载力:扣工也+加屏[%]K必(人-3)一一各层土的厚度r;一一各层土的极限抗剪强度K2——查表2-5/.一一土的容重(多层土时取加权平均值)U一一桩周长A桩底面积2查表3-9加°表3-10[%]—一查表2-31,==I,一一液性指数M'一一天然含水量叫一一液限...

1、当您付费下载文档后,您只拥有了使用权限,并不意味着购买了版权,文档只能用于自身使用,不得用于其他商业用途(如 [转卖]进行直接盈利或[编辑后售卖]进行间接盈利)。
2、本站所有内容均由合作方或网友上传,本站不对文档的完整性、权威性及其观点立场正确性做任何保证或承诺!文档内容仅供研究参考,付费前请自行鉴别。
3、如文档内容存在违规,或者侵犯商业秘密、侵犯著作权等,请点击“违规举报”。

碎片内容

《桥梁桩基础课程设计》

确认删除?
VIP
微信客服
  • 扫码咨询
会员Q群
  • 会员专属群点击这里加入QQ群
客服邮箱
回到顶部