电脑桌面
添加小米粒文库到电脑桌面
安装后可以在桌面快捷访问

城市污水再生利用景观环境用水水质VIP免费

城市污水再生利用景观环境用水水质_第1页
1/8
城市污水再生利用景观环境用水水质_第2页
2/8
城市污水再生利用景观环境用水水质_第3页
3/8
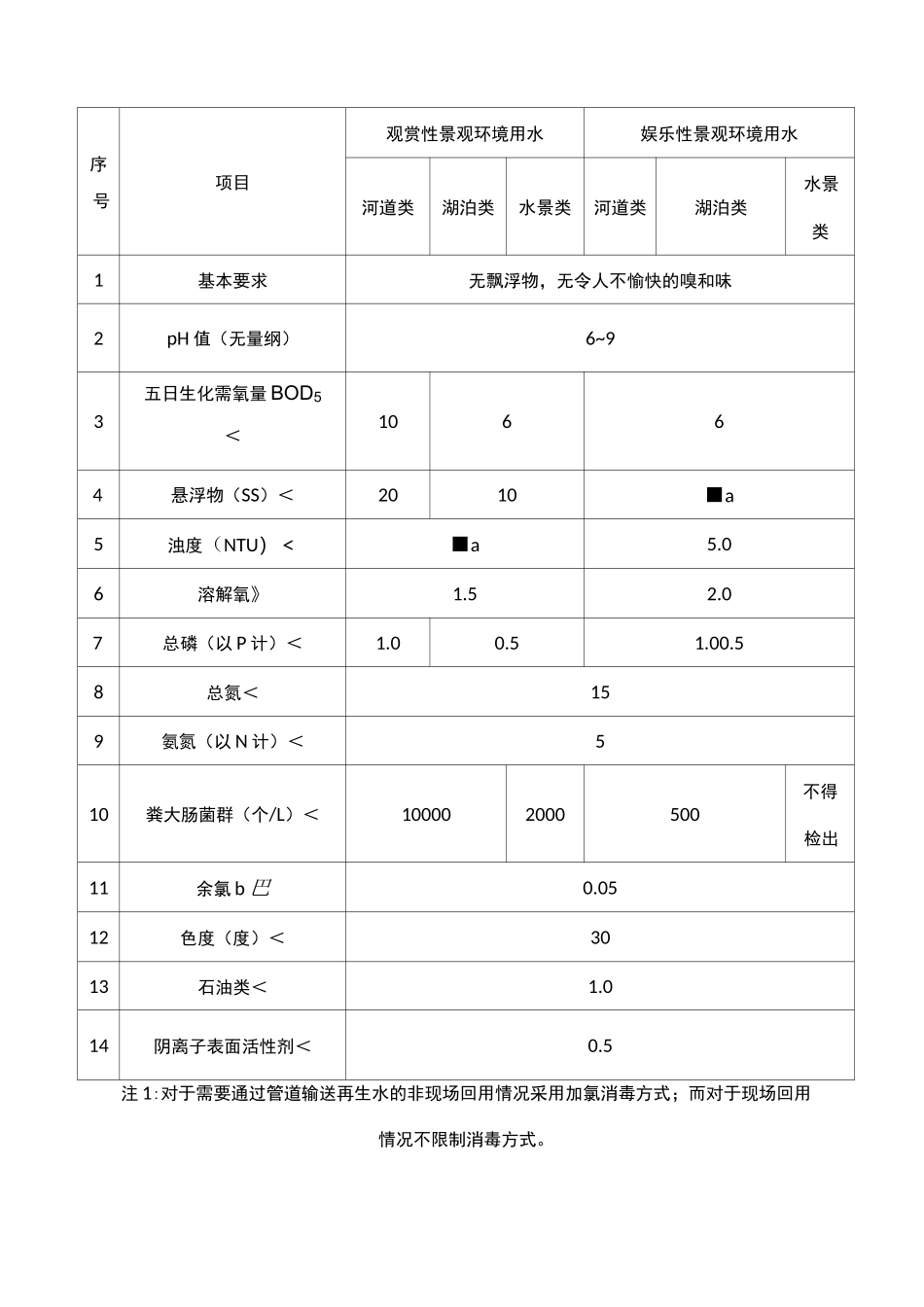
城市污水再生利用景观环境用水水质GB/T18921-20021范围本标准规定了作为景观环境用水的再生水质指标和再生水利用方式。本标准适用于作为景观环境用水的再生水。2规范性指引文件下列文件中的条款通过本标准的引用而成为本标准的条款。凡是注日期的引用文件,其随后所有的修改单(不包括勘误的内容)或修订版均不适用于本标准,然而,鼓励根据本标准达成协议的各方研究是否可使用这些文件的最新版本。凡是不注日期的引用文件,其最新版本适用于本标准。GB/T6920水质pH值的测定玻璃电极法GB/T7466水质总铬的测定GB/T7467水质六价格的测定二苯碳酰二肼分光光度法GB/T7468水质总汞的测定冷原子吸收分光光度法(eqvISO5666-1~3)GB/T7472水质锌的测定双硫腙分光光度法GB/T7474水质铜的测定二乙基二硫化氨基甲酸钠分光光度法GB/T7475水质铜、锌、铅、镉的测定原子吸收分光光谱法GB/T7478水质铵的测定蒸馏和滴定法GB/T7485水质总砷的测定二乙基二硫代氨基甲酸银分光光度法(neqISO6595)GB/T7486水质氰化物的测定第一部分:总氰化物的测定GB/T7488水质五日生化需氧量(BOD5)的测定稀释与接种法(neqISO5815)GB/T7489水质溶解氧的测定碘量法(eqvISO5813)GB/T7490水质挥发酚的测定蒸馏后4-氨基安替比林分光光度法(eqvISO6439)GB/T7494水质阴离子表面活性剂的测定亚甲蓝分光光度法(neqISO7875-1)GB/T8972水质五氯酚的测定气相色谱法GB/T9803水质五氯酚的测定藏红T分光光度法GB/T11889水质苯胺类化合物的测定N-(1-萘基)乙二胺偶氮分光光度法GB/T11890水质苯系物的测定气相色谱法GB/T11893水质总磷的测定钼酸铵分光光度法GB/T11894水质总氮的测定碱性过硫酸钾消解紫外分光光度法GB/T11895水质苯并(a)芘的测定乙酰化氯纸层析荧光分光光度法GB/T11898水质游离氯和总氯的测定N,N-二乙基-14-苯二胺分光光度法(eqvISO7393-2)GB/T11901水质悬浮物的测定重量法GB/T11902水质硒的测定2,3-二氨基萘荧光法GB/T11903水质色度的测定(neqISO7887)GB/T11906水质锰的测定高碘酸钾分光光度法GB/T11907水质银的测定火焰原子吸收分光光度法GB/T11910水质镍的测定丁二酮肟分光光度法GB/T11911水质铁、锰的测定火焰原子吸收分光光度法GB/T11912水质镍的测定火焰原子吸收分光光度法GB/T11913水质溶解氧的测定电化学探头法(idtISO5814)GB/T13192水质有机磷农药的测定气相色谱法GB/T13194水质硝基苯、硝基甲苯、硝基氯苯、二硝基甲苯的测定气相色谱法GB/T13197水质甲醛的测定乙酰丙酮分光光度法GB/T13200水质浊度的测定(neqISO7027)GB/T14204水质烷基汞的测定气相色谱法GB/T15959水质可吸附有机卤素(AOX)的测定微库伦法GB/T16488水质石油类和动植物油的测定红外光度法3术语与定义本标准采用下列术语和定义。3.1再生水reclaimedwater指污水经适当再生工艺处理后具有一定的使用功能的水。3.2景观环境用水scenicenvironmentuse指满足景观需要的环境用水,即用于营造城市景观水体和各种水景构筑物的水的总称。3.3观赏性景观环境用水aestheticenvironmentuse指人体非全身性接触的景观环境用水,包括不设有娱乐设施的景观河道、景观湖泊及其他娱乐性景观用水。它们由再生水组成,或部分由再生水组成(另一部分由天然水或自来水组成)。3.4娱乐性景观环境用水recreationalenvironmentuse指人体非全身性接触的景观环境用水,包括设有娱乐设施的景观河道、景观湖泊及其他娱乐性景观用水。它们由再生水组成,或部分由再生水组成(另一部分由天然水或自来水组成)。3.5河道类水体watercourse指景观河道类连续流动水体。3.6湖泊类水体impoundment指景观湖泊类非连续流动水体。3.7水景类用水waterscape指用于人造瀑布、喷泉、娱乐、观赏等设施的水、3.8水力停留时间hydraulicrententiontime再生水在景观河道内的平均停留时间。3.9静止停留时间withholdtime湖泊类水体非换水(即非连续流动)期间的提留时间。技术内容再生水作为景观环境用水时,其指标限值应满足表1的规定。对于以城市污水为水源的再生水,除应满足表1及各项指标外,其化学毒理学指标还应符合表2中的要求。表1景观环境用水的再生水水质指标单位:mg/L序号项目观赏...

1、当您付费下载文档后,您只拥有了使用权限,并不意味着购买了版权,文档只能用于自身使用,不得用于其他商业用途(如 [转卖]进行直接盈利或[编辑后售卖]进行间接盈利)。
2、本站所有内容均由合作方或网友上传,本站不对文档的完整性、权威性及其观点立场正确性做任何保证或承诺!文档内容仅供研究参考,付费前请自行鉴别。
3、如文档内容存在违规,或者侵犯商业秘密、侵犯著作权等,请点击“违规举报”。

碎片内容

城市污水再生利用景观环境用水水质

您可能关注的文档

wxg+ 关注
实名认证
内容提供者

该用户很懒,什么也没介绍

确认删除?
VIP
微信客服
  • 扫码咨询
会员Q群
  • 会员专属群点击这里加入QQ群
客服邮箱
回到顶部