电脑桌面
添加小米粒文库到电脑桌面
安装后可以在桌面快捷访问

第12章 附加导线及架设VIP免费

第12章 附加导线及架设_第1页
1/19
第12章 附加导线及架设_第2页
2/19
第12章 附加导线及架设_第3页
3/19
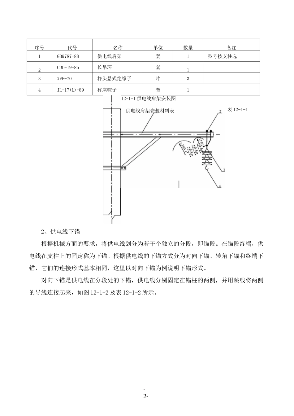
-1-第十二章附加悬挂及其架设接触网除承力索和接触线外,根据供电方式及特殊需要还架设其他导线,如供电线、回流线、架空地线、正馈线等,把这些导线统称为附加导线或附加悬挂。附加悬挂是接触网的重要组成部分,一般与接触悬挂同杆架设。附加导线截面选择应满足载流量的要求;最高温度时应满足最低高度的要求;最低温度时应满足最大张力的要求。第一节附加导线及其悬挂形式一、供电线供电线又叫馈电线,是连接牵引变电所与接触网的电线路,其作用是向接触网传输电能。供电线载流截面根据传输电流的大小,一般采用LJ-185型铝绞线或LGJ-240/30型钢芯铝绞线。供电线架设高度应满足安全距离的要求,即在最大弛度时,导线至地面的距离在居民区三7000mm;在非居民区三6000mm;距建筑物垂直距离三4000mm,最小水平距离三3000mm;距支柱边缘的水平距离三1000mm。1、供电线肩架安装形式供电线一般与接触网同杆架设,通过供电线肩架悬挂在支柱的田野侧,其悬挂形式如图12-1-1所示,使用材料见表12-1-1。-2-序号代号名称单位数量备注1GB9787-88供电线肩架套1型号按支柱选2CDL-19-85长吊环套13XWP-70杵头悬式绝缘子片34JL-17(L)-89杵座鞍子套12、供电线下锚根据机械方面的要求,将供电线划分为若干个独立的分段,即锚段。在锚段终端,供电线在支柱上的固定称为下锚。根据供电线的下锚方式分为对向下锚、转角下锚和终端下锚,它们的连接形式基本相同,这里以对向下锚为例说明下锚形式。对向下锚是供电线在分段处的下锚,供电线分别固定在锚柱的两侧,并用跳线将两侧的导线连接起来,如图12-1-2及表12-1-2所示。>ICK12-1-1供电线肩架安装图供电线肩架安装材料表表12-1-1-3-图12-1-2供电线对向下锚安装图供电线对向下锚材料表表12-1-2序号代号名称单位数量备注1GB9787-88对向下锚角钢套12TB/T2075-3-90Y型双耳连接器套23GB9787-88跳线肩架套14GDL15-80吊钩套15Q-7球头挂环件16XWP-702杵头悬式绝缘子片117W-7B单联腕头挂板件28NLD-4耐张线夹套29LJ17-89杵座鞍子套1型号按线材选1023351-85并沟线夹套2型号按线材选11JL59-8521型杵环杆件212下锚拉线组2参考拉线安装图转角下锚时,两侧供电线具有一定的夹角,安装形式与对向下锚基本相同,只是在两下锚导线合力的反方向上设置一条拉线。终端下锚时相当对向下锚的一侧安装形式,不需-4-安装跳线,并增设拉线。3、供电线与接触悬挂的连接供电线与接触悬挂用软铜绞线进行连接。通过并沟线夹、铜铝过渡线夹、接触线电连接线夹连接,如图12T-3所示。图12-1-3供电线与接触网的连接图1-并沟线夹2-铜铝过渡设备线夹3-连接板4-电连接线5-承力索连接线夹6-接触线电连接线夹二、回流线回流线是连接轨道与牵引变电所的电线路,用于BT供电和直接供电方式中,作为牵引电流的回路,用“NF”表示。回流线一般采用LGJ-185/10或LGJ-150/8型钢芯铝绞线。根据载流量的大小,可采用单支或双支回流线。回流线架设高度应符合设计要求,即在最大弛度时,导线至地面的距离在居民区三6000mm,在非居民区三5000mm。1、回流线肩架安装形式回流线一般与接触网同杆架设,通过回流线肩架悬挂在支柱的田野侧,其悬挂形式如图12-1-4所示,图中所示为双支回流线肩架形式,若为单支回流线无上部肩架。-5-(日)湿軽土支柱回流线肩架安装材料表表12-1-3序号代号名称单位数量备注1HL01-90回流线肩架套1(2)型号按支柱选用2P-10T针式绝缘子个1(2)括号内为双肩架数量3JL65-03-89固定角钢套1(2)型号按支柱选用4JL47-89钩螺栓套2(4)钢柱用5GB5789-86螺栓M16XL套2(4)混凝土支柱用肩架安装高度及零件选用表表12-1-4安装图号支柱类型肩架安装高度(m)零件1型号零件3型号零件5型号H1H386.5-7.9J1250525L300H2H8.7+2.67.9-8.5J1250325H3H78&7-3.07.0-8.5J1350525H4H—9.2+3.08.5-9.0J1350425H58.2-10.5J1350525-6-H6H90-17012+3.510.5-11.9J1250525L390G1G150-2007.8-9.9J1580零件4钩螺栓G2G1310.2-12.9J1490G3G200-4500157.5-10.0J1650G49.5-10.7J1580G511.1-13.0J1490G6G50-1009.57.5~9.0J1250G7G50-10010.57.5-9.5G8G50-100117.5-10.02、回流线下锚回流线下锚方式分为对向下锚、终端下锚及转角跨越...

1、当您付费下载文档后,您只拥有了使用权限,并不意味着购买了版权,文档只能用于自身使用,不得用于其他商业用途(如 [转卖]进行直接盈利或[编辑后售卖]进行间接盈利)。
2、本站所有内容均由合作方或网友上传,本站不对文档的完整性、权威性及其观点立场正确性做任何保证或承诺!文档内容仅供研究参考,付费前请自行鉴别。
3、如文档内容存在违规,或者侵犯商业秘密、侵犯著作权等,请点击“违规举报”。

碎片内容

第12章 附加导线及架设

您可能关注的文档

确认删除?
VIP
微信客服
  • 扫码咨询
会员Q群
  • 会员专属群点击这里加入QQ群
客服邮箱
回到顶部