电脑桌面
添加小米粒文库到电脑桌面
安装后可以在桌面快捷访问

住宅楼工程监理规划88VIP免费

住宅楼工程监理规划88_第1页
1/7
住宅楼工程监理规划88_第2页
2/7
住宅楼工程监理规划88_第3页
3/7
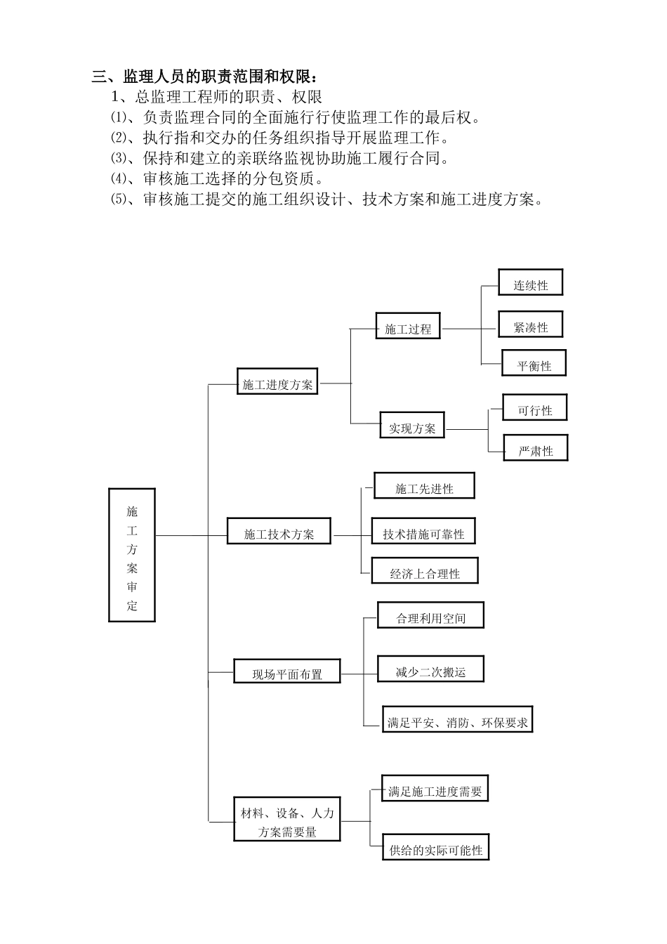
邯郸鑫祥房地产开发南国风光11、13、115、17#住宅楼监理规划一、工程概况:南国风光小区位于中华南大街吴庄村西侧本工程由鑫祥房地产开发建立邯郸怀特建筑设计设计爱民建筑安装施工。本工程为六层住宅、坡屋顶建筑高度20.1M。根底为条型砼墙体采用MU10非粘土烧结砖M50混合砂浆外墙粘贴50厚阻燃型聚苯板饰面为硅胶弹性底漆及柔性耐水腻子面层为涂料。屋面为三级防水保温层为60厚挤塑板、防水材料为高聚物改性沥青卷材。门窗采用塑钢窗中空双玻内门为木门扇露白色低温地板辐射采暖。二、监理组织机构根据本工程的工程特征组织如下班子并根据工程进度的实际进展情况将进展适当的补充和调整。驻地监理人员构成:总监理工程师:土建工程师:水暖工程师:电气工程师:合同理及控制组水暖监理组监理总监理工程师土建构造组兼材料检测电气监理组三、监理人员的职责范围和权限:1、总监理工程师的职责、权限⑴、负责监理合同的全面施行行使监理工作的最后权。⑵、执行指和交办的任务组织指导开展监理工作。⑶、保持和建立的亲联络监视协助施工履行合同。⑷、审核施工选择的分包资质。⑸、审核施工提交的施工组织设计、技术方案和施工进度方案。连续性施工过程紧凑性平衡性施工进度方案可行性实现方案严肃性施工先进性施工方案审定技术措施可靠性施工技术方案经济上合理性合理利用空间减少二次搬运满足平安、消防、环保要求现场平面布置满足施工进度需要材料、设备、人力方案需要量供给的实际可能性⑹、检查施工前准备工作、审签开工。⑺、参加设计向施工的设计技术交底会议。⑻、参与新建工程有关技术平安、质量、进度等有关会议。⑼、签发返工、停工审签往来件及有关报表。⑽、审核签署验工计价汇总表。⑾、检查工地监理人员对隐蔽工程验收的执行情况。⑿、参加开工验收、检查工程初验情况。⒀、催促整理各种技术材料。⒁、定不定向和建立工作分析监理工作状况不断总结经历。2、专业监理工程师职责、权限:⑴、负责施工现场的质量监视检查对所工程进展监理。⑵、执行总监理指和交办的各项任务。⑶、根据施工和验收检查工程质量情况发现质量问题提出限改良。⑷、研究建立本工程监理工作审核变更设计提出审查。⑸、提出本工程范围内的返工、停工报总监审批。⑹、对分项局部工程进展抽验和开工初验。⑺、刻苦学习监理技术业务不断总结交流经历。⑻、参加有关例会提供监理月报经常向总监工作。⑼、做好监理日志执行制定的理制度。3、驻地监理人员职责和权限:⑴、负责做好个人分范围内的监理工作及指导交办的有关事宜。⑵、现场检查工程质量、进度、检测、复测实验数据抽验进场材料质量。⑶、检查施工工艺有无缺陷提出改良关键部位旁站监视。⑷搜集整理施工过程理资料对标检查做好记录。⑸做好监理工作方案、小结、汇报及报表和资料以及整理。⑹深化现场掌握工程质量、进度、施工理、平安消费、文明施工等情况及时填写建立日志处理监理工作中的问题。四、施工阶段质量、进度、控制的要点及程序:1、质量控制:事前要掌握质量控制的技术根据:审核施工的资质;检阅进场所有材料;半成品的合格证明。审核施工提交的组织设计其重点审核内容有:平安理、质量保证措施、文明施工方案和平安质量保证体系材料试件的取样几实验;成品保护措施审核实验室资质质量报表和质量事故的制度。事中的质量控制重点是在工艺流程过程中。一是采取抓住控制要点采取不同手段保证质量目的:二是严格工序交接检查程序上道工序未经检查不准进入下道工序。上道工序完工后先由施工进展自检、专检、评定合格前方可现场监理工程师或代表进展会同检查经检验合格后予以签证发给质量认可书方可进入下道工序。三是坚持隐蔽工程检验签证程序每项隐蔽工程完成后施工在自检、专检合格后填写隐蔽工程验收记录、工程质量评定表及隐蔽验收单报现场监理工程师检查验收验收合格签证认可检查不合格必须在整改后复查合格方可进展下道工序的隐蔽。四是质量的事故处理:主要是在发生质量事故后施工要对事故的原因责任进展分析研究制定处理措施书面写出“事故处理〞经现场监理批准并对处理情况的结果进展检查合格后进展下步施工。五是行使质量...

1、当您付费下载文档后,您只拥有了使用权限,并不意味着购买了版权,文档只能用于自身使用,不得用于其他商业用途(如 [转卖]进行直接盈利或[编辑后售卖]进行间接盈利)。
2、本站所有内容均由合作方或网友上传,本站不对文档的完整性、权威性及其观点立场正确性做任何保证或承诺!文档内容仅供研究参考,付费前请自行鉴别。
3、如文档内容存在违规,或者侵犯商业秘密、侵犯著作权等,请点击“违规举报”。

碎片内容

住宅楼工程监理规划88

确认删除?
VIP
微信客服
  • 扫码咨询
会员Q群
  • 会员专属群点击这里加入QQ群
客服邮箱
回到顶部